Page 1 sur 1
Prise AUX sur IV de 2003 avec cabasse
Posté : 02 janv. 2017, 15:52
par Flo2
Bonjour,
Pour ceux qui l'ont déjà fait, ou connaissent, sur un espace IV de 2003 avec système cabasse et chargeur CD dans la boite à gant, est-ce que vous pensez qu'il est possible de monter un kit main libre blutooth (qui coupe la radio tout seul quand un appel arrive), et de pouvoir relier une clef usb ou autres pour la musique ?
J'ai vu que des kits parrot avaient ces fonctions, mais j'ignore comment ça se branche ils sont fournis avec des câbles ISO.
Au niveau de notre espace (avec la prise réalisée pour l'ampli branchée sur la sortie ligne) :
On sait que nous avons :
Code : Tout sélectionner
21= Remote + OUT: pilotage M/A d'un ampli booster ou caisson asservi.
22= Masse sortie Audio D: pour ampli booster ou caisson asservi.
23= Sortie +Audio D: pour ampli booster ou caisson asservi.
24= Masse sortie Audio G: pour ampli booster ou caisson asservi.
25= Sortie + Audio G: pour ampli booster ou caisson asservi.
Et pour la partie AUX :
Code : Tout sélectionner
26=Remote + IN: pilotage de reveil du système audio présence AUX
27= Masse entrée Audio D: pour connection audio extérieure.
28= Entrée + Audio D: pour connection audio extérieure.
29= Masse entrée Audio G: pour connection audio extérieure.
30= Entrée + Audio G: pour connection audio extérieure.
Savez vous concrètement ce qu'est 26 ? Est-ce qu'il suffit de lui envoyer +12V pour que ça bascule tout seul en AUX ?
Savez vous comment marchent les kits parrot (ou autres) pour prendre la main sur l'autoradio ?
J'ai vu qu'ils mettaient que la musique envoyée par le kit parrot ne passait pas par l'autoradio et donc son ampli, mais par l'ampli du kit parrot avec une qualité pas terrible (je parles du MK9100). Connaissez vous des kits qui puissent envoyer sur les entrées AUX le signal pour que ce soit traité par le système audio de la voiture ?
Merci bien.
Flo.
Re: Prise AUX sur IV de 2003 avec cabasse
Posté : 06 janv. 2017, 13:59
par toinet75
Hello,
J'ai effectué la création de l'entrée ligne sur mon Cabasse avec cd dans la boite à gant comme sur la photo que tu présentes. Espace de 2008.
Je ne comprends pas ce que tu veux faire:
Tu as déjà crée ton entrée ligne et tu voudrais envoyer ta musique en Bluetooth sur ton autoradio ?
Concernant l'entrée 26, de ce que j'en a vu chez moi, cela a "créé" l'entrée AUX sur l'autoradio. Quand tu appuies avec la commande au volant, tu as l'entrée Aux qui apparait ,entre FM et CD. Tous les sons que tu envoies via ton cable entrée ligne sont lus sur ton autoradio en étant en mode Aux.
J'ai ajouté le bluetooth sur le mien, en achetant un boitier bluetooth comme celui-ci :
http://www.audiophony.com/index.php?cod ... 00&lang=fr que j'ai connecté à l'entrée ligne créée.
Je m'arrête là pour le moment, car je ne sais pas si je suis Hors Sujet.
Toinet
Re: Prise AUX sur IV de 2003 avec cabasse
Posté : 06 janv. 2017, 14:45
par Wutch
Hello
Flo voudrait que la source bascule automatiquement sur aux en envoyant un signal sur la broche 26. Mais je ne sais pas dire si c'est comme ca que ca marche.
Re: Prise AUX sur IV de 2003 avec cabasse
Posté : 06 janv. 2017, 21:07
par Davidrwt
Il me semble que les kits parrot s'intercale en le poste et les hp.
Il coupe les hp quand un appel est recu/émis.
Mais je suis pas sur de mes dire.
Re: Prise AUX sur IV de 2003 avec cabasse
Posté : 07 janv. 2017, 08:52
par SAHRO
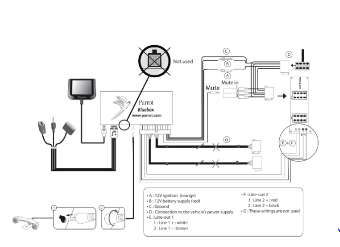
Bonjour,pour le Parrot 9200 :
Avec connecteur iso (s'intercalle et coupe les HP)
Avec entrée ligne E et F(non amplifiées)
Re: Prise AUX sur IV de 2003 avec cabasse
Posté : 09 janv. 2017, 22:55
par Flo2
Bonsoir,
Merci à vous c'est exactement ça wutch !
Sahro tes images inserrées c'est exactement ce qu'il me faut j'ai l'impression.
Est-ce que l'on peut avoir le même branchement sur toute leur gamme parrot ou seul le 9200 peut se brancher sur des entrées ligne ?
Par contre pour E et F, ils donnent des couleurs mais on ne sait pas à quoi ça correspond pour le branchement sur la ligne de l'autoradio, comme :
26=Remote + IN: pilotage de reveil du système audio présence AUX
27= Masse entrée Audio D: pour connection audio extérieure.
28= Entrée + Audio D: pour connection audio extérieure.
29= Masse entrée Audio G: pour connection audio extérieure.
30= Entrée + Audio G: pour connection audio extérieure.
J'imagine que c'est 27 et 30 et que le fil jaune va en 26 mais ils ne donnent pas beaucoup d'info pour savoir ou relier 27 à 30 :'-(
Avec avec ce branchement confirmez moi si j'ai bin ou pas, mais le signal passe intégralement par l'autoradio et ses amplis et non par l'ampli parrot, du coup tout le son est diffusé par la voiture et on peut aussi brancher une USB au niveau du parrot ?
Le 9100 ou même le 9000 nous suffirait largement si ils peuvent se brancher comme ça, Sahro sais tu ou je peux retrouver leur branchement ?
Pour l'instant j'ai tiré 4 fils.......(il en manque j'avais pas pensé au remote) qui partent de la prise du coffre et arrivent dans la trappe entre les sièges avant en attente d'avancer sur le sujet.
J'avais contacté parrot mais aucune réponse de leur part !
Merci bien.
Flo.
Re: Prise AUX sur IV de 2003 avec cabasse
Posté : 15 janv. 2017, 08:58
par SAHRO
Bonjour Flo2
De mémoire et sans sortir le testeur sa devrait donner pour toi:
E lin out 1=blanc sur +30
marron sur -29
F lin out 2=rouge sur +28
noir sur -27
Je dépiote le cablage dés que je peut.
Re: Prise AUX sur IV de 2003 avec cabasse
Posté : 15 janv. 2017, 11:33
par Flo2
Bonjour,
Super, merci bien.
En effet je viens de trouver ceci ici en page 5 :
https://medias-norauto.fr/pdf/284161.pdf
J'envisageais de prendre un 9100, sachant que notre cahier des charges c'est de pouvoir brancher une clef USB et d'avoir le téléphone bluttoth, mais en regardant, le 9000 suffirait amplement puisque lui aussi peut recevoir la clef USB.
Ce qu'ils appellent mute sur le cablage des parot, faut-il le brancher sur la pin 26 ? Ainsi ça permettra de couper tout seul la radio pour passer en téléphone tout seul en cas d'appel entrant ?
Pour la pose de ces systèmes on est obligé de tirer le câblage de la prise qui est dans le coffre + le fil rouge (+ permanent) ainsi que le + APC de l'autoradio (dans le coffre à gauche) vers le boitier qu'ils appellent bluebox qu'il faudra disposer vers le tableau de bord ?
On ne peut pas laisser le boitier bluebox dans le coffre et tirer juste le fil du micro vers l'avant ? (il fait quel longueur le fil ?)
Merci.
Flo.
Re: Prise AUX sur IV de 2003 avec cabasse
Posté : 15 janv. 2017, 20:34
par SAHRO
Je ne connais pas le système audio de l'espace 4 mais a choisir maintenant je prendrais le 9100
parceque l' écran du 9200 est trop voyant et celui du 9100 est discret pas besoin de l'enlever a chaque fois qu'on
sort du véhicule et on voit trés bien qui appelle sa suffit on laisse le téléphone das la poche,
sur le 9000 pas d'écran?
Je viens d'achetter un Sony RM-X7BT pas d'écran mais pilote un telephone sous android ou avec SIRI avec WAZE et commande vocale a 75 euros
mais pas d'entrée USB pour mêtre une clef avec de la musique tout passe par le telephone et un autre souci pour moi qui ai un microsoft lumia 950
a priori pas encore d'appli pour utiliser la télécommande.
Par contre Cortanna fonctionne avec la télécomande

Re: Prise AUX sur IV de 2003 avec cabasse
Posté : 15 janv. 2017, 22:28
par Flo2
OK, merci de ton retour sahro.
Mais dans le IV vous mettriez l'écran ou ?
Avec le 9100 ça afficherait le N° ou le nom du contact ? Car si c'est le N° ça ou rien c'est pareil pour nous
Merci.
Flo.
Re: Prise AUX sur IV de 2003 avec cabasse
Posté : 16 janv. 2017, 10:51
par forever71000
SAHRO a écrit :Je ne connais pas le système audio de l'espace 4 mais a choisir maintenant je prendrais le 9100
parceque l' écran du 9200 est trop voyant et celui du 9100 est discret pas besoin de l'enlever a chaque fois qu'on
sort du véhicule et on voit trés bien qui appelle sa suffit on laisse le téléphone das la poche,
sur le 9000 pas d'écran?
Je viens d'achetter un Sony RM-X7BT pas d'écran mais pilote un telephone sous android ou avec SIRI avec WAZE et commande vocale a 75 euros
mais pas d'entrée USB pour mêtre une clef avec de la musique tout passe par le telephone et un autre souci pour moi qui ai un microsoft lumia 950
a priori pas encore d'appli pour utiliser la télécommande.
Par contre Cortanna fonctionne avec la télécomande

ça me paraît pas mal du tout ce système Sony non??
Re: Prise AUX sur IV de 2003 avec cabasse
Posté : 18 janv. 2017, 23:42
par grostoto
@flo: un fil de micro est sensible aux interférences (signaux très faibles): même avec un cable blindé, avoir un fils de 3 m qui traverse toute la voiture, c'est très risqué en terme de parasitage.
Re: Prise AUX sur IV de 2003 avec cabasse
Posté : 20 janv. 2017, 14:41
par Flo2
Oui, c'est ce qui m'inquiète un peu, mais pour ramener le parrot vers l'avant de l'habitacle en le branchant sur les entrées ligne, (le cabasse les ayant à l'arrière gauche...) ou laisser le parrot à l'arrière et dans ce cas il faudra tirer la ligne du micro jusqu'au boitier parrot situé à l'arrière, je ne sais pas ce qui est le mieux/moins pire.
Merci de ta réponse.
Flo.
Re: Prise AUX sur IV de 2003 avec cabasse
Posté : 08 févr. 2017, 10:39
par Gercofis
SAHRO a écrit :Je ne connais pas le système audio de l'espace 4 mais a choisir maintenant je prendrais le 9100
parceque l' écran du 9200 est trop voyant et celui du 9100 est discret pas besoin de l'enlever a chaque fois qu'on
sort du véhicule et on voit trés bien qui appelle sa suffit on laisse le téléphone das la poche,
sur le 9000 pas d'écran?
Je viens d'achetter un Sony RM-X7BT pas d'écran mais pilote un telephone sous android ou avec SIRI avec WAZE et commande vocale a 75 euros
mais pas d'entrée USB pour mêtre une clef avec de la musique tout passe par le telephone et un autre souci pour moi qui ai un microsoft lumia 950
a priori pas encore d'appli pour utiliser la télécommande.
Par contre Cortanna fonctionne avec la télécomande

le Sony RW-X7BT ? Je suis allé voir sur plusieurs site de vente j'avoue avoir du mal a capter :
1°) Est-ce ça fait la fonction mute quand le téléphone émet un son ça prend la main ? et en cas de musique est-ce acceptable ?
2°) Sur les divers sites on ne parvient pas a voir s'il y a tout pour le brancher correctement ? doit-on ajouter des câbles ?
3°) A-t-on forcement besoin du bouton Remote ?
a te lire
Re: Prise AUX sur IV de 2003 avec cabasse
Posté : 08 févr. 2017, 12:24
par spacido
Moi pour avoir le téléphone dans mon E4 de 2003, j'ai acheté un système bluetooth qui se branche sur l'allume cigare et passe par une fréquence radio pour balancer le son. Je dois avouer que ça marche plutôt bien
Re: Prise AUX sur IV de 2003 avec cabasse
Posté : 09 févr. 2017, 16:52
par Flo2
Spacido aurais tu un lien de ce système ?
Ca ne grésille pas ? Tu as installé le micro ou ?
Merci.
Flo.
Re: Prise AUX sur IV de 2003 avec cabasse
Posté : 12 févr. 2017, 14:13
par SAHRO
Bonjour Gercofis
"le Sony RW-X7BT ? Je suis allé voir sur plusieurs site de vente j'avoue avoir du mal a capter :
1°) Est-ce ça fait la fonction mute quand le téléphone émet un son ça prend la main ? et en cas de musique est-ce acceptable ?
2°) Sur les divers sites on ne parvient pas a voir s'il y a tout pour le brancher correctement ? doit-on ajouter des câbles ?
3°) A-t-on forcement besoin du bouton Remote ?
a te lire"
1°) Sa ne fait pas mute,pour la musique c'est correct mais moins bon que le parrot mki9200 que j'avais raccordé comme dit a Flo2.
2°) Il ne sa branche qu'avec une prise jack.
3°) Je pense que tu veut parler de la télécommande du Sony,oui tout se passe par elle d'ou l'intérêt pour moi on ne touche plus au téléphone.
Re: Prise AUX sur IV de 2003 avec cabasse
Posté : 11 janv. 2018, 09:12
par louka58
Bonjour a tous.
Déterrage de topic
Je vous partage l installation réalisée si cela peux donner des idées a d autres membres...
Sur mon 4 avec l auditorium et chargeur alpine 6cd dans le coffre. J ai suivi ce tres bon tuto pour installer une prise jack 3.5mm sur l entrée aux
http://www.planeterenault.com/forum/cab ... 9-180.html
Tout fonctionne a merveille et grace a un recepteur clefs usb bluetooth a 9.90€ branché directement sur l allume cigare du petit vide poche du coffre...vous avez un accés bluetooth au son de votre espace.
Le cable jack 3.5mm branché sur la clefs usb dans le vide poche.
Aucuns cables visible ou qui traine.
La prise allume cigare etant en +apc, l installation s allume dés le contact mis et s eteind en meme temps que la carte est retirée
Juste a allumé le bluetooth de votre smartphone et vous avez un kit main libre et autant de musique que vous le souhaitez sans rien avoir a brancher. N importe qui dans la voiture peut se connecter et passer la musique de son choix pour 9.90€ de clefs et 2.30€ pour la prise cd-rom.
30min d instalation.
Voila si cela peux aider...