Page 3 sur 5
Re: [résolu] vitesses qui craquent
Posté : 28 juin 2016, 06:35
par marco28
Pourquoi je doute?
C'est quand il fait chaud, et encore pas tout le temps, donc c'est aléatoire.
Un embrayage HS le serait tout le temps je pense.
Hier par exemple aucun problème pour le passage des vitesses, y compris la marche arrière.
Hier toujours j'avais du mou à l'embrayage: l'accroche ne se faisait qu'après avoir un peu relâché la pédale. Le jeu est correct.
3 jours avant il n'y avais aucun mou et la voiture reculait sans que je ne relâche la pédale, aucun jeu.
Entre temps la température a baissé.
C'est comme si avec la chaleur "quelque chose bougeait un peu" et provoquait une dégradation de la commande d'embrayage.
C'est pour cela que je pense à la tension du câble (notamment); trop aléatoire.
Je suis allé voir sur le forum pour l'espace 2, et apparemment pour ce modèle là c'est un problème de câble et de rattrapage automatique.
Le mécanisme d'embrayage n'est pas tout à fait le même, donc comparaison n'est pas raison, mais c'est peut être une piste.
Pour le kilométrage je dois être à 100 000 kms environ: pas tout jeune mais pas vieux non plus.
Re: [résolu] vitesses qui craquent
Posté : 28 juin 2016, 08:44
par romu58
Bon bien fait comme tu le sent , tu reviendra nous dire après si on avait tord ou raison
Re: [résolu] vitesses qui craquent
Posté : 28 juin 2016, 21:20
par TheStone
marco28 a écrit :Pour le kilométrage je dois être à 100 000 kms environ: pas tout jeune mais pas vieux non plus.
.... je suis d'accord avec toi

.... mais il faut savoir que les matériaux actuels des embrayages ne permettent plus de faire plus de 300000 kms, comme le permettaient ceux des années 80 sur nos espaces

Re: [résolu] vitesses qui craquent
Posté : 29 juin 2016, 06:08
par marco28
J'ai commencé par le mécanisme de réglage automatique au niveau du câble.
J'ai démonté le cache en plastique en dessous du volant et j'ai vérifié le câble. Au toucher, en appuyant je l'ai trouvé pas fortement tendu, un peu mou.
J'ai mis du dégrippant sur l'axe des pédales et j'ai fait jouer librement la pédale en débloquant les crans de blocage du mécanisme de rattrapage automatique de la tension. Il y a une rotule en plastique sur laquelle il suffit d'appuyer, ensuite la pédale bouge librement.
J'ai donc appuyé vers le bas, sans tension, puis une fois en bas j'ai relâché la rotule et fait remonter doucement la pédale; on entend alors chaque cran du mécanisme de tension du câble qui se met en place.
Je l'ai fait pas mal de fois, à intervalles, pour donner au dégrippant le temps d'agir, d'abord doucement puis en relâchant d'un coup.
Après cela un premier constat positif: une pédale plus ferme.
C'était lundi, et hier aucun problème dans mon trajet quotidien pour aller au boulot: aucune difficulté pour passer les vitesses.
Je ne vais pas crier victoire trop vite, la température a un peu baissé.
Ce qui me semble aller dans le bon sens c'est la sensation de pédale plus ferme, mais difficile de savoir si je suis objectif.
En fait en changeant le câble d'embrayage j'aurais du en profiter pour bien dégripper et faire jouer librement ce mécanisme de tension automatique.
A suivre; il faut que la température remonte pour pouvoir crier victoire

ou au contraire y retourner.

Re: [résolu] vitesses qui craquent
Posté : 04 juil. 2016, 15:52
par marco28
Une semaine après j'ai un embrayage qui fonctionne normalement désormais; pas de craquement avec la marche arrière, et de la fluidité pour passer les vitesses, que ce soit à chaud ou à froid.
Je pense que dans mon cas, les crans du réglage automatique au niveau de la pédale étaient coincés, avec du coup un mauvais réglage de l'embrayage.
Je n'ai pas démonté le mécanisme, mais c'est un ensemble de pièce qui sont censées bouger tout en bougeant très peu dans l'année. Ce n'est pas forcément étonnant que l'ajustement ne soit pas complètement automatique, et qu'il faille agir directement après un changement de câble.
En tout cas cela fait partie des vérifications à faire aussitôt que les vitesses passent mal, si l'on veut respecter la règle consistant à aller du plus simple au plus compliqué dans la recherche de diagnostic.
Re: [résolu] vitesses qui craquent
Posté : 05 juil. 2016, 01:20
par TheStone
.... merci du retour, content pour toi

Re: [résolu] vitesses qui craquent
Posté : 09 juil. 2016, 07:57
par orval56
impeccable ! ça éclaire la procédure à suivre
Re: [résolu] vitesses qui craquent
Posté : 30 sept. 2017, 09:38
par marco28
Bonjour,
Je déterre le sujet, on prend les mêmes et on recommence.
J'ai à nouveau du mal à passer les vitesses, mais toujours de façon aléatoire.
Parfois la marche arrière passe sans craquer, parfois craquements mais cela passe, parfois encore c'est impossible et il faut que je coupe le moteur, et parfois encore embrayage à fond la vitesse est en prise et la voiture recule.
J'ai le même phénomène avec les autres vitesses; en première les 3/4 du temps pas de problème, mais de temps en temps embrayage à fond la voiture avance.
Pour les autres vitesses même phénomène; les 3/4 du temps pas de problème, mais parfois soit la vitesse craque soit elle ne passe pas et il faut que je fasse un double débrayage.
Ce qui est curieux, de mon point de vue d'apprenti mécanicien, c'est que ce n'est pas constant; parfois il y a problème et parfois pas. En fait c'est comme si "quelque chose" bougeait un peu, du coup problème, puis se remettait en place, du coup fin des problèmes.
Comme c'est aléatoire pour le moment j'exclus l'embrayage et la boîte, même si j'ai un doute. Ayant changé le câble d'embrayage et le renvoi d'angle il y a 3 ou 4 ans j'exclus aussi (mais j'ai peut être tort?).
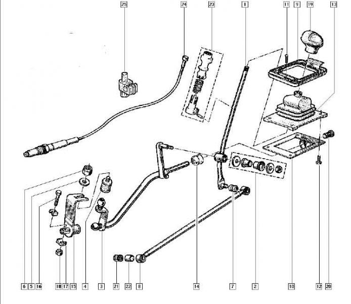
Du coup les autres pistes c'est le niveau d'huile, le mécanisme de tension du câble au niveau de la pédale, et les supports de boîte.
J'ai vérifié le niveau d'huile de boîte et j'en ai rajouté un peu mais pas de changement.
Au niveau de la pédale j'ai refait ce que j'ai décrit dans mes messages précédents mais sans effet. Comme j'ai en stock le mécanisme en question je vais le changer mais j'y crois moyen.
Je suis allé voir les supports de boîte mais je ne vois pas grand chose.
Je penche pour les supports de boîte, en me disant que les vibrations mal absorbées pourraient expliquer le caractère aléatoire du problème, d'autant qu'il y a un peu de secousses au démarrage en première et en marche arrière.
J'ai acheté les 2 supports, je peux les changer mais j'ai un doute.
Quelqu'un connaît un moyen de tester les supports? Il faut soulever un peu la boîte avec un cric?
Si vous avez des idées pour comprendre ce qui se passe je suis preneur aussi. Je n'exclus pas boîte (hypothèse usure de la syncro m'a dit un méacano) et/ou embrayage (il a environ 100 000 kms), mais comme le problème n'est pas constant je doute, tout en constatant que le problème revient de plus en plus fréquemment.
Merci d'avance.
Re: [résolu] vitesses qui craquent
Posté : 30 sept. 2017, 10:00
par harry
Bonjour.
Moi, je vote pour ça:

- DSC_0189.jpg (36.51 Kio) Vu 5928 fois
Les crans usés sur le rattrapage. Un coup j'accroche, un coup non.
Harry. A+
Re: [résolu] vitesses qui craquent
Posté : 30 sept. 2017, 10:10
par marco28
Bonjour Harry,
Effectivement, la photo est parlante.
du coup "ça marche, ça marche pas".
Pour y voir plus clair sur l'état de cette pièce il faut démonter je pense.
Re: [résolu] vitesses qui craquent
Posté : 30 sept. 2017, 10:53
par orval56
pour les supports, ils sont d'origine ? sinon, si tu en as 2 neufs, ce ne sera pas un luxe
Re: [résolu] vitesses qui craquent
Posté : 30 sept. 2017, 12:02
par marco28
Non les supports ne sont pas d'origine; ils ont 4 ou 5 ans.
Ils ont pris un peu de jeu apparemment, je le sens au démarrage: en marche avant ou arrière il y a des secousses à ce moment là..
Il faut d'ailleurs que je vérifie également les supports moteur comme conseillé sur le manuel Renault MR 271.
Re: [résolu] vitesses qui craquent
Posté : 01 oct. 2017, 14:01
par orval56
oui, 4, 5 ans, ce ne peut être ça, ceux du moteur comme tu le suggères, à vérifier
Re: [résolu] vitesses qui craquent
Posté : 02 oct. 2017, 11:00
par marco28
Bonjour,
Le rattrapage de tension du câble d'embrayage est bon: aucune usure des crans.
Les supports de boîte sont bons aussi; un mécano les a légèrement soulevés avec un pied de biche.
En revanche le support moteur à l'avant est HS; les 2 autres sont bons.
Pour le mécanicien c'est l'embrayage qu'il faut remplacer. il n'exclut pas pour autant un problème au niveau de la boîte. Il trouve l'embrayage très dur.
J'ai encore un doute.
L'embrayage est dur mais il l'a toujours été.
Je résume; pour aller voir le mécano aucun problème pour passer les vitesses, je roule 20 mn sur nationale, je m'arrête. Le mécano bouge un peu le moteur avec un pied de biche pour tester les supports de boîte et ensuite la première ne passe plus.
Après ce blocage, je n'ai eu aucun problème pour rentrer chez moi, y compris aux ronds points avec passage en première, qui passe sans souci et les autres vitesses aussi.
En fait la seule chose qui a été faite sur la voiture avant le blocage de la première a consisté à bouger un peu le moteur avec un pied de biche pour tester les supports de boîte, comme si en roulant un peu les choses s'étaient "recalées".
Est ce qu'un support moteur naze à l'avant peut générer une difficulté à passer les vitesses?
Pour le mécano non, mais j'ai un doute.
L'embrayage a 110 000 kms environ, pas vraiment vieux.
Au final j'ai 3 options; changer le support moteur avant, pour voir (pas aujourd'hui je n'ai pas cette pièce), faire refaire l'embrayage seul, ou encore embrayage et boîte. Pour le support moteur je dois pouvoir le faire, j'ai le matériel suffisant, mais l'embrayage et la boîte je n'ai pas le matos et pas les compétences. Cela m'agacerait sévère de faire changer l'embrayage pour constater qu'au final c'était autre chose.
Je vais laisser cogiter un peu: si vous avez des suggestions n'hésitez pas.
Re: [résolu] vitesses qui craquent
Posté : 02 oct. 2017, 11:51
par harry
Bonjour.
La tringlerie de la boite à vitesse ?

- tringlerie bôite à vitesse.jpg (34.18 Kio) Vu 5862 fois
Harry. A+
Re: [résolu] vitesses qui craquent
Posté : 02 oct. 2017, 12:38
par marco28
Bonjour Harry,
Pourquoi pas: toute la tringlerie est d'origine et il y a pas mal de jeu.
Je vais aller jeter un oeil et en même temps je vais vérifier le niveau d'huile de boîte.
J'ai vérifié cela début août et il avait fallu que j'en rajoute un peu: pas de grosse fuite mais des joints fatigués et des pertes d'huile.
Ceci dit je vais prendre mon temps; l'avis du mécano m'a donné un coup au moral et a fait baisser ma motivation à tout regarder.
Cela va passer, il me faut juste un peu de temps.
Je vais faire une recherche pour changer le support à l'avant: j'ai regardé c'est relativement accessible par en dessous.
Il est déchiré et il ne fait plus son job. Démontage des écrous pas compliqué, mais cela va descendre un peu le moteur et il faut certainement le soutenir.
Quel point d'appui pour s'aider avec un cric sans rien casser? Rien trouvé dans ma documentation.
Re: [résolu] vitesses qui craquent
Posté : 02 oct. 2017, 12:51
par camion rouge
SAlut Marco !
Tu mets une planche sous le carter d’huile, un cric quelconque, tu soulages legerement le moteur et ça se fait tres facilement !
Je l’ai fait en aout sur le 1 d’Antoine !
Juste anticiper en arrosant bien dès la veille avec du bon degrippant !
Re: [résolu] vitesses qui craquent
Posté : 02 oct. 2017, 12:56
par harry
Bonjour.
Attends, je cherche le tuto.
Le voilà:
https://www.passion-espace-club.com/view ... 45&t=26610
Harry. A+
Re: [résolu] vitesses qui craquent
Posté : 02 oct. 2017, 13:06
par marco28
Bonjour Camion Rouge,
Tu as démonté uniquement le support avec le caoutchouc ou tu as démonté les consoles qui le fixent sur le bloc moteur?
Le plus simple c'est quoi?
Le niveau d'huile est bon dans la boîte, je viens de vérifier. L'huile est propre aussi.
Je suis allé voir la tringlerie; du jeu effectivement. Suffisant pour tout bloquer????
Sinon parmi les constats il y a le fait que moteur arrêté il arrive que je ne parvienne pas à passer une vitesse, la première ou la marche arrière, parfois la seconde même. Je bouge un peu le levier dans tous les sens, sans forcer, je passe les vitesses qui passent, et au final tout se remet en place.
Je pense que cela exclut l'embrayage non, le moteur étant arrêté?
Comment expliquer cela?
Est ce que cela peut être caractéristique d'un problème au niveau de la boîte?
Re: [résolu] vitesses qui craquent
Posté : 02 oct. 2017, 13:12
par harry
Bonjour.
marco28 a écrit :Bonjour Camion Rouge,
Tu as démonté uniquement le support avec le caoutchouc ou tu as démonté les consoles qui le fixent sur le bloc moteur?
Le plus simple c'est quoi?
La réponse est dans le tuto, il faut démonter les silentbloc avec les supports.
Harry. A+
Re: [résolu] vitesses qui craquent
Posté : 02 oct. 2017, 13:16
par camion rouge
En fait mon demontage n’etait pas dû a un changement de SB!
C’etait pour deposer la traverse pour acceder a la distrib!
Re: [résolu] vitesses qui craquent
Posté : 02 oct. 2017, 13:16
par marco28
Oui j'ai vu Harry; nos courriels se sont croisés, je n'avais pas vu le tien.
Merci
Re: [résolu] vitesses qui craquent
Posté : 02 oct. 2017, 14:10
par harry
Bonjour.
Je viens de relire ton historique, je penche maintenant plus vers un problème de débrayage incomplet, cela reste que si la boite bouge trop, elle peut ne pas débrayer à certains moments. Pour essai, peux-tu intercaler une cale entre la tige de renvoi de 59 mm et la fourchette afin de plus (+) débrayer ?
Harry. A+
Re: [résolu] vitesses qui craquent
Posté : 02 oct. 2017, 14:45
par camion rouge
harry a écrit :Bonjour.
Je viens de relire ton historique, je penche maintenant plus vers un problème de débrayage incomplet, cela reste que si la boite bouge trop, elle peut ne pas débrayer à certains moments. Pour essai, peux-tu intercaler une cale entre la tige de renvoi de 59 mm et la fourchette afin de plus (+) débrayer ?
Harry. A+
J’ai pensé a la meme chose , mais notre ami a indiqué que ,a l’arret, moteur non tournant, il arrive qu’il ne puisse engager aucune vitesse...
Je penserai donc plutot a un probleme de tringlerie ou de fourchette de selection...
Je m’y connais un peu plus en bv moto !
Re: [résolu] vitesses qui craquent
Posté : 02 oct. 2017, 15:57
par Basile
marco28 a écrit :
Je pense que cela exclut l'embrayage non, le moteur étant arrêté?
quand par exemple le câble d'embrayage est cassé, et le moteur arrêté, c'est quasi impossible de dégager une vitesse, ou d'en mettre une. *
ça ressemble donc à un débrayage insuffisant (entre autre cause) comme dit Harry
*
La solution est de démarrer en prise, si une vitesse est engagée. Et si le démarreur n'arrive pas à entraîner la voiture avec une vitesse engagée, par exemple en cote, la solution est de lever une roue avant au cric pour mettre le moteur en route et enlever la vitesse.