Page 26 sur 34
Re: Remise en route d'un Espace II J8S 1994
Posté : 06 juin 2023, 22:32
par EAime
LeJeune6troeniste a écrit : 06 juin 2023, 21:39
Si j'ai bien suivi, juste au dessus du carter, sur le côté du bloc! Donc plausible que de l'huile soit remontée...
Mais si c'est bien ça c'est un emplacement bizarre, en général c'est sur le haut de la culasse, parfois intégré au couvre culasse, justement pour n'ingérer que des vapeurs et non de l'huile liquide.
D'où ma question, car sur le V4Y (V6 3.5L NISSAN), c'est sur le haut de la culasse qu'est située cette valve !

Re: Remise en route d'un Espace II J8S 1994
Posté : 06 juin 2023, 22:48
par Sigma
Je creuse la doc mais rien de rien sur cette valve...
Ca me fait penser que sur les XUD non plus il n'y a pas de valve à ma connaissance, le puits d'huile sert de décanteur et renvoie l'huile dans le bas moteur, tout en passif. Mais ça marche moins bien que le décanteur des J8.
Re: Remise en route d'un Espace II J8S 1994
Posté : 06 juin 2023, 22:51
par LeJeune6troeniste
Vérifie peut-être si ta jauge de température donne une valeur réelle ou est une trois positions

J'ignore comment c'est foutu sur II, sur IV ils partent du principe que l'usager ne sait pas lire une jauge qui bouge donc c'est figé et ça alerte bien trop tard en cas de surchauffe
Les LEDs, en général ils ne recommandent pas de virer le capot? Pour éviter un incendie c'est pratique mais c'est bon pour fourrer des merdes dans ses phares

Curieux du résultat en tout cas!
La valve PCV, j'ai zappé le schéma, faudra que je prenne le temps demain après ce fichu partiel

C'était une supposition mais ma théorie peut s'appliquer aussi sur le montage simple que tu as

En tout cas pour moi, si ça ne fume plus ça confirme ce que je pensais: le moteur est bon et l'huile venait de... quelque part
Si tu as envie de faire du tuninje tu dois pourvoir monter un filtre à air style cône à la place de la boîte à air origine: Renault avait sans doute optimisé cette dernière pour supprimer autant de bruit que possible. Par contre avec un tel montage, en fonction du filtre choisi tu peux t'attendre à une filtration moindre

et si tu ne fais pas le travail de cloisonnement, une perte de performances du fait de l'admission d'air très chaud dans le moteur. En tout cas, le son ne joue aucunement dans la sécurité donc ce n'est pas pressé

Re: Remise en route d'un Espace II J8S 1994
Posté : 06 juin 2023, 23:00
par LeJeune6troeniste
Quand on est curieux on n'attend pas!
J'ai repêché la photo:

- Récupérateur d'huile J8S.png (52.9 Kio) Vu 3014 fois
Si je suis bien, il y a deux endroits où l'huile entre dans le système de recyclage, un conducteur et un passager. Un des deux n'était pas relié au décanteur (ce que j'appelais valve PCV, pardon

) et quand tu as rebranché ça s'est mis à fumer. Mais pendant tout le temps débranché côté décanteur, le tuyau était ouvert sur le moteur, sans dépression créée par l'admission. Donc il aurait pu se remplir d'huile et de gras, passé dans l'admission lors du rebranchement? Non?
Re: Remise en route d'un Espace II J8S 1994
Posté : 06 juin 2023, 23:53
par Sigma
En fait le tuyau côté gauche sur le dessin est une remontée, ça doit être l'évac des vapeurs bas moteur, la plaque dont j'ai parlé est juste sous la pièce 7, le tuyau à droite est la descente vers le bas moteur.
Normalement celui de droite ne doit pas refouler... sauf quand on souffle dans l'autre tuyau
Le 17 c'est l'aspiration par le turbo, donc je ne vois qu'une seule entrée pour le gras > la 9 (qui récupère aussi les vapeurs du cache culbuteurs via la durit 11 et le "Y".
Pour compliquer le truc: la n°9 débranchée était posée à plat sur le décanteur, donc bouchée en fin de compte!
Aucune évacuation possible ni dans le bas moteur, ni dans le cache culbu... l'aspiration turbo devait aspirer l'air extérieur rentrant par la connexion de la 9 sur le boitier qui elle était grande ouverte...vu le diamètre de la connexion pour la 9 sur le boitier je doute que cette aspiration turbo ait pu tirer de l'huile de la descente...
Le haut du boitier et l'arrière étaient couverts de gras... ça devait pousser dans la 9 sans pouvoir bien sortir.
Peut être que du coup la descente en 3 s'est bouchée en séchant? il y a une partie horizontale assez longue entre la durit de sortie du boitier et la 15 qui est quasi verticale.
Et peut être qu'il y a eu le souci que les gars en CJ7 ont avec ce dispositif en franchissement, sauf que pour ma bagnole la différence de hauteur entre train AV et AR était de moins de 10cm, le nez en bas mais pas beaucoup
Tu auras le temps d'élaborer une explication après ton partiel , bon courage
Voilà le plan de circulation, ils ont dessiné tous les tuyaux sur le même plan, mais celui qui descend est côté conducteur et il manque le raccord cache culbuteur qui rejoint la 9:
Le tuning admission: le truc le plus simple c'est juste de mettre un cone d'entrée à raz du porte filtre d'origine. Comme j'ai viré la grosse durit qui pompait dans le pare choc (j'y avais trouvé de l'eau)... l'entrée est très raide pour le flux d'air, donc un cone permettrait d'optimiser le flux, pas cher, pas de risques, mais plus de volume en entrée car moins de perturbations.
Les LEDs, justement ces ventilos sont prévus pour éviter de laisser les phares ouverts. Dans les voitures modernes ça doit cramer, mais dans les II il y a quand même un peu de place. Je ferais des photos pour montrer le placement.
Ils ont prévu de déporter les connexions, vu que le ventilo prend la place du connecteur normal, tout ça en filaire. Ca vaudra le coup de faire quelques soudures sur le faisceau interne qui est juste serti pour fiabiliser un minimum.
La jauge de température, tu parle de celle du TDB? C'est à aiguille, analogique, parfait pour prendre peur quand ça monte. Sur le mien la temp normale est un peu en dessous de la moitié de la graduation, dès que ça passe la moitié les ventilos entrent en action.
Quand je compare à celles que j'ai vu récemment à 5 LEDs seulement... bonjour la précision: froid > tiède > normal > pas normal > foutu .
Re: Remise en route d'un Espace II J8S 1994
Posté : 07 juin 2023, 05:08
par bédouin
LeJeune6troeniste a écrit : 06 juin 2023, 22:51
Les LEDs, en général ils ne recommandent pas de virer le capot? Pour éviter un incendie c'est pratique mais c'est bon pour fourrer des merdes dans ses phares

Curieux du résultat en tout cas!
Salut,
Concernant les ampoules leds, quand j’ai acquis le tacot, il y avait dessus la modif des phares avec des leds H4 ventilées qui y étaient montés, par contre, le cul du phare était absent.
N’étant pas trop inspiré par ce montage, j’ai tout remis d’origine en attendant d’en savoir plus.
Ce ne serai pas utopique de penser qu’idéalement, le top serai de reproduire le cache arrière du phare muni d’une espèce de cône du diamètre du ventilo arrière de l’ampoule de telle sorte qu’il n’y aurai que le ventilo de la led qui sortirai et tout ceci avec l’aide d’une imprimante 3D.
@+
Re: Remise en route d'un Espace II J8S 1994
Posté : 07 juin 2023, 09:56
par Sigma
Bonjour
normalement c'est quand même prévu pour fonctionner avec le phare fermé.
Et en cas de surchauffe, ça sera au niveau des soudures des LEDs que ça claquera en premier (vécu sur une lampe torche: la LED s'est bêtement déssoudée).
On verra si les modèles actuels, plus compacts, peuvent rentrer dans les phares des II avec le capot fermé à l'arrière.
Il y a eu pas mal d'évolutions sur ces ampoules LEDs ces derniers temps, plus puissants, plus compacts etc etc...
Je viens de rappeller Lecoy pour voir s'il était possible d'acheter les pièces en direct usine, malheureusement non: uniquement comptes pros.
Ils m'ont orienté vers leur distributeur parisien... on verra ce que ça donne.
Mais je pense à un truc: si nous sommes plusieurs à chercher des références chez Lecoy, peut être l'asso pourrait ouvrir un compte pro et permettre ces achats aux membres?
Avis aux admins et modos
edit: pas moyen de passer par leur distri parisien, mais apparemment les revendeurs de pièces type AD et compagnie bossent aussi avec Lecoy, donc au comptoir en local c'est jouable pour ceux qui sont près des centres urbains.
Re: Remise en route d'un Espace II J8S 1994
Posté : 07 juin 2023, 12:30
par LeJeune6troeniste
Bonjour,
Sigma a écrit : 06 juin 2023, 23:53
La jauge de température, tu parle de celle du TDB? C'est à aiguille, analogique, parfait pour prendre peur quand ça monte. Sur le mien la temp normale est un peu en dessous de la moitié de la graduation, dès que ça passe la moitié les ventilos entrent en action.
Quand je compare à celles que j'ai vu récemment à 5 LEDs seulement... bonjour la précision: froid > tiède > normal > pas normal > foutu .
Oui je parle de celle-là.
Sur le IV c'est LCD: 9 barrettes, à chaud les 5 premières sont allumées. C'est comme le CNSR, Ça Ne Sert à Rien.
Mais attention, ce n'est pas parce que tu as une aiguille que tu es préservé

Je pense notamment aux Jags des 90s... et forcément les Focus qui ont donné les jauges et boutons

L'aiguille à trois positions: froid, à température, et moteur flingué. Elle va doucement de froid à à température mais elle n'indique une surchauffe que si le témoin rouge de surchauffe s'annule aussi. Même principe que mon IV.
Donc il faudrait savoir si ton aiguille est temporisée, ou si elle traduit une info réelle, histoire de savoir si tu peux faire confiance ou pas. À ce que je sache, presque tout ce qui est sorti des usines post-90s est affecté, et ça c'est quand il y a encore une jauge.
Re: Remise en route d'un Espace II J8S 1994
Posté : 07 juin 2023, 14:37
par Sigma
Salut
peut être que je peux faire confiance à la sonde T° qui déclenche les ventilos: ils ne sont pas commandés par la jauge TDB.
Et jusqu'à present j'ai toujours vu les ventilos se déclencher à la même position de la jauge TDB (enfin surtout depuis que j'ai réparé leurs connecteurs d'alim...).
Sinon dans la doc éléctrique il n'y a aucun détail sur le montage éléctronique ou mécanique interne du combiné.
Sur les II le comportement de l'aiguille est bien linéaire, on a toutes les positions "intermédiaires" qui sont cohérentes à priori avec les phases de chauffe normale: à froid c'est clairement au mini, puis ça monte progressivement. En hiver on peut rouler longtemps entre le mini et la position "normale", le moteur prend plus de temps à gagner en température. L'aiguille monte progressivement, pas par "paliers", si c'est ce que donne la temporisation.
Puis apparemment cette position "normale" est à peu près la même pour tous les J8S, soit un peu moins de la moitié des graduations.
Mais les graduations peuvent bouger dans le combiné: la "déco" tient par deux pins... j'ai ouvert le combiné de ph2 que je voudrais monter, et la partie température moteur a justement son aiguille qui n'est pas au mini de la graduation, un peu au dessus. Je vais tenter d'échanger cette partie avec celle prise sur un autre combiné de ph2 dont les connecteurs arrière sont cassés... c'est modulaire ce montage!
Re: Remise en route d'un Espace II J8S 1994
Posté : 08 juin 2023, 16:04
par Sigma
Bonjour
aujourd'hui j'ai testé le nouveau compteur de ph2, dont j'ai fini par remplacer la partie T° moteur parce que l'aiguille n'était pas à zéro... comme j'ai un autre compteur de ph2 martyr c'était parfait. Très simple à faire.
Je pensais galérer à passer le tuyau pour raccorder le mano turbo mais ça a été assez simple aussi. J'ai utilisé l'un des bouchons disponibles dans le trou où passe le cable de tirette capot, et enquillé à l'aveugle mon tuyau (orange pour bien le repérer)... côté habitacle ça a été facile le le voir et de le chopper.
Voilà la tête de la partie T° moteur, difficile de faire plus analogique

:
Bon, je pensais que la vibration de l'aiguille de vitesse venait peut être du vieux compteur en place dans la voiture à l'origine, mais avec le nouveau c'est pareil. Même en ayant copieusement rincé le cable d'origine avec de la 3en1...
Donc je pars pour changer ce cable et le remplacer par le SEIM 501520...
Assez simple de déposer le cable d'origine, j'ai juste dû virer toute la mousse de protection pour le tirer...
Mais le cable SEIM ne rentre pas dans la boite!
Pas de bol je l'ai acheté il y a trop longtemps pour faire un retour à oscaro, d'ailleurs il a déja été monté: le torique côté boite est déja craquelé et il y a des traces grasses pas nettes sur le carré mâle au déballage. Un classique de ce magasin: des mecs commandent des pièces, les dépouillent, les maquillent et les renvoient pour être remboursés. Côté magasin ils ne regardent même pas et remettent en vente. Très honnète comme pratique commerciale!
Il est aussi assez bizarre: si on appuie sur le carré mâle côté boite ça s'enfonce et ça sort côté compteur... si on le tire de ce côté y a tout qui vient. En tout cas pas moyen de rentrer le connecteur dans la boite c'est un chouilla trop gros...
Super! Donc remontage de l'ancien cable, et protection sur une grande longueur avec une durit silicone fendue + rizlans...
Un bidule est sorti du cable d'origine quand je l'ai démonté en entier, côté boite:
Vu la gueule du machin je me suis pris à espérer que c'était ça qui coinçait un peu la rotation... mais après test c'est autre chose.
Quand on roule si on met la main sur le cable (j'ai la demi coquille inférieure toujours déposée) on sent un à coup régulier, qui correspond au tressaillement de l'aiguille.
Bref ça me gave ces cables adaptables merdiques. J'aurais bien voulu changer le vieux cable qui a dû prendre cher en frottant contre le support de boite.
Auriez-vous une autre réf que ce SEIM de merde à me conseiller (pour ma part c'est définitivement fini avec cette marque !)?
Ou un cable d'origine d'occasion mais qui fonctionne encore?
Merci d'avance!
Décidément monter et démonter pour encore remonter... ça n'en finit pas!
Sinon c'est très chouette le compte tour et le mano turbo! à 80km/h (vibrants) le compte tour est à 2000T en 5è, ça vous parait étalonné?
Il monte à peine plus haut à 90.
Re: Remise en route d'un Espace II J8S 1994
Posté : 08 juin 2023, 17:34
par Sigma
J'ai trouvé une ref chez Lecoy, donc pour Espace I (ref 6025002131): LECOY C438 longueur 1520mm (normalement pour mon II c'est 1585, mais testé la longueur avec le SEIM qui fait aussi 1520mm et ça marche à ce niveau).
Mais comme le SEIM 501520 était aussi donné pour Espace I, j'ai un doute sur la compatibilité. Normalement les I ont aussi eu les boites NG3 comme mon II... donc il ne devrait pas y avoir de souci de dimension pour la connexion à la boite

Re: Remise en route d'un Espace II J8S 1994
Posté : 08 juin 2023, 23:43
par Astronaute
Salut
Sigma ,
Décidément monter et démonter pour encore remonter... ça n'en finit pas!
Sinon c'est très chouette le compte tour et le mano turbo! à 80km/h (vibrants) le compte tour est à 2000T en 5è, ça vous parait étalonné?
Il monte à peine plus haut à 90.
En 1995, j'ai décidé de monter un compte tours sur mon Espace 2 finition de base (RN) car à l'époque en 1993, l'option compte tours était à deux briques. J'ai donc récupéré un combiné instruments sur une Névada (pas turbo) et je me suis mis à l'installer. Pas de problème pour le câblage le fil provenant de l'alternateur était en place. Donc ça marchait, mais côté étalonnage ce n'était pas correct.
Les compte tours pour J8S, ont un potentiomètre de réglage.

- Compte-tours Véglia.
À l'époque j'étais allé chez Renault, compte-tours ouvert, et j'ai demandé très gentiment, si je pouvais régler le compte tours.
Ils avaient un genre de banc de réglage avec prise piézo-électrique sur tube d'injection et un écran qui affichait la vitesse moteur et en deux minutes, à 2000, 3000 et 4000 tours minutes j'ai pu régler l'affichage du compte tours à la vitesse que donnait l'écran.
Quand j'y repense, je ne sais pas trop comment on serait reçu aujourd’hui...
Donc le problème, c'est de connaître la vitesse de rotation moteur pour régler le compte-tours. Si tu as un détecteur piézo-électrique c'est facile, une injection pour deux tours.
Cordialement.
Astronaute.
Re: Remise en route d'un Espace II J8S 1994
Posté : 09 juin 2023, 09:07
par Sigma
Bonjour
merci Astronaute pour les infos!
J'ai bien un petit module compte tour pour moteurs essence (2T et 4T) il fonctionne par induction: captation autour d'un fil de bougie.
Cependant sur le TD je ne vois pas où poser un capteur, ça marche pour les essences mais sur diesel à l'ancienne évidemment ça n'est pas adapté.
Mais je n'ai pas de capteur piezo, quoique ça doit être simple à bricoler.
Cela dit mon compte tour doit être moins décalé que le tien à la base car venant d'un autre Espace en J8S, je ne sais pas si les versions à clim qui ont un alternateur plus gros envoient une info différente des modèles à petit alternateur.
Je tenterai une mesure accoustique, voir si j'arrive à isoler la fréquence du moteur.
Ensuite je ne vois pas comment détacher la nappe du PCB souple qui se fixe derrière le PCB rigide, donc je n'ai pas totalement déposé cette partie quand j'ai fait mon échange de module température.
Sur ton image il me semble voir un connecteur blanc à 90°, mais le montage me semble un peu différent sur celui que j'ai monté: vu de derrière la nappe passe sous le pcb rigide et il y a comme des sertissages métal de chaque côté... donc pas essayé de forcer là dessus sans accès clair au branchement.
Aussi mon module TDB contient aussi le mano de turbo sous le compte tour, ce n'est pas exactement le même que toi.
Ensuite vu le modèle d'ajustable... les comptes tours de tous les Espaces doivent être à reprendre aujourd'hui...
Re: Remise en route d'un Espace II J8S 1994
Posté : 09 juin 2023, 10:15
par Sigma
Concernant mon souci de sautillement de l'aiguille de vitesse, j'ai trouvé un schéma de cette partie sur boite NG3 095...
J'ai lu quelques trucs qui parlent de remplacement du pignon de tachy c'est la pièce 20:
ou pièce 14 ici:
edit: j'ai l'impression que ce pignon est en plastique, je n'en trouve pas à 22 dents, mais je vois ceux des Jeeps... plastique!
Mais on ne voit pas plus de détails de cette partie, notemment le carré mâle précisément.
La rondelle plastique/caoutchouc dur qui est sortie hier ne correspond pas à la taille du joint de tachy côté boite, le truc écrasé est beaucoup plus petit moins de 10mm de diam.
J'espère que ce n'est pas ça le problème... je préfère quand même croire à la gaine du cable d'origine abimée, il y a un trou visible au niveau du passage au dessus du support de boite... donc sable ou corrosion à l'intérieur. Ce qui sera simple à vérifier avec un cable neuf montable.
Mais je me pose quand même des questions:
Hier j'avais vu un truc étrange à intérieur du carré femelle côté boite: il m'a semblé voir une sorte d'axe enfiché à l'intérieur de ce carré à environ 5mm du raz du carré femelle. Pas évident à clairement identifier couché sous la voiture avec lampe de poche et miroir... et le reste d'huile suite à ma souflette côté récupérateur de vapeurs qui dégouline dans les yeux.
Mais le haut de cet "axe" est bien net et plat, pas du métal cassé, et il semble vraiment rond. Donc peut être pas le reste d'un ancien carré mâle cassé à l'intérieur.
Le cable SEIM devait être desserti quelque part, probablement côté compteur, parce que le cable lui même peut sortir entièrement côté compteur, donc j'avais fait le montage côté boite après l'avoir fixé au compteur (l'idée était de bloquer le cable dans le compteur pour assurer que le carré mâle soit bien proéminent côté boite), sauf que ça a été impossible de connecter à fond côté boite.
Du coup je me demande si c'est:
- une erreur d'avoir un truc à l'intérieur du carré femelle
- le carré mâle du cable SEIM trop long
- le diamètre externe du connecteur SEIM trop large
Je n'ai pas essayé de forcer comme un âne pour sur cette connexion: le carré femelle me parait bien fin et fragile... mais peut être que ce truc à l'intérieur est un genre de poussoir pour assurer que le cable soit bien repoussé vers le compteur une fois inséré dans le carré boite?
Re: Remise en route d'un Espace II J8S 1994
Posté : 09 juin 2023, 10:34
par Sigma
D'ailleurs pour tester, je crois que je vais lever la voiture, brancher un nouveau cable côté boite et poser un compteur par terre...
Si ça vibre toujours ça sera le pignon, et ça m'évitera d'avoir à déposer/reposer encore ce cable!
Re: Remise en route d'un Espace II J8S 1994
Posté : 09 juin 2023, 12:38
par EAime
A 80, je suis à 2 000 Tr/mn,
A 90, je suis à +/- 2 300 Tr/mn

Re: Remise en route d'un Espace II J8S 1994
Posté : 09 juin 2023, 12:57
par Sigma
Merci Eric! Pile pareil que chez moi!
Mais du coup, avec ton DTV tu dois avoir une boite courte, donc il devrait y avoir une différence de régime moteur entre le tien et le mien à vitesse égale, non?
Re: Remise en route d'un Espace II J8S 1994
Posté : 09 juin 2023, 14:06
par Sigma
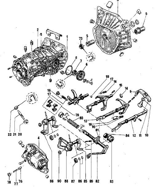
Trouvé une vue du pignon de tachy dans la NG3 (ici une version pour R18, donc nombre de dents différente sur les Espaces):
Par contre impossible de trouver une vue pile en face de l'axe carré femelle... je voudrais vérifier si le truc que j'ai vu chez moi est normal.
Si ça ne s'enfonce pas, ça veut dire que le carré male ne peut pas rentrer plus que 5mm et quelques dans le carré femelle... c'est peu vu la longueur mâle qui sort du cable SEIM, alors que mon cable d'origine sort beaucoup moins (mais a peut être été "modifié" suite à une connerie d'un garagiste qui aurait inséré un truc sans pouvoir le virer dans le carré femelle

).
Ah la parano méca avec cette caisse n'a plus aucune limite!
Re: Remise en route d'un Espace II J8S 1994
Posté : 09 juin 2023, 14:45
par TheStone
Sigma a écrit : 09 juin 2023, 14:06
.............................
Ah la parano méca avec cette caisse n'a plus aucune limite!

..... c'est bien d'en être encore conscient après tout ce temps et les 26 pages de ce fil

Re: Remise en route d'un Espace II J8S 1994
Posté : 09 juin 2023, 14:46
par Sigma
Bah oui, la moindre vis est suspecte à mes yeux...
Vue côté boite du SEIM, en l'ayant poussé à fond de ce côté vu qu'il glisse dans la gaine à volonté...
Celui qui est monté dans la voiture doit dépasser de 1/3 seulement par rapport au SEIM, et il ne glisse pas dans sa gaine, lui.
Je pense aussi à une "réparation" de l'axe d'entrainement du pignon... ce qui expliquerait la présence du "truc" cylindrique à l'intérieur du carré femelle...
Re: Remise en route d'un Espace II J8S 1994
Posté : 09 juin 2023, 14:58
par TheStone
Sigma a écrit : 09 juin 2023, 12:57
......................
Mais du coup, avec ton DTV tu dois avoir une boite courte,
.... ah bon, pourquoi

Re: Remise en route d'un Espace II J8S 1994
Posté : 09 juin 2023, 15:57
par Sigma
C'est ce que j'ai pigé des DTV: ils ont plus de "puissance" annoncée, mais c'est réalisé en réduisant un peu les rapports sur la boite.
Quelqu'un avait expliqué ça dans un vieux sujet sur le forum (faut que je le retrouve, y en a pas mal

).
c'était CamionRouge:
camion rouge a écrit : 22 août 2018, 18:21
Salut
Effectivement, les boites des td et des dtv sont differentes !
NG3 095 pour les td
NG3 099 pour les dtv
Les 4 cv din supplementaires sont repartis sur tous les rapports du dtv !
Re: Remise en route d'un Espace II J8S 1994
Posté : 09 juin 2023, 16:21
par EAime
Effectivement, il semble que les rapports de boite entre le DT et le DTV sont différents, mais je crois que cela ne concernes que les premiers rapports.
Je n'ai pas la RTA sous les yeux pour confirmer.
Re: Remise en route d'un Espace II J8S 1994
Posté : 10 juin 2023, 12:40
par Sigma
Bonjour
je n'ai pas trouvé les infos sur la pignonnerie des 095 et 099 pour vérifier ça...
Mais ça semble plus logique qu'en effet ça ne soit que les premiers rapports qui diffèrent. Pour plus "arracher" au démarrage
De mon côté, pas moyen de ramper sous la caisse à cause de la pluie. J'ai bien fait de me grouiller à bidouiller la distri et la pompe DA dans la petite fenêtre de temps sec qu'il y a eu...
En attendant je cherche toujours une photo claire en face du carré femelle de tachy côté boite pour comparer à ce que j'ai entrevu sur ma boite.
J'ai trouvé une photo du carré male sur un autre SEIM (la version à faisceau pour moteur essence) et même si ces images ne sont pas "contractuelles" on voit clairement que le carré en question dépasse beaucoup moins que sur le SEIM que j'ai essayé de monter.
Là ça ressemble déja plus à ce qui dépasse du vieux cable d'origine monté sur la voiture:

- Capture d’écran_2023-06-10_12-30-52.png (15.96 Kio) Vu 2682 fois
Re: Remise en route d'un Espace II J8S 1994
Posté : 10 juin 2023, 18:09
par grostoto
si tu pouvais envoyer de la flotte, ça m'arrangerais grandement (Eure et loir), au moins 3 semaines que j'en ai pas vu.