Bonjour,
je suis en train de faire ma distribution et je constate que la boite de mon calorstat comprends 2 joints ... le premier est évident , il se positionne autour du calorstat mais le deuxieme l'est bcp moins...
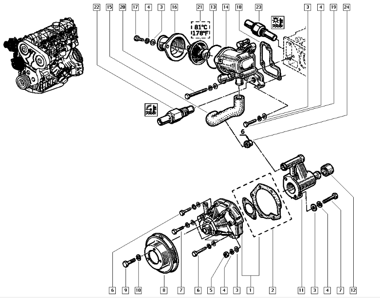
Sur la RTA, on voit une vu éclatée et il se positionne derriere c'est à dire du moteur vers le radiateur , or ça ne me semble pas évident.
Quelqu'un peut il confirmer ou infirmer ?
Merci
Largeur de courroie de distribution
Modérateur : Equipe du site
- Sigma
- Fou (folle) du volant

- Messages : 1662
- Enregistré le : 11 août 2022, 19:21
- : : :
- Modèle : [Espace II 2.1 TD]
- Finition : Base
- Année : 1994
- : : :
- : : :
- Localisation : en dérapage
Re: Largeur de courroie de distribution
Salut
il doit y avoir un joint en rab, normalement il en faut un seul qui se pose bien sur la jupe du calorstat:
il doit y avoir un joint en rab, normalement il en faut un seul qui se pose bien sur la jupe du calorstat:
Renault Espace II RN J8S 1994 301000Km (le Sapin de noël), CG véhicule collection depuis le 09/2024 
-
ispace
- Conduite accompagnée

- Messages : 102
- Enregistré le : 19 août 2009, 02:29
- : : :
- Modèle : [Espace II 2.1 TDV]
- Finition : Alizé
- Année : 1996
- : : :
- : : :
Re: Largeur de courroie de distribution
Salut Sigma,
en pièce jointe il y a une image de calorstat de marque Febi (la meme que valéo).
On y voit le joint sur la "jupe" et un second de disponible ...
Je ne sais pas où le placer
en pièce jointe il y a une image de calorstat de marque Febi (la meme que valéo).
On y voit le joint sur la "jupe" et un second de disponible ...
Je ne sais pas où le placer
- Sigma
- Fou (folle) du volant

- Messages : 1662
- Enregistré le : 11 août 2022, 19:21
- : : :
- Modèle : [Espace II 2.1 TD]
- Finition : Base
- Année : 1994
- : : :
- : : :
- Localisation : en dérapage
Re: Largeur de courroie de distribution
Salut
selon les docs ce torique n'a aucun usage. Je ne l'ai vu nulle part.
Sur l'image que j'ai posté la pièce 13 c'est le joint du calorstat, pas de torique en vue.
D'ailleurs quand j'ai changé le calorstat sur mon 2 j'avais trouvé une pièce d'origine Renault neuve et il n'était pas présent dans la boite.
Donc montage "normal" avec le joint de jupe et c'est ok.
La seule modif que j'ai fait c'est percer 2x2mm dans la jupe, histoire d'avoir toujours un peu de circulation de LDR.
selon les docs ce torique n'a aucun usage. Je ne l'ai vu nulle part.
Sur l'image que j'ai posté la pièce 13 c'est le joint du calorstat, pas de torique en vue.
D'ailleurs quand j'ai changé le calorstat sur mon 2 j'avais trouvé une pièce d'origine Renault neuve et il n'était pas présent dans la boite.
Donc montage "normal" avec le joint de jupe et c'est ok.
La seule modif que j'ai fait c'est percer 2x2mm dans la jupe, histoire d'avoir toujours un peu de circulation de LDR.
Renault Espace II RN J8S 1994 301000Km (le Sapin de noël), CG véhicule collection depuis le 09/2024 
-
ispace
- Conduite accompagnée

- Messages : 102
- Enregistré le : 19 août 2009, 02:29
- : : :
- Modèle : [Espace II 2.1 TDV]
- Finition : Alizé
- Année : 1996
- : : :
- : : :
Re: Largeur de courroie de distribution
Super!
merci Sigma !
merci Sigma !
