
FEUX DE POSITION
Modérateur : Equipe du site
-
- Passager(ère)
- Messages : 35
- Enregistré le : 28 août 2018, 19:44
- : : :
- Modèle : [Espace III 2.2 DCI 130]
- Finition : Base
- Année : 2001
- : : :
- : : :
- Localisation : Bretagne
FEUX DE POSITION
Bonsoir;pas de probleme ,depuis 2ans,mais aujourd'hui petit soucie ,les feux de position ne veule plus c'éteindre,je suis obligé de coupe la batterie,avez vous une solution;merci ,mon Espace III DC 2001.kM 278.000 

-
- Fou (folle) du volant
- Messages : 3976
- Enregistré le : 04 sept. 2016, 15:57
- : : :
- Modèle : [Espace IV 2.0 T 165 BVM]
- Finition : Privilège
- Année : 2004
- : : :
- : : :
Re: FEUX DE POSITION
Problème de relais qui reste collé probablement.
Mais je ne sais pas où celui ci est localisé
Mais je ne sais pas où celui ci est localisé
-
- Fou (folle) du volant
- Messages : 1903
- Enregistré le : 04 juil. 2013, 11:43
- : : :
- Modèle : [Espace III 2.2 DCI 130]
- Finition : The Race
- Année : 2002
- : : :
- 2ème modèle : [Espace II 2.1 TD]
- finition : Grand Ecran
- Année : 1992
- : : :
- Localisation : Lillebonne, Haute Normandie
Re: FEUX DE POSITION
Autre solution : convertir toutes ces loupiottes en LED, consommation réduite, et avec la batterie du Diesel, çà tient la semaine sans souci... il faudra tout de même chercher le relais... mais il ne doit pas y avoir 40 fusibles pour protéger le circuit... ne serait-il pas plus simple de l'enlever ?
le commodo est OK ?...
as-tu regardé sous les pieds du passager ?
le commodo est OK ?...
as-tu regardé sous les pieds du passager ?
Espace 3 phase 2 2.2 DCi 130 "The Race" / 220000 km
en remplacement d'un Espace 2 TD "Grand Ecran"7 430000 km
BMW R75/6 carénage MBv plus de 500000 km, je les ai tous faits !
et des tas de km en CX Tissier Bagagère Hollander France, en Simca 1000, Ford Fiesta et Escort
en Volvo 740 aussi ( mais je ne la regrette pas ! )
en remplacement d'un Espace 2 TD "Grand Ecran"7 430000 km
BMW R75/6 carénage MBv plus de 500000 km, je les ai tous faits !
et des tas de km en CX Tissier Bagagère Hollander France, en Simca 1000, Ford Fiesta et Escort
en Volvo 740 aussi ( mais je ne la regrette pas ! )
- EAime
- Fou (folle) du volant
- Messages : 20180
- Enregistré le : 14 mars 2008, 14:07
- : : :
- Modèle : [N'a plus d'Espace]
- Finition : TXE
- Année : 1989
- : : :
- 2ème modèle : [N'a plus d'Espace]
- finition : RXE
- Année : 1991
- : : :
- 3ème modèle : [Espace III V6]
- Finition : RXT
- Année : 1998
- Localisation : La Rochelle
Re: FEUX DE POSITION
Hector a écrit : 30 janv. 2022, 19:28 Autre solution : convertir toutes ces loupiottes en LED, consommation réduite, et avec la batterie du Diesel, çà tient la semaine sans souci... il faudra tout de même chercher le relais... mais il ne doit pas y avoir 40 fusibles pour protéger le circuit... ne serait-il pas plus simple de l'enlever ?
le commodo est OK ?...
as-tu regardé sous les pieds du passager ?
Oui, des fois que ce soit humide..
Renault Vel Satis Ph2 3.5L V6 Initiale 2006 - Gris Platine - 266 000km
Renault Espace "3" RXT 3.0 V6 PRV 1998 - Gris Titane - 157 000km
Renault Espace "1" TXE 1989 - Bleu Mandchourie - 245 000km - Offerte Téléthon 2019
Renault Espace "2" 2.8L V6 RXE - 1991 - Gris Rafale - 216 000km C.G. Collection 12/2021
Renault Espace "2" 2.1Dtv - 1997 - Bleu Impérial - 124 000km
Renault Espace "4" 2.0T / 170CV Initiale 2005 - Gris Platine - 214 000km
Toyota Yaris 1.5 Hybride Lounge - 2011 - Pack VIP - 106 000km. J'adore !
BMW R850 RT - 2003 - Bleu Biarritz - 128 000km. Du bonheur !
****Je ne réponds pas aux questions techniques envoyées par MP****
_______________________________________
"Ah ! Quand elles ont la tête comme ça, rentrée dans les épaules, c'est qu'elles sont pas contentes !" (Coluche)

Renault Espace "3" RXT 3.0 V6 PRV 1998 - Gris Titane - 157 000km
Renault Espace "1" TXE 1989 - Bleu Mandchourie - 245 000km - Offerte Téléthon 2019

Renault Espace "2" 2.8L V6 RXE - 1991 - Gris Rafale - 216 000km C.G. Collection 12/2021

Renault Espace "2" 2.1Dtv - 1997 - Bleu Impérial - 124 000km

Renault Espace "4" 2.0T / 170CV Initiale 2005 - Gris Platine - 214 000km

Toyota Yaris 1.5 Hybride Lounge - 2011 - Pack VIP - 106 000km. J'adore !

BMW R850 RT - 2003 - Bleu Biarritz - 128 000km. Du bonheur !

****Je ne réponds pas aux questions techniques envoyées par MP****
_______________________________________
"Ah ! Quand elles ont la tête comme ça, rentrée dans les épaules, c'est qu'elles sont pas contentes !" (Coluche)
-
- Fou (folle) du volant
- Messages : 1903
- Enregistré le : 04 juil. 2013, 11:43
- : : :
- Modèle : [Espace III 2.2 DCI 130]
- Finition : The Race
- Année : 2002
- : : :
- 2ème modèle : [Espace II 2.1 TD]
- finition : Grand Ecran
- Année : 1992
- : : :
- Localisation : Lillebonne, Haute Normandie
Re: FEUX DE POSITION
comment dire ... dans une auto, peu d'endroits moins sûrs que cette cuvette sous les pieds du passager... qui a eu l'idée de coller là un lot de petits machins électriques ? mystère... mais son nom mériterai d'être connu !
entre les relais pattes en l'air juste derrière la calandre et la piscine passager... pas bien !
pour les lampes LED, je confirme, j'ai les mêmes "à la maison" ! ( achetées chez Wish ( pub gratuite...Hélàs )).
entre les relais pattes en l'air juste derrière la calandre et la piscine passager... pas bien !
pour les lampes LED, je confirme, j'ai les mêmes "à la maison" ! ( achetées chez Wish ( pub gratuite...Hélàs )).
Espace 3 phase 2 2.2 DCi 130 "The Race" / 220000 km
en remplacement d'un Espace 2 TD "Grand Ecran"7 430000 km
BMW R75/6 carénage MBv plus de 500000 km, je les ai tous faits !
et des tas de km en CX Tissier Bagagère Hollander France, en Simca 1000, Ford Fiesta et Escort
en Volvo 740 aussi ( mais je ne la regrette pas ! )
en remplacement d'un Espace 2 TD "Grand Ecran"7 430000 km
BMW R75/6 carénage MBv plus de 500000 km, je les ai tous faits !
et des tas de km en CX Tissier Bagagère Hollander France, en Simca 1000, Ford Fiesta et Escort
en Volvo 740 aussi ( mais je ne la regrette pas ! )
-
- Passager(ère)
- Messages : 35
- Enregistré le : 28 août 2018, 19:44
- : : :
- Modèle : [Espace III 2.2 DCI 130]
- Finition : Base
- Année : 2001
- : : :
- : : :
- Localisation : Bretagne
Re: FEUX DE POSITION
Merci pour vos réponse,je vais vérifier demain; bonne soirée ;
-
- Fou (folle) du volant
- Messages : 3846
- Enregistré le : 11 avr. 2012, 20:22
- : : :
- Modèle : [Grand Espace III 2.2 DCI 115]
- Finition : Expression
- Année : 2002
- : : :
- : : :
- Finition :
- Année : [Autre véhicule]
- Localisation : 78 Yvelines
Re: FEUX DE POSITION
Il n'y a pas de relais pour les feux de positions. Je pense qu'il faut regarder côté commodo. Les fusibles 10 A sont aux pieds du passager, il y en a deux D et G (F1/F2).Wutch a écrit : 30 janv. 2022, 18:50 Problème de relais qui reste collé probablement.
Mais je ne sais pas où celui ci est localisé
Espace III 2.2 DCI Expression rallongé Année 2002 332 000 km réels, moteur changé à 8 000 km.
115 CV et 290 Nm passé à 136 CV et 350 Nm avec boîtier additionnel.
Arkana full hybride 145 Engenered
ZOE R110 50 kw
115 CV et 290 Nm passé à 136 CV et 350 Nm avec boîtier additionnel.
Arkana full hybride 145 Engenered
ZOE R110 50 kw
-
- Conduite accompagnée
- Messages : 115
- Enregistré le : 19 juil. 2019, 21:18
- : : :
- Modèle : [Espace III 2.2 DCI 115]
- Finition : Authentique
- Année : 2002
- : : :
- finition :
- : : :
- Localisation : Loire Atlantique
Re: FEUX DE POSITION
Bonjour,
A tout hasard, tu n'aurais pas une fuite de liquide de refroidissement?
Moi, j'ai eu le cas , mes feux de croisement restaient allumés en permanence, voire même s'allumaient tout seuls!
La cause, fuite du radiateur de chauffage interne côté passager et le liquide coulait sous les pieds du passager, et faisait "baigner" dans le jus mes connexions électriques...
Sinon, la boite de relais est à l'avant gauche sous le capot.
Bonne journée
Erwan
A tout hasard, tu n'aurais pas une fuite de liquide de refroidissement?
Moi, j'ai eu le cas , mes feux de croisement restaient allumés en permanence, voire même s'allumaient tout seuls!
La cause, fuite du radiateur de chauffage interne côté passager et le liquide coulait sous les pieds du passager, et faisait "baigner" dans le jus mes connexions électriques...
Sinon, la boite de relais est à l'avant gauche sous le capot.
Bonne journée
Erwan
WAWAN
-
- Fou (folle) du volant
- Messages : 3976
- Enregistré le : 04 sept. 2016, 15:57
- : : :
- Modèle : [Espace IV 2.0 T 165 BVM]
- Finition : Privilège
- Année : 2004
- : : :
- : : :
Re: FEUX DE POSITION
Ah ok. Etonnant que ce ne soit pas relayé sur une voiture de cette génération.yves78 a écrit : 30 janv. 2022, 23:41Il n'y a pas de relais pour les feux de positions. Je pense qu'il faut regarder côté commodo. Les fusibles 10 A sont aux pieds du passager, il y en a deux D et G (F1/F2).Wutch a écrit : 30 janv. 2022, 18:50 Problème de relais qui reste collé probablement.
Mais je ne sais pas où celui ci est localisé
Merci de la précision.
- EAime
- Fou (folle) du volant
- Messages : 20180
- Enregistré le : 14 mars 2008, 14:07
- : : :
- Modèle : [N'a plus d'Espace]
- Finition : TXE
- Année : 1989
- : : :
- 2ème modèle : [N'a plus d'Espace]
- finition : RXE
- Année : 1991
- : : :
- 3ème modèle : [Espace III V6]
- Finition : RXT
- Année : 1998
- Localisation : La Rochelle
Re: FEUX DE POSITION
Ce à quoi je pensais !WAWAN a écrit : 31 janv. 2022, 06:37 Bonjour,
A tout hasard, tu n'aurais pas une fuite de liquide de refroidissement?
Moi, j'ai eu le cas , mes feux de croisement restaient allumés en permanence, voire même s'allumaient tout seuls!
La cause, fuite du radiateur de chauffage interne côté passager et le liquide coulait sous les pieds du passager, et faisait "baigner" dans le jus mes connexions électriques...
Sinon, la boite de relais est à l'avant gauche sous le capot.
Bonne journée
Erwan

Renault Vel Satis Ph2 3.5L V6 Initiale 2006 - Gris Platine - 266 000km
Renault Espace "3" RXT 3.0 V6 PRV 1998 - Gris Titane - 157 000km
Renault Espace "1" TXE 1989 - Bleu Mandchourie - 245 000km - Offerte Téléthon 2019
Renault Espace "2" 2.8L V6 RXE - 1991 - Gris Rafale - 216 000km C.G. Collection 12/2021
Renault Espace "2" 2.1Dtv - 1997 - Bleu Impérial - 124 000km
Renault Espace "4" 2.0T / 170CV Initiale 2005 - Gris Platine - 214 000km
Toyota Yaris 1.5 Hybride Lounge - 2011 - Pack VIP - 106 000km. J'adore !
BMW R850 RT - 2003 - Bleu Biarritz - 128 000km. Du bonheur !
****Je ne réponds pas aux questions techniques envoyées par MP****
_______________________________________
"Ah ! Quand elles ont la tête comme ça, rentrée dans les épaules, c'est qu'elles sont pas contentes !" (Coluche)

Renault Espace "3" RXT 3.0 V6 PRV 1998 - Gris Titane - 157 000km
Renault Espace "1" TXE 1989 - Bleu Mandchourie - 245 000km - Offerte Téléthon 2019

Renault Espace "2" 2.8L V6 RXE - 1991 - Gris Rafale - 216 000km C.G. Collection 12/2021

Renault Espace "2" 2.1Dtv - 1997 - Bleu Impérial - 124 000km

Renault Espace "4" 2.0T / 170CV Initiale 2005 - Gris Platine - 214 000km

Toyota Yaris 1.5 Hybride Lounge - 2011 - Pack VIP - 106 000km. J'adore !

BMW R850 RT - 2003 - Bleu Biarritz - 128 000km. Du bonheur !

****Je ne réponds pas aux questions techniques envoyées par MP****
_______________________________________
"Ah ! Quand elles ont la tête comme ça, rentrée dans les épaules, c'est qu'elles sont pas contentes !" (Coluche)
-
- Fou (folle) du volant
- Messages : 3846
- Enregistré le : 11 avr. 2012, 20:22
- : : :
- Modèle : [Grand Espace III 2.2 DCI 115]
- Finition : Expression
- Année : 2002
- : : :
- : : :
- Finition :
- Année : [Autre véhicule]
- Localisation : 78 Yvelines
Re: FEUX DE POSITION
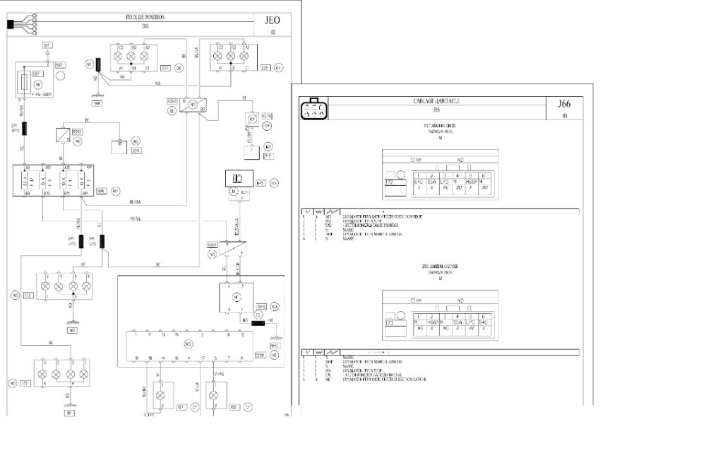
Non le circuit des feux de positions ne passe pas par la boite à relais de l'aile gauche.(voir schéma)
Quand l'alimentation arrive de B1 du commodo (219) passant par B2 qui va à la batterie (107).
Quand l'alimentation arrive de B1 du commodo (219) passant par B2 qui va à la batterie (107).
Espace III 2.2 DCI Expression rallongé Année 2002 332 000 km réels, moteur changé à 8 000 km.
115 CV et 290 Nm passé à 136 CV et 350 Nm avec boîtier additionnel.
Arkana full hybride 145 Engenered
ZOE R110 50 kw
115 CV et 290 Nm passé à 136 CV et 350 Nm avec boîtier additionnel.
Arkana full hybride 145 Engenered
ZOE R110 50 kw
- pub2n
- Site Admin
- Messages : 25052
- Enregistré le : 13 août 2007, 14:23
- : : :
- Modèle : [Grand Espace III 2.2 DT]
- Finition : RXE
- Année : 1999
- : : :
- 2ème modèle : [Grand Espace III V6-24]
- finition : Privilège
- Année : 2001
- : : :
- 3ème modèle : [N'a plus d'Espace]
- Finition : TurboD
- Année : 1989
- Localisation : Quelque part entre les hermines et Brocéliande
Re: FEUX DE POSITION
Bonjour,
Pistes possibles :
- B2i ou connectique souillés par du liquide aux pieds du passager
- commodo défectueux
- et pour rajouter une piste : prise d'attelage ayant pris la flotte !
Pistes possibles :
- B2i ou connectique souillés par du liquide aux pieds du passager
- commodo défectueux
- et pour rajouter une piste : prise d'attelage ayant pris la flotte !
-
- Fou (folle) du volant
- Messages : 3846
- Enregistré le : 11 avr. 2012, 20:22
- : : :
- Modèle : [Grand Espace III 2.2 DCI 115]
- Finition : Expression
- Année : 2002
- : : :
- : : :
- Finition :
- Année : [Autre véhicule]
- Localisation : 78 Yvelines
Re: FEUX DE POSITION
+1 si il y a un + bat à la prise.
J'ai refait la prise d'attelage qui pourtant pas de problème d'alimentation. Elle a morflé sérieusement à couper les fils tellement certaines vis étaient rouillées.
Mais il faut absolument voir aussi du côté du BII ou fusibles. Les radiateurs tôt ou tard ça goutte avec la contrainte planche de bord/tablier. A un moment les sertis radiateur cèdent.
D'ailleurs je suis bien curieux du process montage radiateur, planche de bord et plaque tablier en fabrication ? Il y a quelque chose qui me chagrine conception/process montage j'ai vu ça quand j'ai fait les miens.
J'ai refait la prise d'attelage qui pourtant pas de problème d'alimentation. Elle a morflé sérieusement à couper les fils tellement certaines vis étaient rouillées.
Mais il faut absolument voir aussi du côté du BII ou fusibles. Les radiateurs tôt ou tard ça goutte avec la contrainte planche de bord/tablier. A un moment les sertis radiateur cèdent.
D'ailleurs je suis bien curieux du process montage radiateur, planche de bord et plaque tablier en fabrication ? Il y a quelque chose qui me chagrine conception/process montage j'ai vu ça quand j'ai fait les miens.
Espace III 2.2 DCI Expression rallongé Année 2002 332 000 km réels, moteur changé à 8 000 km.
115 CV et 290 Nm passé à 136 CV et 350 Nm avec boîtier additionnel.
Arkana full hybride 145 Engenered
ZOE R110 50 kw
115 CV et 290 Nm passé à 136 CV et 350 Nm avec boîtier additionnel.
Arkana full hybride 145 Engenered
ZOE R110 50 kw
-
- Fou (folle) du volant
- Messages : 2044
- Enregistré le : 23 sept. 2011, 19:52
- : : :
- Modèle : [Espace III 2.2 DT]
- Finition : Initiale
- Année : 2000
- : : :
- 2ème modèle : [Grand Espace III V6-24]
- finition : Initiale
- Année : 2001
- : : :
- Localisation : Toulon
Re: FEUX DE POSITION
Salut Yvesyves78 a écrit : 31 janv. 2022, 14:25 +1 si il y a un + bat à la prise.
J'ai refait la prise d'attelage qui pourtant pas de problème d'alimentation. Elle a morflé sérieusement à couper les fils tellement certaines vis étaient rouillées.
Mais il faut absolument voir aussi du côté du BII ou fusibles. Les radiateurs tôt ou tard ça goutte avec la contrainte planche de bord/tablier. A un moment les sertis radiateur cèdent.
D'ailleurs je suis bien curieux du process montage radiateur, planche de bord et plaque tablier en fabrication ? Il y a quelque chose qui me chagrine conception/process montage j'ai vu ça quand j'ai fait les miens.
Regarde a partir de 36mn 30s
https://www.youtube.com/watch?v=WroC12qckHA
EspaceIII Initiale 255000km de 2000 2.2td vendu le 12/05/17
EspaceIII Initiale 185000km de 2001 long V6 L7X BA.
"Tempérament fatigué, on est né sous le soleil...."
EspaceIII Initiale 185000km de 2001 long V6 L7X BA.
"Tempérament fatigué, on est né sous le soleil...."
-
- Passager(ère)
- Messages : 35
- Enregistré le : 28 août 2018, 19:44
- : : :
- Modèle : [Espace III 2.2 DCI 130]
- Finition : Base
- Année : 2001
- : : :
- : : :
- Localisation : Bretagne
Re: FEUX DE POSITION
Merci:je n'ais pas eu le temps,aujourd'hui ,pour demain;bonne soiré et merci.
-
- Fou (folle) du volant
- Messages : 2142
- Enregistré le : 22 mai 2016, 15:55
- : : :
- Modèle : [Grand Espace IV V6 3.5]
- Finition : Initiale
- Année : 2004
- : : :
- 2ème modèle : [Grand Espace III V6-24]
- finition : Initiale
- Année : 2001
- : : :
- Localisation : sud essonne
Re: FEUX DE POSITION
ca n'est ralayé que lorsqu'il y a coupure de tous les feux lors de la coupure du contact. ce que renault ne faisait pas (meme le 4 n'a pas ca).Wutch a écrit : 31 janv. 2022, 07:56Ah ok. Etonnant que ce ne soit pas relayé sur une voiture de cette génération.yves78 a écrit : 30 janv. 2022, 23:41Il n'y a pas de relais pour les feux de positions. Je pense qu'il faut regarder côté commodo. Les fusibles 10 A sont aux pieds du passager, il y en a deux D et G (F1/F2).Wutch a écrit : 30 janv. 2022, 18:50 Problème de relais qui reste collé probablement.
Mais je ne sais pas où celui ci est localisé
Merci de la précision.
dans ce cas la, les relais servent pour commander de la puissance, ce qui n'est pas le cas des feux de position : 2*5w devant, idem derriere + idem plaque. soit 30w environ => 3A en arrondissant, un relais est inutile, couteux et generateur de panne. c'est soit le commodo, soit le B2I qui delire.
- takeo
- Sur l'autoroute
- Messages : 772
- Enregistré le : 17 oct. 2016, 21:49
- : : :
- Modèle : [Espace III 2.0 16V BVM]
- Finition : The Race
- Année : 2001
- : : :
- : : :
- Localisation : Toulouse
Re: FEUX DE POSITION
Es tu sûr que le B2I ait quelque chose à voir avec les feux de position? .. j'ai l'impression que c'est du câblage classique comme sur les anciennes voitures.. .. et puis si le B2I était impliqué il y aurait, je pense, un relai...
Je ne sais pas trop comment c'est fait mais normalement en position éteinte le commodo met les fils des ampoules à la masse .. si la masse est débranchée quelque part il peut y avoir un courant de fuite qui laisserait les feux de position allumée...
.
Espace 3 2l16V "The Race" 2001 - 150 000 km
-
- Fou (folle) du volant
- Messages : 3846
- Enregistré le : 11 avr. 2012, 20:22
- : : :
- Modèle : [Grand Espace III 2.2 DCI 115]
- Finition : Expression
- Année : 2002
- : : :
- : : :
- Finition :
- Année : [Autre véhicule]
- Localisation : 78 Yvelines
Re: FEUX DE POSITION
Non pas de mise à la masse, soit c'est coupé soit c'est alimenté. Déjà est ce que les codes s'allument et s'éteignent normalement ainsi que les pleins phares ?takeo a écrit : 01 févr. 2022, 14:12Es tu sûr que le B2I ait quelque chose à voir avec les feux de position? .. j'ai l'impression que c'est du câblage classique comme sur les anciennes voitures.. .. et puis si le B2I était impliqué il y aurait, je pense, un relai...
Je ne sais pas trop comment c'est fait mais normalement en position éteinte le commodo met les fils des ampoules à la masse .. si la masse est débranchée quelque part il peut y avoir un courant de fuite qui laisserait les feux de position allumée...
.
Espace III 2.2 DCI Expression rallongé Année 2002 332 000 km réels, moteur changé à 8 000 km.
115 CV et 290 Nm passé à 136 CV et 350 Nm avec boîtier additionnel.
Arkana full hybride 145 Engenered
ZOE R110 50 kw
115 CV et 290 Nm passé à 136 CV et 350 Nm avec boîtier additionnel.
Arkana full hybride 145 Engenered
ZOE R110 50 kw
-
- Fou (folle) du volant
- Messages : 2142
- Enregistré le : 22 mai 2016, 15:55
- : : :
- Modèle : [Grand Espace IV V6 3.5]
- Finition : Initiale
- Année : 2004
- : : :
- 2ème modèle : [Grand Espace III V6-24]
- finition : Initiale
- Année : 2001
- : : :
- Localisation : sud essonne
Re: FEUX DE POSITION
l'epoque de l'electronique de papi est revolue : pas besoin de relais pour commander 30wtakeo a écrit : 01 févr. 2022, 14:12Es tu sûr que le B2I ait quelque chose à voir avec les feux de position? .. j'ai l'impression que c'est du câblage classique comme sur les anciennes voitures.. .. et puis si le B2I était impliqué il y aurait, je pense, un relai...
Je ne sais pas trop comment c'est fait mais normalement en position éteinte le commodo met les fils des ampoules à la masse .. si la masse est débranchée quelque part il peut y avoir un courant de fuite qui laisserait les feux de position allumée...
.

le b2i est bien utilisé sur le 3, surtout sur les derniers (multiplexés), le mien m'a fait une fois un coup un peu identique en m'allumant les antibrouillards ar sans raison . ne pas oublier non plus le tableau de bord multiplexé.
par ailleurs je ne sais pas ou tu as appris ou vu que feux eteints on mettait à la masse

-
- Fou (folle) du volant
- Messages : 3846
- Enregistré le : 11 avr. 2012, 20:22
- : : :
- Modèle : [Grand Espace III 2.2 DCI 115]
- Finition : Expression
- Année : 2002
- : : :
- : : :
- Finition :
- Année : [Autre véhicule]
- Localisation : 78 Yvelines
Re: FEUX DE POSITION
Les antibrouillards AR sont gérés par le BII d'ailleurs il prend en charge tout le hayon, mais pas les feux AR.
Espace III 2.2 DCI Expression rallongé Année 2002 332 000 km réels, moteur changé à 8 000 km.
115 CV et 290 Nm passé à 136 CV et 350 Nm avec boîtier additionnel.
Arkana full hybride 145 Engenered
ZOE R110 50 kw
115 CV et 290 Nm passé à 136 CV et 350 Nm avec boîtier additionnel.
Arkana full hybride 145 Engenered
ZOE R110 50 kw
-
- Fou (folle) du volant
- Messages : 2142
- Enregistré le : 22 mai 2016, 15:55
- : : :
- Modèle : [Grand Espace IV V6 3.5]
- Finition : Initiale
- Année : 2004
- : : :
- 2ème modèle : [Grand Espace III V6-24]
- finition : Initiale
- Année : 2001
- : : :
- Localisation : sud essonne
Re: FEUX DE POSITION
j'ai pu constater ca en en demontant un. enfin en le decoupant à la disqueuse pour recuperer un faisceau pour le greffer ailleurs.yves78 a écrit : 01 févr. 2022, 23:01 Les antibrouillards AR sont gérés par le BII d'ailleurs il prend en charge tout le hayon, mais pas les feux AR.
si je ne m'abuse c'est le moteur d'essuie glace ar qui contient un demux
- pub2n
- Site Admin
- Messages : 25052
- Enregistré le : 13 août 2007, 14:23
- : : :
- Modèle : [Grand Espace III 2.2 DT]
- Finition : RXE
- Année : 1999
- : : :
- 2ème modèle : [Grand Espace III V6-24]
- finition : Privilège
- Année : 2001
- : : :
- 3ème modèle : [N'a plus d'Espace]
- Finition : TurboD
- Année : 1989
- Localisation : Quelque part entre les hermines et Brocéliande
Re: FEUX DE POSITION
C'est cela, avec 2 paramétrages : avec ou sans lunette ouvrante !fkp 94 a écrit : 02 févr. 2022, 11:07
si je ne m'abuse c'est le moteur d'essuie glace ar qui contient un demux
-
- Fou (folle) du volant
- Messages : 2142
- Enregistré le : 22 mai 2016, 15:55
- : : :
- Modèle : [Grand Espace IV V6 3.5]
- Finition : Initiale
- Année : 2004
- : : :
- 2ème modèle : [Grand Espace III V6-24]
- finition : Initiale
- Année : 2001
- : : :
- Localisation : sud essonne
Re: FEUX DE POSITION
oui avec des cablages qui ont evolués. j'ai remplacé un hayon d'un 2.2 dt de 2001 par celui d'un v6 de 2001/2002 => faisceau de coffre different car l'un avait la lunette ouvrante et pas l'autre. donc recuperation du faisceau pour implantation sur l'autre. bonjour le cadeau
