Page 1 sur 2
Moteur qui ratatouille
Posté : 24 févr. 2023, 13:02
par Marc02
Bonjour à toutes et à tous.
La Mémé qui a 34 ans une GTS 2000 phase 2, moteur J6R, me fait des soucis d'allumage.
Au ralenti, ça va, mais en accélérant, ça ne va plus.
J'ai déjà résolu un problème : de l'humidité dans la tête de delco.
Au passage, c'est super pratique à atteindre, sous la tubulure d'admission, on n'y voit pas grand chose et je me félicite d'avoir une belle collections d'embouts torx, ça m'a permis de réussir à défaire les vis. C'était bien humide là dedans, un coup de sopalin un coup de nettoie freins + de bombe à contacts et elle tourne rond. Tout s'était arrangé, mais .....
Hier, je fais le grand jeu pour changer la courroie de distri, c'est ma troisième sur l'Espace.
Depuis le temps que je ne l'avais pas fait, j'avais oublié le sens de rotation du moulin ! Avec l'aide de ma femme, un coup de démarreur et j'ai respecté le sens des flèches sur la courroie.
J'ai bien fait attention de ne rien faire bouger, je la change.
Démarrage, elle démarre, mais en accélérant revoilà que ça ratatouille et refuse de prendre des tours, le ralenti est correct.
J'ai pensé à un décalage de la courroie, viré le cache culbus, mis le cylindre 1 au PMH, le repère de la poulie est bien là où il faut.
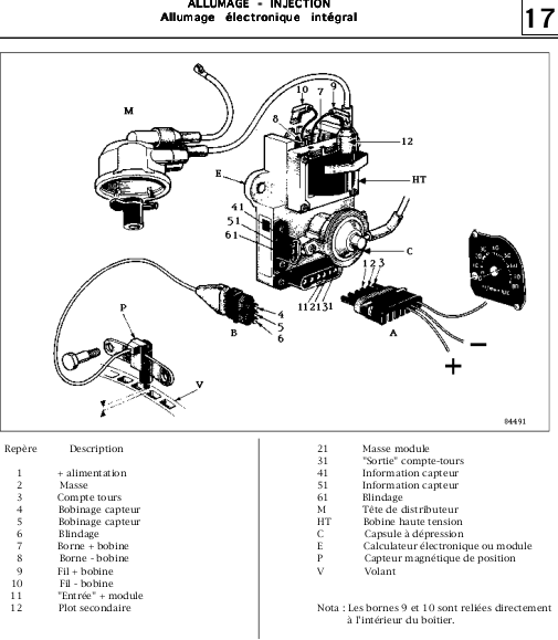
J'ai pensé au capteur de PMH qui est d'origine.
J'ai re-potassé la RTA, ils montrent les éléments de l'allumage, mais indiquer où est ce capteur, que dalle !!
Comme j'ai remarqué que vous êtes plus malins que la RTA, ce serait très sympa de m'indiquer où est planqué ce capteur.
Aussi, j'ai vu un capteur sur le bas moteur qui est presque sous l'allumeur.
Quel est son rôle ?
Merci d'avance pour votre aide toujours précieuse
Marc
Re: Moteur qui ratatouille
Posté : 24 févr. 2023, 14:06
par TheStone
Bonjour,
.... en attendant des retours, c'est l'occasion de mettre à jour ton profil.
Re: Moteur qui ratatouille
Posté : 24 févr. 2023, 15:29
par Sigma
Bonjour
beaucoup d'infos dans ce fil:
viewtopic.php?f=7&t=39187
En gros le capteur PMH est sur la cloche d'embrayage.
Et plus spécifiquement pour ton moteur:
Re: Moteur qui ratatouille
Posté : 24 févr. 2023, 16:05
par Marc02
Merci Sigma
J'ai essayé de voir, de tâter du côté de la cloche, ce qui cloche, c'est que je ne sens rien et pour voir, c'est pire.
Donc j'ai sorti ma caméra endoscopique mais sans trop se succès, alors avec mon portable, j'ai fait quelques photos, c'est crade, c'est sûr
Je vais démonter le tuyau qui va chercher l'air chaud en espérant y voir plus.
En ayant cherché avant de poster, j'avais trouvé le sujet que tu m'as indiqué, merci, et j'ai vu qu'il semble qu'il y ait une sonde lambda, c'est un moteur à injection il semble, mais je sais dans quel coin chercher !
@TheStone
Je vais me mettre à jour

Re: Moteur qui ratatouille
Posté : 24 févr. 2023, 16:34
par Marc02
Je sors de dessous le capot.
J'ai remonté le delco avec un truc pour ne pas passer son temps à récupérer les vis :
>-- mettre un bout de papier sur le bout de l'embout torx, la vis ne se barre plus
>-- pour serrer, j'ai mis un bout de papier dans la douille et ainsi, l'embout torx ne va plus se casser la figure.
Des fois j'avais mis un point de joint à la pompe pour que ça ne se barre pas, le papier c'est plus simple.
Donc contact, coup de démarreur et le moulin démarre à froid, cool !
En accélérant, ça ratatouille.
Retour sous le capot.
Là, une idée, je débranche le tuyau de dépression au carbu, et, et, et,
ça ne ratatouille plus
En aspirant dans le tuyau relié à la capsule à dépression, je sens le régime du ralenti qui change !!
Moralité, je vais sortir le bloc bobine et tout le tremblement pour voir ce que je peux arranger et en attendant un bon nettoyage au bout de 34 ans ce ne sers pas un luxe.
Le capteur, je vais voir après.
En tout cas, merci de m'avoir répondu, je me suis senti moins seul en face de mon ratatouilleur (oups, c'est pas dans le dico

)
Re: Moteur qui ratatouille
Posté : 24 févr. 2023, 16:37
par Sigma
Si tu as une injection éléctronique et un catalyseur c'est sonde lambda d'office.
Par contre avec un carbu c'est possible que la lambda ne serve à rien, donc pas présente.
De toute façon elle est facile à trouver: collecteur échappement au plus près de la sortie moteur.
Sur le tien c'est surtout le capteur à dépression + le PMH qui font le boulot d'informer le "calculateur".
Re: Moteur qui ratatouille
Posté : 24 févr. 2023, 17:34
par TheStone
Marc02 a écrit : 24 févr. 2023, 16:05
................
@TheStone
Je vais me mettre à jour
.... je constate que c'est déjà fait, merci

Re: Moteur qui ratatouille
Posté : 24 févr. 2023, 18:04
par Marc02
Suite ....
J'ai démonté le calculateur qui est assez simple
- borne + et - pour le jus et sortie vers le compte tours
- borne à deux fils vers le capteur de PMH
- sortie HT, c'est tout
Donc il était cracra, nettoyage à l'éponge et j'ai vu que la capsule à dépression a 2 vis derrière.
J'ai desserré légèrement, rien ne veut bouger, mais je ne sais pas ce qu'il y a derrière, prudence !
J'ai une pompe pour purger les freins, et j'ai branché pour aspirer, pour voir si ça change quelque chose.
Après une petite toilette, un coup de bombe à contacts dans les prises, je remonte et ..... zut de zut de zut, refus de démarrer
Re-démontage (je suis rodé

) et passage au sèche cheveux pour virer toute trace d'humidité.
Re-montage et c'est bon, il y a de l'allumage
En accélérant vers 2000 tours, si je branche le tuyau de dépression, ça ratatouille, sans, ça tourne rond et on peut monter dans les tours.
Conclusion : il faut que je trouve un calculateur Bendix RE 243, un delco neuf et je ne dois pas oublier le capteur de PMH.
Après je pourrai faire flasher les radars
Edit : Pas grand chose sur le net à part des réponses totalement à côté, vive le progrès
Donc, direction la casse.
Re: Moteur qui ratatouille
Posté : 24 févr. 2023, 18:19
par Marc02
Sigma
De toute façon elle est facile à trouver: collecteur échappement au plus près de la sortie moteur.
Sur le tien c'est surtout le capteur à dépression + le PMH qui font le boulot d'informer le "calculateur".
Je vois bien le collecteur d'échappement, mais derrière !! Ouh là ! Faut avoir de petites mimines
Quand il faut changer un soufflet de direction, je fais appel à Madame, elle a de petites mimines
Elle râle, mais je lui ai expliqué que si elle se salit les mimines, ça fera une gigantesque économie et qu'elle pourra s'offrir ce qui lui plait
Jusque là, pour moi, tout ça restait un mystère, mais une fois qu'il faut mettre les mains dedans (sans prendre un coup de jus

) maintenant, tout parait plus clair.
Re: Moteur qui ratatouille
Posté : 25 févr. 2023, 03:35
par Pilou29
Pas sûr qu'il faille changer tout ça, es tu sûr du branchement du tuyau de dépression du carbu ? Surtout si ça marche sans le tuyau !
Re: Moteur qui ratatouille
Posté : 25 févr. 2023, 12:00
par Marc02
Bonjour Pilou29.
J'ai bien vérifié le tuyau de dépression, il est en bon état, aucune fuite.
Moteur tournant, j'ai mis un doigt sur la pipe du carbu et j'ai bien senti la dépression.
Actuellement le moulin peut bien tourner sans tuyau, mais je pense que la dépression va donner le signal pour modifier l'avance à l'allumage proprement quand le moulin prend des tours.
J'ai tenté mollement pour ne pas casser de démonter la partie dépression, ne sachant pas comment le diaphragme donne les infos au calculateur, je reste prudent. Le diaphragme n'a pas l'air percé, il y a de la résistance en soufflant ou en aspirant.
Bien entendu, tout ça s'est serti et indémontable

Re: Moteur qui ratatouille
Posté : 25 févr. 2023, 13:25
par Sigma
Bonjour,
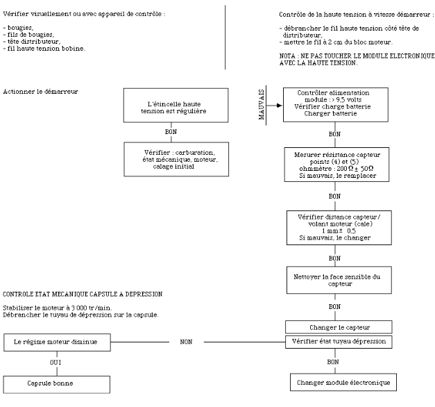
si ça peut t'aider voilà quelques indications de contrôles à effectuer:
Démarrages difficiles mais pas d'anomalie moteur tournant:
Donc pas de cas exactement comme chez toi, mais pas mal de pistes pour valider l'état des éléments (notemment capteur PHM et capteur dépression).
Note aussi qu'un défaut d'alimentation éléctrique ou de masse quelque part mettra le système en carafe...
Et note aussi qu'avec le temps, les fils de cablage faisceau, de qualité notoirement pourrie, montés sur nos Espaces vont avoir tendance à fausser les mesures dans la gamme ohm (oxydation des conducteurs = augmentation de la résistance). Bien pratique quand on traque une valeur de quelques centaines d'ohm

Re: Moteur qui ratatouille
Posté : 25 févr. 2023, 13:49
par Sigma
Une autre info intéressante (pour J6R 236 donc).
Là ça me scie parce que je ne savais pas que ces moulins avaient un système EGR!
Re: Moteur qui ratatouille
Posté : 25 févr. 2023, 15:58
par Dalton
Salut Marc .
Mince , je n'avais jamais remarqué que tu traînais ici , ou alors j'ai oublié . Bises à Martine et poignée demain bien noire à toi .
Re: Moteur qui ratatouille
Posté : 25 févr. 2023, 19:24
par Marc02
Merci Sigma pour tes recherches.
J'ai beaucoup cherché, pour trouver un bloc adéquat, j'ai cru trouver du Volvo même référence, mais c'est indisponible, du sasfépu
Sur Ebay, ce sont surtout les bougies en vente et tout de même le capteur PMH.
J'en ai vu des pages, j'ai vu le site où tu as trouvé le schéma, il faudra que je le retrouve. C'est dommage, ta copie d'écran elle est bien petite, je chercherai à nouveau.
Pour le système EGR, moi aussi je tombe de l'armoire !
Je connais bien la RTA et nulle part je n'ai lu ça !! Pour avoir mis mon nez partout, sauf sur la cloche d'embrayage

, je n'ai jamais remarqué ce système.
Le carbu, je le connais très bien, mais quand il faut le démonter, les 2 vis derrière, avec une clé de 12, c'est sportif !
Mon carbu, il a un starter manuel, fabrication maison avec des bouts de métal venant de partout, y compris d'une machine à laver, une gaine de frein de vélo pour faire passer de la corde à piano. Au bout sous le tableau de bord une simple boucle. Ça obéit à son géniteur et à sa maitresse.
Les rares fois où elle est passée dans un garage, j'ai eu beau leur expliquer le fonctionnement, surtout appuyer à fond sur la pédale de gaz et tirer, ils m'ont tout tordu !!!
Quand j'ai démonté le tableau de bord pour atteindre le ventilo d'habitacle, j'ai vu la forêt de fils et de prises.
C'est là que j'ai percé le mystère des phares qui s'étaient éteints de nuit, qui étaient repartis quand ma femme a filé un coup de pied au tableau de bord.
Coupable : une grosse prise rouge qui avait une prise qui avait chauffé au point de cramer le plastique !! Deux gros dominos un bon bout de fil de 2,5 et plus de pétard.
Ça vieillit tout ça et pas que sur les Espace, à ce que je lis dans Gazoline quand ils parlent d'une voiture de 30 ans et plus ! Les italiennes sont spécialistes de ce genre de pépin.
J'ai toujours sous la main ma bombe à contacts.
@Dalton
Et oui je suis inscrit mais je n'avais pas fait preuve de fidélité
Bises à Myriam et je te serre la cuillère !
Re: Moteur qui ratatouille
Posté : 25 févr. 2023, 20:58
par Sigma
Marc02 a écrit : 25 févr. 2023, 19:24
Merci Sigma pour tes recherches.
J'en ai vu des pages, j'ai vu le site où tu as trouvé le schéma, il faudra que je le retrouve. C'est dommage, ta copie d'écran elle est bien petite, je chercherai à nouveau.
Content si ça peut t'aider
Si tu sèches sur les docs... regarde tes MPs.
Re: Moteur qui ratatouille
Posté : 26 févr. 2023, 00:19
par Baccaronze
Bon, a priori on est donc sur un moteur carbu.
La tête et le doigt de delco à changer dans un premier temps, surtout si ça a un peu d'âge.
Un RE243 au besoin, j'en ai un, faudra juste que je le re teste avant de le vendre, le cas échéant.
Capteur PMH en général quand ca claque, ca coupe net le moteur, pour l'avoir vécu sur autoroute, c'est pas terrible

Re: Moteur qui ratatouille
Posté : 26 févr. 2023, 12:42
par Marc02
Bonjour Baccaronze.
On est bien sur un bon vieux carbu à qui je sais parler, pas besoin d'un ordinateur.
La tête de delco, je vais la changer, et le doigt aussi. Le doigt parait bon, mais il a droit à la retraite, dans la boite à merveilles dans un coin du coffre pour resservir peut être un jour pour dépanner un gars en panne.
Vu les difficultés pour essayer de dégoter un RE243, je suis super intéressé si le tien fonctionne
Tu peux m'envoyer un MP.
Je ne connaissais pas les conséquences d'un claquage de capteur de PMH.
Pas de bol ce qui t'est arrivé et sur autoroute en plus !
Par prudence, tant qu'on en trouve, je vais en commander un qui ira dans la boite à merveilles.
Merci pour tes conseils
Marc
Re: Moteur qui ratatouille
Posté : 01 mars 2023, 21:27
par max543
Honnêtement sur mon 1ph2 txe injection, le moteur ratatouille souvent à froid, une fois bien chaud plus de problème, la tête de Delco est neuve ( normal j'en ai cassé 3 à cause de support moteur hs....) tu as tenté de faire chauffer ton moteur pour voir si ça s'arrangeait ?? Le mien je soupçonne de l'humidité dans la tête de Delco
Re: Moteur qui ratatouille
Posté : 03 mars 2023, 12:13
par Marc02
Bonjour max543.
Le jour où mon support moteur a décidé de prendre sa retraite, j'ai eu plus de chance que toi, c'est l'alternateur qui a soutenu le moteur et sans dégâts pour lui.
Le moteur qui ratatouille à froid, starter repoussé, c'est normal, je connais bien sa musique, mais pas ma femme, malgré le nombre de fois que je lui ai expliqué depuis 50 ans
Une fois chaud, et dépression débranchée, ça tourne rond, mais rebranché, là, ça se gâte jusqu'à caler en insistant. En relachant l'accélérateur, là il tient le ralenti.
C'est pourquoi je soupçonne la capsule à dépression.
J'ai eu de gros soucis avec de l'humidité dans la tête de delco, après avoir lavé le cambouis du bas moteur il y a 2 ans, mais en décembre, ça a recommencé, démarrage à froid ok, je laisse chauffer, je me prépare à rouler et ...... je ne fais pas 20 mètres
Une fois que j'ai dévissé le delco, j'ai vu plein de condensation. Un bon coup de sèche cheveux et c'était reparti, mais ensuite le phénomène de ratatouillage s'est manifesté, tuyau de dépression branché. J'ai encore démonté le delco pour voir et là, c'était bien sec, la scoumoune !
La tête de delco et le doigt de distributeurs sont commandés et en route.
Re: Moteur qui ratatouille
Posté : 03 mars 2023, 13:56
par Dalton
Salut .
Essaie ça : tu défais le filtre à air pour avoir accès au haut du carbu , tu mets le moteur à 2500 trs , tu plaques ta main sur le haut du carbu et tu la laisses dessus jusqu'à presque l'éteindre , tu enlèves ta main et le fais remonter dans les tours et tu recommences plusieurs fois . La dépression aspire les saloperies , s'il y a . Technique qu'on utilisait pour les caisses de stock cars qui mangeaient plein de poussières .
Re: Moteur qui ratatouille
Posté : 03 mars 2023, 18:35
par Marc02
Salut Dalton
Je n'avais pas pensé à ça !
Avec le double corps je n'ai pas une paluche assez grosse, mais avec une planchette, pour masquer les deux, plus un bout de caoutchouc, ça peut se faire.
Il me faut une main libre pour accélérer sous le capot, une pour étouffer le carbu et je ne suis pas la déesse Shiva pour voir le compte tours
Souvent ça aiderait d'avoir 6 bras
Tu as tâté au stock car ?
Je sais que tu es devenu raisonnable, un fana de la restauration des anciennes

Re: Moteur qui ratatouille
Posté : 03 mars 2023, 19:43
par LeJeune6troeniste
Tu es dans l'Aisne? Si oui ça fait tout de même un peu loin pour que je vienne prêter un bras mais si tu es en RP...
Re: Moteur qui ratatouille
Posté : 03 mars 2023, 22:36
par Dalton
Marc02 a écrit : 03 mars 2023, 18:35
Salut Dalton
Je n'avais pas pensé à ça !
Avec le double corps je n'ai pas une paluche assez grosse, mais avec une planchette, pour masquer les deux, plus un bout de caoutchouc, ça peut se faire.
Il me faut une main libre pour accélérer sous le capot, une pour étouffer le carbu et je ne suis pas la déesse Shiva pour voir le compte tours

Souvent ça aiderait d'avoir 6 bras

Tu as tâté au stock car ? Je sais que tu es devenu raisonnable, un fana de la restauration des anciennes

Yo .
Tu fais tes 2 corps l'un après l'autre , tout simplement , comment tu crois qu'on faisait avec les carbus de R 25 montés sur nos Quatrelles .
Yes Marc , 5 saisons de stock cars , mais uniquement en Quatrelle , parfois + une caravane au derche . Après ça 3 années de course dans la boue , en Kadett Gsi , CX Gti et Quatrelle pour finir . Ah , avec 20 ans de moins !!
https://www.youtube.com/watch?v=eeTZpsqAVuo
Re: Moteur qui ratatouille
Posté : 06 mars 2023, 15:02
par Marc02
Tu es dans l'Aisne? Si oui ça fait tout de même un peu loin pour que je vienne prêter un bras mais si tu es en RP...
Et oui, dans le sud, pas très loin de la Champagne, la région s'appelle l'Orxois.
C'est sûr qu'il faut avoir le bras trrrrrrrès long
