Bonjour à tous, je ne sais pas si quelqu'un peut m'aider.
Ce matin, en récupérant ma voiture, j'ai remarqué que le levier de vitesses était desserré. La deuxième vitesse ne s'est pas engagée depuis quelques jours et hier encore, la quatrième vitesse ne s'est pas engagée non plus. J'imagine que je vais devoir changer l'ensemble des engrenages, mais quelqu'un pourrait-il me dire combien coûtera approximativement cette réparation ?
Merci beaucoup pour l'aide.
levier de vitesse Renault Espace
Modérateur : Equipe du site
-
ramiroflores
- Passager(ère)

- Messages : 2
- Enregistré le : 26 juin 2024, 09:06
- : : :
- Modèle : [Espace II 2.0]
- Finition : Alizé
- Année : 2011
- : : :
- : : :
Re: levier de vitesse Renault Espace
Il faut commencer par vérifier la tringlerie du levier de vitesse,
facilement visible sous la voiture.
Avec le temps, les rotules prennent du jeu,
le palier qui guide le mouvement arrière/avant du levier prend du jeu aussi.
Tout ces jeux cumulés peuvent empêcher les vitesses de passer , alors que la boîte n'a rien.
Bien sûr le niveau d'huile dans la boîte doit être bon.
facilement visible sous la voiture.
Avec le temps, les rotules prennent du jeu,
le palier qui guide le mouvement arrière/avant du levier prend du jeu aussi.
Tout ces jeux cumulés peuvent empêcher les vitesses de passer , alors que la boîte n'a rien.
Bien sûr le niveau d'huile dans la boîte doit être bon.
espace II 2.1td 95 limited 530000km
- Sigma
- Fou (folle) du volant

- Messages : 1661
- Enregistré le : 11 août 2022, 19:21
- : : :
- Modèle : [Espace II 2.1 TD]
- Finition : Base
- Année : 1994
- : : :
- : : :
- Localisation : en dérapage
Re: levier de vitesse Renault Espace
Salut
oui c'est fréquent que les articulations entre les différentes barres de commande soient HS, le pire c'est quand la longue barre finit par tomber sous la voiture en roulant
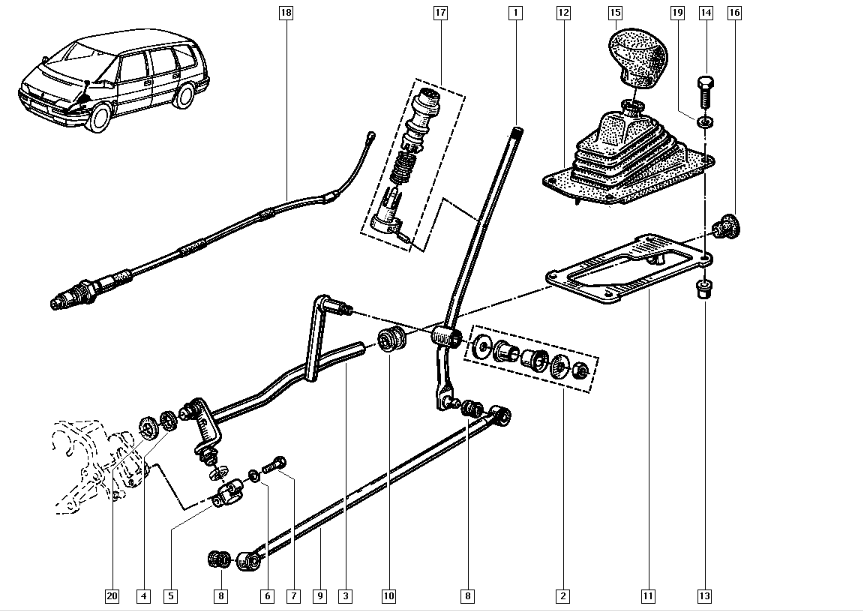
Voilà la tête de ce montage pour les boites NG: Le kit de réparation c'est la pièce 2, il y a deux références possibles:
7701464796
7701464136
Mais en général ce sont les rotules 8 qui lachent en premier, normalement c'est compris dans les kits que j'ai vu.
On en trouve un peu partout, entre 5 et 10€, et c'est assez facile à changer si on peut ramper sous la voiture
Par exemple: https://www.leader-pieces-auto.com/?/ca ... a-vitesses
oui c'est fréquent que les articulations entre les différentes barres de commande soient HS, le pire c'est quand la longue barre finit par tomber sous la voiture en roulant
Voilà la tête de ce montage pour les boites NG: Le kit de réparation c'est la pièce 2, il y a deux références possibles:
7701464796
7701464136
Mais en général ce sont les rotules 8 qui lachent en premier, normalement c'est compris dans les kits que j'ai vu.
On en trouve un peu partout, entre 5 et 10€, et c'est assez facile à changer si on peut ramper sous la voiture
Par exemple: https://www.leader-pieces-auto.com/?/ca ... a-vitesses
Renault Espace II RN J8S 1994 290000Km (le Sapin de noël), CG véhicule collection depuis le 09/2024
Peugeot 306 Berline "Symbio" 1.9D XUD9 1997 258000Km (Farce à la Rouille)
Peugeot 306 Berline "Symbio" 1.9D XUD9 1997 258000Km (Farce à la Rouille)
- philou540
- Apprenti-conducteur(trice)

- Messages : 59
- Enregistré le : 21 mars 2016, 10:45
- : : :
- Modèle : [Espace II 2.1 TD]
- Finition : RXE
- Année : 1994
- : : :
- 2ème modèle : [Autre]
- : : :
Re: levier de vitesse Renault Espace
Bonjour
Oui ça m'est arrivé en juillet dernier sur la francilienne à hauteur de Roissy. Le silentbloc en caoutchouc de la tringlerie du levier a cédé au bout de presque 30 ans de bons services....
Je suis rentré a Nancy en mettant du scotch autour de la tringlerie et cela a tenu !!
J'ai commandé le kit complet disponible sur O....o pour la modique somme de 26 euros...
J'ai remplacé le caoutchouc en le pressant a l'étau après graissage. Impec !!
Bonne journée a tous et longue vie à nos Espaces !!!
Oui ça m'est arrivé en juillet dernier sur la francilienne à hauteur de Roissy. Le silentbloc en caoutchouc de la tringlerie du levier a cédé au bout de presque 30 ans de bons services....
Je suis rentré a Nancy en mettant du scotch autour de la tringlerie et cela a tenu !!
J'ai commandé le kit complet disponible sur O....o pour la modique somme de 26 euros...
J'ai remplacé le caoutchouc en le pressant a l'étau après graissage. Impec !!
Bonne journée a tous et longue vie à nos Espaces !!!
Mon Espace....a trente ans....
