Et maintenat, c'est l'autoradio...

Modérateur : Equipe du site

Règles du forum
Nous sommes sur un forum d'entraide et de passionnés, assurez-vous avant de poster de respecter ceci: Image
Le bonjour est de coutume ici pour commencer ses messages ;)
Avatar du membre
saal32
Apprenti-conducteur(trice)
Apprenti-conducteur(trice)
Messages : 78
Enregistré le : 03 déc. 2016, 18:44
: : :
Modèle : [Espace II 2.1 TD]
Finition : Base
Année : 1995
: : :
: : :
Localisation : Espace...

Et maintenat, c'est l'autoradio...

Message non lu par saal32 »

Resaalut,
toujours dans le même esprit
(prendre des pièces sur l'un pour les greffer sur l'autre)
j'ai déposé l'autoradio de l'Espace 95 pour l'installer sur le 94...

D'origine sur le 95, il fonctionnait très bien dès que je l'allumais...

w20.jpg

mais une fois mis sur le 94, plus rien, si ce n'est la mention "PHONE"...

w19.jpg

et là, rien à faire pour qu'il change d'idée, reste obstinément aphone...

mais, miracle ?, avant-hier, à la tombée de la nuit, radio sur "PHONE",
j'allume mes veilleuses...
et ne voilà-t-il pas qu'il se met à me donner les dernières infos du jour ?

Depuis, pour l'écouter, je roule en veilleuses, le jour comme la nuit... :lol:

Quelqu'un comprendrait-il et aurait un remède à cela ?
Mais qu'est ce qu'Espace ? :lol:
Avatar du membre
Pilou29
Site Admin
Site Admin
Messages : 13616
Enregistré le : 10 janv. 2008, 23:37
: : :
Modèle : [Espace I 2.0 carburateur]
Finition : TSE
Année : 1984
: : :
2ème modèle : [Espace III 2.0 16V BVA]
finition : Privilège
Année : 2001
: : :
3ème modèle : [Avantime V6-24 BVM]
Finition : AVANTIME :
Année : 2002

Re: Et maintenat, c'est l'autoradio...

Message non lu par Pilou29 »

Sûrement un mauvais câblage, genre inversion
Espace I 2000 TSE (futur collector :lol: N° 2298 de septembre 1984 - le bonheur : pas d'électronique, ou presque )
Image_____Image_____Image
Espace II V6 Auto 1996 Bleu Boite HS :( (Parti à la casse !)
Espace III Privilège 2.0 16v Proactive 2001
Le petit dernier : Avantime V6 Privilège
La puce : Twingo 2001 jaune
Pépère ; Camping Car collector Ford 1988
Image
Avatar du membre
Sigma
Fou (folle) du volant
Fou (folle) du volant
Messages : 1652
Enregistré le : 11 août 2022, 19:21
: : :
Modèle : [Espace II 2.1 TD]
Finition : Base
Année : 1994
: : :
: : :
Localisation : en dérapage

Re: Et maintenat, c'est l'autoradio...

Message non lu par Sigma »

Salut
oui c'est bizarre comme comportement.
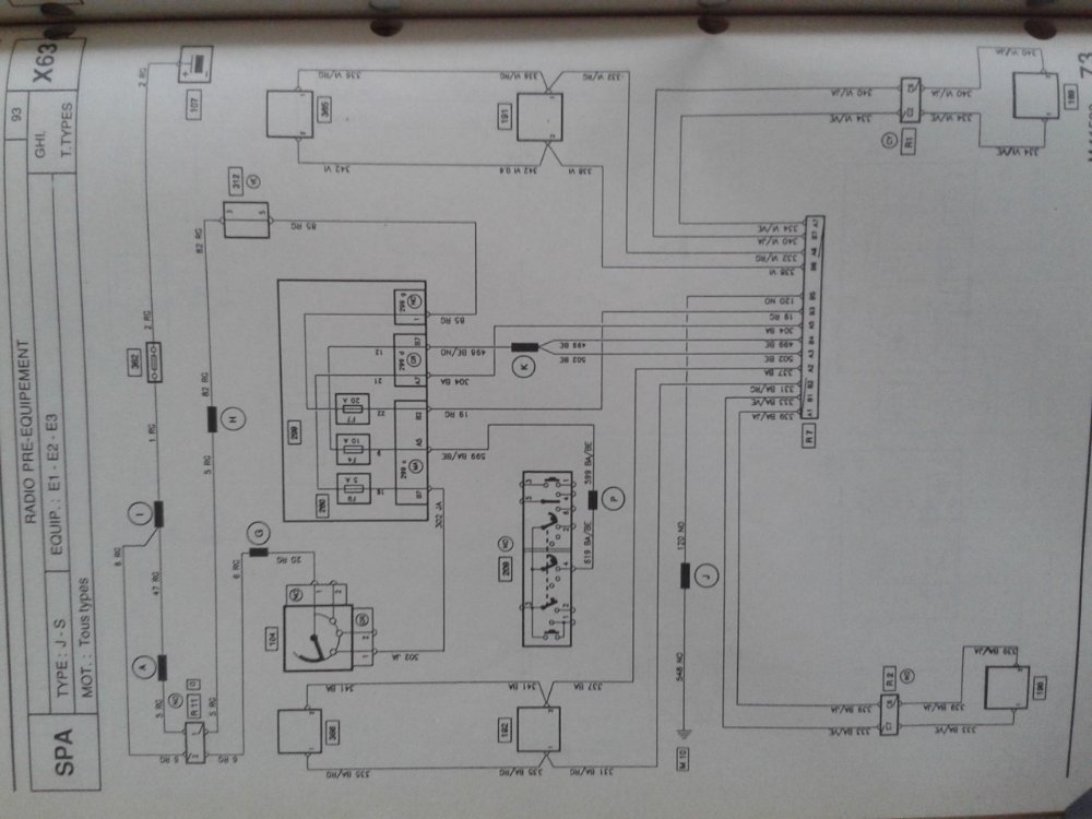
Surtout que le schéma est assez simple, pas de bizarreries pour une fois :lol:

Donc pour le 94' c'est comme ça en principe:
IMG_20241110_125521.jpg
Détail du connecteur R7:
IMG_20241110_125550.jpg

Normalement tu devrais avoir le + alim sur la borne A5, ou en B3.
Je ne comprends pas la différence entre "+ accessoire radio" et "+ AVC" sachant que si je ne me trompe pas le fusible F7 a deux positions permettant d'avoir le +AVC ou APC.

Là c'est comme si ton autoradio était alimenté par les bornes A3 ou B4, donc quand tu allumes les veilleuses.

Est-ce que tu as un adaptateur pour le raccorder au connecteur R7 du faisceau?
Si oui, c'est celui du 95' que tu as transféré, ou un qui était déja en place dans ton 94'?
Renault Espace II RN J8S 1994 290000Km (le Sapin de noël), CG véhicule collection depuis le 09/2024 :mrgreen:
Peugeot 306 Berline "Symbio" 1.9D XUD9 1997 258000Km (Farce à la Rouille)
marc06
Sur l'autoroute
Sur l'autoroute
Messages : 516
Enregistré le : 04 avr. 2016, 18:51
: : :
Modèle : [Espace II 2.1 TD]
Finition : Base
Année : 1994
: : :
2ème modèle : [Espace II 2.1 TD]
finition : RT
Année : 1995
: : :
3ème modèle : [Autre]
Localisation : NICE

Re: Et maintenat, c'est l'autoradio...

Message non lu par marc06 »

Bjour ,

Pour moi il faut un + permanent (AVC ,avant contact ? pour les mémoires radio) et un + apres contact. Si pas d erreur ça doit marcher.
a+
Les 640 000 kms sont passés ! Le million ! le million ! :lol:
+ 1 Suzuki 500 Gamma de 85 + 1 Kawa 750 H2 de 73
+ 1 ancetre... Le Zebre de 1912 !
Avatar du membre
botcarn
Sur la nationale
Sur la nationale
Messages : 253
Enregistré le : 10 févr. 2011, 22:08
: : :
Modèle : [Espace II 2.1 TD]
Finition : Cyclade
Année : 1995
: : :
: : :
Localisation : nantes bretagne historique

Re: Et maintenat, c'est l'autoradio...

Message non lu par botcarn »

suis d ' accord . le câblage de l ' auto radio a dû être branché sur le + veilleuse au lieu du + permanent , ou du + après contact .
espace 2 T D 470000 km 1995 .localisation: nantes en bretagne historique. clim rajoutée .
Répondre