Essieu AR cassé
Modérateur : Equipe du site
- marcus67
- Fou (folle) du volant

- Messages : 1313
- Enregistré le : 14 mai 2005, 00:34
- : : :
- Modèle : [Espace IV 2.0 T 170 BVM]
- Finition : Privilège
- Année : 2007
- : : :
- : : :
- Localisation : Bas Rhin 67
Essieu AR cassé
Salut
Sur Forum auto , où je traine quelques fois , j'ai trouvé ça je vous mets le lien. J'ai des projets pour un IV Alyum , mais quand je vois ça , je frissonne
http://club.caradisiac.com/goashuet/cas ... 39755.html
Sur Forum auto , où je traine quelques fois , j'ai trouvé ça je vous mets le lien. J'ai des projets pour un IV Alyum , mais quand je vois ça , je frissonne
http://club.caradisiac.com/goashuet/cas ... 39755.html
Espace IV 2.0 T Privilège court de 2007 Toit ouvrant Beige Angora 305350 kms
Peugeot 207 Prenium 1,6 VTI 120 CV 05/2009 5 portes 160000kms
Plus à l'entretien , les toto des enfants
Mégane I phase II 10/2001 110350 kms
une CLIO privilège 1,4 16V de 2003 170000 kms
une Modus 1.6 16V 06/2007 149000 kms
une Clio authentique 1.4 16V de fin 2002 31000 kms ( clio à mamie )
Mégane I phase II RXT 02/2000 294050 kms ( vendue )
un Scénic 2.0 T 165 CV 2007 157700 kms à plus car volé
une 306 1.8 16V XT Pack de 2001 205850 kms vendue
un Scénic 1.9 DCI 120CV 2005 228000 Kms terminé pour lui , coussinets de bielles HS . vendu à un garage pour 200 €
Espace TXE Quadra 09/89 clim ABS 452840 kms ( partenaire pendant 23 ans et 332800 kms ) donné à TROUBLOUSE maintenant
Peugeot 207 Prenium 1,6 VTI 120 CV 05/2009 5 portes 160000kms
Plus à l'entretien , les toto des enfants
Mégane I phase II 10/2001 110350 kms
une CLIO privilège 1,4 16V de 2003 170000 kms
une Modus 1.6 16V 06/2007 149000 kms
une Clio authentique 1.4 16V de fin 2002 31000 kms ( clio à mamie )
Mégane I phase II RXT 02/2000 294050 kms ( vendue )
un Scénic 2.0 T 165 CV 2007 157700 kms à plus car volé
une 306 1.8 16V XT Pack de 2001 205850 kms vendue
un Scénic 1.9 DCI 120CV 2005 228000 Kms terminé pour lui , coussinets de bielles HS . vendu à un garage pour 200 €
Espace TXE Quadra 09/89 clim ABS 452840 kms ( partenaire pendant 23 ans et 332800 kms ) donné à TROUBLOUSE maintenant
- pub2n
- Site Admin

- Messages : 25052
- Enregistré le : 13 août 2007, 14:23
- : : :
- Modèle : [Grand Espace III 2.2 DT]
- Finition : RXE
- Année : 1999
- : : :
- 2ème modèle : [Grand Espace III V6-24]
- finition : Privilège
- Année : 2001
- : : :
- 3ème modèle : [N'a plus d'Espace]
- Finition : TurboD
- Année : 1989
- Localisation : Quelque part entre les hermines et Brocéliande
Re: Essieu AR cassé
Salut
Ce sont des choses qui arrivent , et pas que chez Renault ...
De plus, on ne connait pas l'histoire du véhicule et sa vie de tous les jours
Ce cas reste isolé tout de même
@+
Ce sont des choses qui arrivent , et pas que chez Renault ...
De plus, on ne connait pas l'histoire du véhicule et sa vie de tous les jours
Ce cas reste isolé tout de même
@+
- marcus67
- Fou (folle) du volant

- Messages : 1313
- Enregistré le : 14 mai 2005, 00:34
- : : :
- Modèle : [Espace IV 2.0 T 170 BVM]
- Finition : Privilège
- Année : 2007
- : : :
- : : :
- Localisation : Bas Rhin 67
Re: Essieu AR cassé
salut
Voir le lien .
Ce qui me frappe , c'est que la cassure est au même endroit et comme fait à la disqueuse .
Ok faut voir comment ces vehicules ont vécus mais tout de même .
Je ne garde pas mon Quadra dans la vitre du salon et parfois faut qu'il bosse et ça se voit , j'ai même pas de jeu dans les silenblocs d'essiu et de la barre .
Isolé ou pas ça m'épate
Voir le lien .
Ce qui me frappe , c'est que la cassure est au même endroit et comme fait à la disqueuse .
Ok faut voir comment ces vehicules ont vécus mais tout de même .
Je ne garde pas mon Quadra dans la vitre du salon et parfois faut qu'il bosse et ça se voit , j'ai même pas de jeu dans les silenblocs d'essiu et de la barre .
Isolé ou pas ça m'épate
Espace IV 2.0 T Privilège court de 2007 Toit ouvrant Beige Angora 305350 kms
Peugeot 207 Prenium 1,6 VTI 120 CV 05/2009 5 portes 160000kms
Plus à l'entretien , les toto des enfants
Mégane I phase II 10/2001 110350 kms
une CLIO privilège 1,4 16V de 2003 170000 kms
une Modus 1.6 16V 06/2007 149000 kms
une Clio authentique 1.4 16V de fin 2002 31000 kms ( clio à mamie )
Mégane I phase II RXT 02/2000 294050 kms ( vendue )
un Scénic 2.0 T 165 CV 2007 157700 kms à plus car volé
une 306 1.8 16V XT Pack de 2001 205850 kms vendue
un Scénic 1.9 DCI 120CV 2005 228000 Kms terminé pour lui , coussinets de bielles HS . vendu à un garage pour 200 €
Espace TXE Quadra 09/89 clim ABS 452840 kms ( partenaire pendant 23 ans et 332800 kms ) donné à TROUBLOUSE maintenant
Peugeot 207 Prenium 1,6 VTI 120 CV 05/2009 5 portes 160000kms
Plus à l'entretien , les toto des enfants
Mégane I phase II 10/2001 110350 kms
une CLIO privilège 1,4 16V de 2003 170000 kms
une Modus 1.6 16V 06/2007 149000 kms
une Clio authentique 1.4 16V de fin 2002 31000 kms ( clio à mamie )
Mégane I phase II RXT 02/2000 294050 kms ( vendue )
un Scénic 2.0 T 165 CV 2007 157700 kms à plus car volé
une 306 1.8 16V XT Pack de 2001 205850 kms vendue
un Scénic 1.9 DCI 120CV 2005 228000 Kms terminé pour lui , coussinets de bielles HS . vendu à un garage pour 200 €
Espace TXE Quadra 09/89 clim ABS 452840 kms ( partenaire pendant 23 ans et 332800 kms ) donné à TROUBLOUSE maintenant
-
marron glacé
- Fou (folle) du volant

- Messages : 1000
- Enregistré le : 21 mai 2011, 11:15
- : : :
- Modèle : [Espace V 2.0 DCI 200]
- Finition : [Aucun]
- Année : [Autre véhicule]
- : : :
- : : :
Re: Essieu AR cassé
Il y a ceci également : http://www.rmc.fr/forum/rmc/votre-auto/ ... ges-1.html
Même sur phase II !
Par contre, je n'arrive pas à savoir si ces problèmes arrivent uniquement sur la version longue
Même sur phase II !
Par contre, je n'arrive pas à savoir si ces problèmes arrivent uniquement sur la version longue
- Pilou29
- Site Admin

- Messages : 13642
- Enregistré le : 10 janv. 2008, 23:37
- : : :
- Modèle : [Espace I 2.0 carburateur]
- Finition : TSE
- Année : 1984
- : : :
- 2ème modèle : [Espace III 2.0 16V BVA]
- finition : Privilège
- Année : 2001
- : : :
- 3ème modèle : [Avantime V6-24 BVM]
- Finition : AVANTIME :
- Année : 2002
Re: Essieu AR cassé
C'est curieux qu'on n'ait jamais eu ce cas sur le forum, ni même entendu parler surtout que çà n'a pas l'air d'être exceptionnel 
Espace I 2000 TSE (futur collector
N° 2298 de septembre 1984 - le bonheur : pas d'électronique, ou presque )
_____
_____
Espace II V6 Auto 1996 Bleu Boite HS
(Parti à la casse !)
Espace III Privilège 2.0 16v Proactive 2001
Le petit dernier : Avantime V6 Privilège
La puce : Twingo 2001 jaune
Pépère ; Camping Car collector Ford 1988

_____
_____
Espace II V6 Auto 1996 Bleu Boite HS
Espace III Privilège 2.0 16v Proactive 2001
Le petit dernier : Avantime V6 Privilège
La puce : Twingo 2001 jaune
Pépère ; Camping Car collector Ford 1988

- pontiac
- Fou (folle) du volant

- Messages : 19902
- Enregistré le : 06 juil. 2006, 11:13
- : : :
- Modèle : [Espace II 2.2 BVM]
- Finition : Cyclade
- Année : 1995
- : : :
- 2ème modèle : [Espace II 2.2 BVM]
- finition : Cyclade
- Année : 1996
- : : :
- 3ème modèle : [Autre]
- Finition : [Autre]
- Année : [Autre véhicule]
- Localisation : En contrée Viking
- Contact :
Re: Essieu AR cassé
Pilou29 a écrit :C'est curieux qu'on n'ait jamais eu ce cas sur le forum, ni même entendu parler surtout que çà n'a pas l'air d'être exceptionnel
Me suis fait la même réflexion... aucun écho ici !
Espace II 2.2i ( J7T773 ) Cyclade équipé Grand Écran, 09/1995 200000 280000Km ( bientôt un remplaçant... )
Injection Deka Siemens ( injecteurs 854714 mono-jet 863409 multi-jet autres modèles en test !), "débridé", 100% E85 sans modifs
Le remplaçant est arrivé, un RT de 08/1996, 120251Km, remise en beauté en cours...
Twingo 1.2 16V 12/2001 moteur D4F neuf 0km 75cv boite quickshift ( même daube que l'easy ) => passée en 5 manuelle
Mon dernier plaisir ( besoin professionnel ) : un Jeep Grand Cherokee 4.0L 6 cylindres en ligne 156000Km,... Import direct US... NON catalysé de 01/93 et 100% E85 pas de modifs non plus, tracte 2T.500 comme s'il était à vide !...
Et encore des Espace I, II, III, IV... en fait plusieurs because job => démonteur ou plutôt recycleur d'Espace...


Pas de questions techniques par MP 
Injection Deka Siemens ( injecteurs 854714 mono-jet 863409 multi-jet autres modèles en test !), "débridé", 100% E85 sans modifs
Le remplaçant est arrivé, un RT de 08/1996, 120251Km, remise en beauté en cours...
Twingo 1.2 16V 12/2001 moteur D4F neuf 0km 75cv boite quickshift ( même daube que l'easy ) => passée en 5 manuelle
Mon dernier plaisir ( besoin professionnel ) : un Jeep Grand Cherokee 4.0L 6 cylindres en ligne 156000Km,... Import direct US... NON catalysé de 01/93 et 100% E85 pas de modifs non plus, tracte 2T.500 comme s'il était à vide !...
Et encore des Espace I, II, III, IV... en fait plusieurs because job => démonteur ou plutôt recycleur d'Espace...


- pub2n
- Site Admin

- Messages : 25052
- Enregistré le : 13 août 2007, 14:23
- : : :
- Modèle : [Grand Espace III 2.2 DT]
- Finition : RXE
- Année : 1999
- : : :
- 2ème modèle : [Grand Espace III V6-24]
- finition : Privilège
- Année : 2001
- : : :
- 3ème modèle : [N'a plus d'Espace]
- Finition : TurboD
- Année : 1989
- Localisation : Quelque part entre les hermines et Brocéliande
Re: Essieu AR cassé
Relativisons aussi : combien de modèles concernés sur le nombre vendu ... Même s'il parait y en avoir quelques uns tout de même . Surement autant que ceux qui ont eu le frein à main auto qui s'est desserré tout seul (il y a eu un rappel pour cela par la suite).
Pas beaucoup vu cette casse non plus sur Planète Renault.
Après, il y a l'effet boule de neige Google, un ouvre un sujet, les autres se rattachent à ce qu'ils ont trouvé avec le moteur de recherche ...
Il y a eu plus de casses sur les premiers apparement, et Renault frise encore la mauvaise fois tout de même, casses au mêmes endroits en plus
@+
Pas beaucoup vu cette casse non plus sur Planète Renault.
Après, il y a l'effet boule de neige Google, un ouvre un sujet, les autres se rattachent à ce qu'ils ont trouvé avec le moteur de recherche ...
Il y a eu plus de casses sur les premiers apparement, et Renault frise encore la mauvaise fois tout de même, casses au mêmes endroits en plus
@+
- lorenzo
- Sur l'autoroute

- Messages : 693
- Enregistré le : 02 févr. 2009, 14:01
- : : :
- Modèle : [GrandEspace IV V6 3.0 DCI 180]
- Finition : Initiale
- Année : 2004
- : : :
- 2ème modèle : [Grand Espace IV 2.0 DCI 175 FAP BVA]
- finition : Intens
- Année : 2013
- : : :
- Localisation : Avignon, Paris et Yonne
Re: Essieu AR cassé
Bonjour,
Tout d'abord, il n'y a plus d'essieu AR depuis belle lurette sur les voitures de tourisme.
Car trop dangereux pour la tenue de route. On n'est plus au temps de Cugnot.
Toutes nos roues sont indépendantes; comme les femmes.
C'est un bras du train AR qui est cassé sur la photo. Mais il a l'air très bizarre sur la partie haute.
Bon, mais on ne sais pas s'il y a eu des chocs latéral précédemment.
Bizarre, la prochaine fois qu'elle passe sur un pont, j'irais voir de prés l' état de mon train AR.
Tout d'abord, il n'y a plus d'essieu AR depuis belle lurette sur les voitures de tourisme.
Car trop dangereux pour la tenue de route. On n'est plus au temps de Cugnot.
Toutes nos roues sont indépendantes; comme les femmes.
C'est un bras du train AR qui est cassé sur la photo. Mais il a l'air très bizarre sur la partie haute.
Bon, mais on ne sais pas s'il y a eu des chocs latéral précédemment.
Bizarre, la prochaine fois qu'elle passe sur un pont, j'irais voir de prés l' état de mon train AR.
Grand Espace Intens Phase IV -2.0dCi 175 FAP - BVA - grand toit ouvrant -Caméra de recul- 2014 - 112 000 km
Grand Espace Initiale Phase IV V6 3.0 dci BVA - grand toit ouvrant - alarme - 2004 - 176 000 km
Grand Espace Initiale Phase IV V6 3.0 dci BVA - grand toit ouvrant - alarme - 2004 - 176 000 km
- pub2n
- Site Admin

- Messages : 25052
- Enregistré le : 13 août 2007, 14:23
- : : :
- Modèle : [Grand Espace III 2.2 DT]
- Finition : RXE
- Année : 1999
- : : :
- 2ème modèle : [Grand Espace III V6-24]
- finition : Privilège
- Année : 2001
- : : :
- 3ème modèle : [N'a plus d'Espace]
- Finition : TurboD
- Année : 1989
- Localisation : Quelque part entre les hermines et Brocéliande
Re: Essieu AR cassé
On y voit un peu de l'oxydation préalable on dirait ... la cassure nette a deux couleurs : le bas couleur, rouille, le haut couleur métal tout frais, cela devait commencer à se voir avant ...
Ce train arrière est bien un essieu selon les termes de Renault :
"Essieu souple "semi- rigide" guidé par 2 bras longitudinaux, avec barre anti-roulis Panhard, avec ressorts et ammortisseurs indépendants "
Il est à craindre aussi que certains garagistes lèvent ces véhicules à la méthode Bourrin ... j'en ai un (centre auto ... ) vu vouloir lever mon I à l'arrière au milieu de cette barre-essieu pour aller plus vite pour changer les roues arrières plus vite
...
+1 pour les chocs latéraux, surtout si pris en charge , je pense que les trottoirs pris sur le coté ou des trop hauts descendus trop vite sur le coté ne doivent pas être inconnus à cette faiblesse qui ressemble un peu à un flambage... mais bon, cela fait aussi partie de la vie du véhicule
Ce train arrière est bien un essieu selon les termes de Renault :
"Essieu souple "semi- rigide" guidé par 2 bras longitudinaux, avec barre anti-roulis Panhard, avec ressorts et ammortisseurs indépendants "
Il est à craindre aussi que certains garagistes lèvent ces véhicules à la méthode Bourrin ... j'en ai un (centre auto ... ) vu vouloir lever mon I à l'arrière au milieu de cette barre-essieu pour aller plus vite pour changer les roues arrières plus vite
+1 pour les chocs latéraux, surtout si pris en charge , je pense que les trottoirs pris sur le coté ou des trop hauts descendus trop vite sur le coté ne doivent pas être inconnus à cette faiblesse qui ressemble un peu à un flambage... mais bon, cela fait aussi partie de la vie du véhicule
- lorenzo
- Sur l'autoroute

- Messages : 693
- Enregistré le : 02 févr. 2009, 14:01
- : : :
- Modèle : [GrandEspace IV V6 3.0 DCI 180]
- Finition : Initiale
- Année : 2004
- : : :
- 2ème modèle : [Grand Espace IV 2.0 DCI 175 FAP BVA]
- finition : Intens
- Année : 2013
- : : :
- Localisation : Avignon, Paris et Yonne
Re: Essieu AR cassé
Mais les deux parties ne semblent pas être parfaitement dans le même plan entre le haut et le bas.
Je maintiens ce que je dis:
"Un essieu est un arbre placé transversalement sous la caisse d'un véhicule à roues. Il supporte par l’intermédiaire des fusées les roues situées à ses extrémités"
Bon c'est une définition de Wikipédia.
L'essieu rigide est un type d'essieu composé d'une barre ou d'un axe reliant rigidement les deux roues entre elles.
Je maintiens ce que je dis:
"Un essieu est un arbre placé transversalement sous la caisse d'un véhicule à roues. Il supporte par l’intermédiaire des fusées les roues situées à ses extrémités"
Bon c'est une définition de Wikipédia.
L'essieu rigide est un type d'essieu composé d'une barre ou d'un axe reliant rigidement les deux roues entre elles.
Modifié en dernier par lorenzo le 24 févr. 2013, 17:17, modifié 2 fois.
Grand Espace Intens Phase IV -2.0dCi 175 FAP - BVA - grand toit ouvrant -Caméra de recul- 2014 - 112 000 km
Grand Espace Initiale Phase IV V6 3.0 dci BVA - grand toit ouvrant - alarme - 2004 - 176 000 km
Grand Espace Initiale Phase IV V6 3.0 dci BVA - grand toit ouvrant - alarme - 2004 - 176 000 km
- TheStone
- Fou (folle) du volant

- Messages : 20287
- Enregistré le : 02 août 2008, 14:22
- : : :
- Modèle : [Espace I 2.1 TD]
- Finition : TurboD
- Année : 1988
- : : :
- : : :
- Localisation : Au Nord de la Loire
Re: Essieu AR cassé
+1pontiac a écrit :Me suis fait la même réflexion... aucun écho ici !Pilou29 a écrit :C'est curieux qu'on n'ait jamais eu ce cas sur le forum, ni même entendu parler surtout que çà n'a pas l'air d'être exceptionnel
.... mais ça craint vraiment
Espace I Phase 2 Turbo-D acquis neuf en Janvier 1988 ...... Sauvons le soldat Ryan moteur J8S !!!
395000 kms ...... et CT à nouveau ok le 11/04/2019 à 384792 384792 384792 384792 384792 kms
On n'a jamais été aussi bien sur Terre que dans l'Espace...
Twingo I Kiss Cool Quickshift de Juin 2005, 105000 kms .... que du bonheur cette boîte robotisée
Twingo II Dynamique 75 LEV Eco2 de Juillet 2009, 130000 kms... et tout va bien
Fiat 128 150000 kms Ford Escort Ghia 1,6 de 1983 193200 kms
Güldner G15 A2KS Spessart sixties et beaucoup d'heures
395000 kms ...... et CT à nouveau ok le 11/04/2019 à 384792 384792 384792 384792 384792 kms
On n'a jamais été aussi bien sur Terre que dans l'Espace...
Twingo I Kiss Cool Quickshift de Juin 2005, 105000 kms .... que du bonheur cette boîte robotisée
Twingo II Dynamique 75 LEV Eco2 de Juillet 2009, 130000 kms... et tout va bien
Fiat 128 150000 kms Ford Escort Ghia 1,6 de 1983 193200 kms
Güldner G15 A2KS Spessart sixties et beaucoup d'heures
- Outlander 68
- Fou (folle) du volant

- Messages : 1756
- Enregistré le : 23 mars 2012, 19:15
- : : :
- Modèle : [Espace IV 2.0 DCI 175 FAP BVM]
- Finition : Privilège
- Année : 2006
- : : :
- : : :
- Localisation : Alsace
Re: Essieu AR cassé
Salut
Impressionnant
Pareil aucun écho...
Mais une petite théorie perso qui pourrait avoir son importance.
N'y a t-il pas à cet endroit un point de fixation prévu pour l'attache remorque
Un mauvais montage de celui-ci ou pire une surcharge de la remorque (surtout les petites que l'ont voient "balloter" sur les autoroutes)...peuvent elles créer assez de "mauvaises vibrations" au point de sectionner net nos essieux

Impressionnant
Pareil aucun écho...
Mais une petite théorie perso qui pourrait avoir son importance.
N'y a t-il pas à cet endroit un point de fixation prévu pour l'attache remorque
Un mauvais montage de celui-ci ou pire une surcharge de la remorque (surtout les petites que l'ont voient "balloter" sur les autoroutes)...peuvent elles créer assez de "mauvaises vibrations" au point de sectionner net nos essieux
- pub2n
- Site Admin

- Messages : 25052
- Enregistré le : 13 août 2007, 14:23
- : : :
- Modèle : [Grand Espace III 2.2 DT]
- Finition : RXE
- Année : 1999
- : : :
- 2ème modèle : [Grand Espace III V6-24]
- finition : Privilège
- Année : 2001
- : : :
- 3ème modèle : [N'a plus d'Espace]
- Finition : TurboD
- Année : 1989
- Localisation : Quelque part entre les hermines et Brocéliande
Re: Essieu AR cassé
Salut
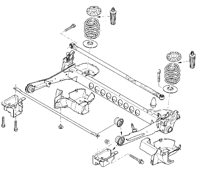
Ce n'est pas à cet endroit , ce que tu montres est sur une partie fixe du chassis, la partie qui cède est une partie mobile . Ci dessous le schéma du train arrière : L'avant du véhicule est à gauche sur ce schéma
... et l'attelage se fixe derrière le train arrière
@+
Ce n'est pas à cet endroit , ce que tu montres est sur une partie fixe du chassis, la partie qui cède est une partie mobile . Ci dessous le schéma du train arrière : L'avant du véhicule est à gauche sur ce schéma
@+
- Outlander 68
- Fou (folle) du volant

- Messages : 1756
- Enregistré le : 23 mars 2012, 19:15
- : : :
- Modèle : [Espace IV 2.0 DCI 175 FAP BVM]
- Finition : Privilège
- Année : 2006
- : : :
- : : :
- Localisation : Alsace
Re: Essieu AR cassé
Bonjour
Merci Yann,pour ces belles précision
Merci Yann,pour ces belles précision
- pub2n
- Site Admin

- Messages : 25052
- Enregistré le : 13 août 2007, 14:23
- : : :
- Modèle : [Grand Espace III 2.2 DT]
- Finition : RXE
- Année : 1999
- : : :
- 2ème modèle : [Grand Espace III V6-24]
- finition : Privilège
- Année : 2001
- : : :
- 3ème modèle : [N'a plus d'Espace]
- Finition : TurboD
- Année : 1989
- Localisation : Quelque part entre les hermines et Brocéliande
Re: Essieu AR cassé
Y'a pas de quoi 
-
pailleauquebec
- Passager(ère)

- Messages : 6
- Enregistré le : 20 févr. 2013, 21:36
- : : :
- Modèle : [En cours d'achat]
- Finition :
- Année : 2008
- : : :
- : : :
Re: Essieu AR cassé
Sur le premier lien il est expliqué que le bras a subi une pliure, probablement suite à un accident, ce que je crois volontiers en voyant la photo :
http://club.caradisiac.com/goashuet/cas ... 225696-jpg
Donc j'émets l'hypothèse d'un choc latéral ayant plié le bras, évidemment la concentration de contrainte a été la plus forte à l'endroit où le bras cesse d'être nervuré, d'où la casse à cet endroit suite à la rouille.
En tout cas je pense qu'un bon coup de galva à froid au zinc sur ces bras en préventif ne serait pas du luxe pour éviter la corrosion car ces bras sont dimensionnés un peu light à mon goût pour une camionnette de 2T comme l'espace). C'est quand même une pièce de sécurité non redondante, donc si ça casse ça fait mal.
http://club.caradisiac.com/goashuet/cas ... 225696-jpg
Donc j'émets l'hypothèse d'un choc latéral ayant plié le bras, évidemment la concentration de contrainte a été la plus forte à l'endroit où le bras cesse d'être nervuré, d'où la casse à cet endroit suite à la rouille.
En tout cas je pense qu'un bon coup de galva à froid au zinc sur ces bras en préventif ne serait pas du luxe pour éviter la corrosion car ces bras sont dimensionnés un peu light à mon goût pour une camionnette de 2T comme l'espace). C'est quand même une pièce de sécurité non redondante, donc si ça casse ça fait mal.
- Outlander 68
- Fou (folle) du volant

- Messages : 1756
- Enregistré le : 23 mars 2012, 19:15
- : : :
- Modèle : [Espace IV 2.0 DCI 175 FAP BVM]
- Finition : Privilège
- Année : 2006
- : : :
- : : :
- Localisation : Alsace
Re: Essieu AR cassé
Salut
Pas vue cette photo...
+1
Par contre aucun recours pour lui et son véhicule acheté d'occasion il y a un an.
L'ancien ou les anciens propriétaires étaient..
Certainement un "économiste" ou fautif dans cet accrochage...et à préférer faire la réparation par lui même ou connaissance avec un minimum de savoir en carrosserie et carossage pour caché cet accident,par l'exterieur...tous çà au black...pour la revendre dans la foulée.
Et l'affaire est dans le sac.
Est ce qu'un expert peut il dans ce cas savoir si oui ou non le véhicule aurait été accidenté par le passé
En même temps à cet endroit il aurait dût "bouffer" du pneu droit,non
Pas vue cette photo...
+1
Par contre aucun recours pour lui et son véhicule acheté d'occasion il y a un an.
L'ancien ou les anciens propriétaires étaient..
Certainement un "économiste" ou fautif dans cet accrochage...et à préférer faire la réparation par lui même ou connaissance avec un minimum de savoir en carrosserie et carossage pour caché cet accident,par l'exterieur...tous çà au black...pour la revendre dans la foulée.
Et l'affaire est dans le sac.
Est ce qu'un expert peut il dans ce cas savoir si oui ou non le véhicule aurait été accidenté par le passé
En même temps à cet endroit il aurait dût "bouffer" du pneu droit,non


Espace III 2.2dt long RXE de Janvier 1999 JE0PL G8T 716 540 000 km, ...
Tombé dedans avec un Espace I phase 2 2.1td de Juillet 1989 J115 J8S vendu après 450 000 km













