Remise en route d'un Espace II J8S 1994
Modérateur : Equipe du site
- Sigma
- Fou (folle) du volant

- Messages : 1661
- Enregistré le : 11 août 2022, 19:21
- : : :
- Modèle : [Espace II 2.1 TD]
- Finition : Base
- Année : 1994
- : : :
- : : :
- Localisation : en dérapage
Re: Remise en route d'un Espace II J8S 1994
Super merci Marc!
Je lui donne une dernière chance: test à l'ampèremetre en fonctionnement. Et si il rate, je le change!
Me manque juste une pince pour faire la mesure, mais je devais en acheter une depuis un moment, c'est l'occase.
Les fuites réservoir c'est quand même pas jojo, même si ça perd peu.
Je vais voir comment ça se passe, mais je pense tomber tout le truc quand je ferais le changement du train arrière (qu'on m'a voilé en CT et en garages).
Bagnole sur chandelles, train arrière en moins ça sera plus simple.
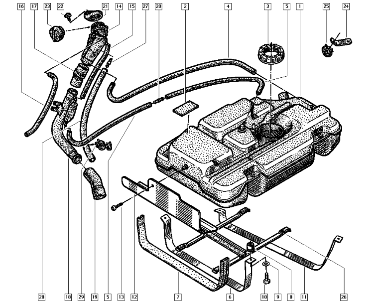
J'ai trouvé quelques photos du reservoir à poil mais impossible de comprendre d'où ça peut venir théoriquement à part la sonde.
Pour rigoler voilà le dessin du bazar, là je n'y pige rien, pourquoi autant de durits qui remontent sur la tubulure?
Aussi c'est marrant: le renfort en H (pièce 26) sous les sangles, je n'ai jamais vu ça.
Je lui donne une dernière chance: test à l'ampèremetre en fonctionnement. Et si il rate, je le change!
Me manque juste une pince pour faire la mesure, mais je devais en acheter une depuis un moment, c'est l'occase.
Les fuites réservoir c'est quand même pas jojo, même si ça perd peu.
Je vais voir comment ça se passe, mais je pense tomber tout le truc quand je ferais le changement du train arrière (qu'on m'a voilé en CT et en garages).
Bagnole sur chandelles, train arrière en moins ça sera plus simple.
J'ai trouvé quelques photos du reservoir à poil mais impossible de comprendre d'où ça peut venir théoriquement à part la sonde.
Pour rigoler voilà le dessin du bazar, là je n'y pige rien, pourquoi autant de durits qui remontent sur la tubulure?
Aussi c'est marrant: le renfort en H (pièce 26) sous les sangles, je n'ai jamais vu ça.
Renault Espace II RN J8S 1994 290000Km (le Sapin de noël), CG véhicule collection depuis le 09/2024
Peugeot 306 Berline "Symbio" 1.9D XUD9 1997 258000Km (Farce à la Rouille)
Peugeot 306 Berline "Symbio" 1.9D XUD9 1997 258000Km (Farce à la Rouille)
- Sigma
- Fou (folle) du volant

- Messages : 1661
- Enregistré le : 11 août 2022, 19:21
- : : :
- Modèle : [Espace II 2.1 TD]
- Finition : Base
- Année : 1994
- : : :
- : : :
- Localisation : en dérapage
Re: Remise en route d'un Espace II J8S 1994
Bonjour
je me demande un truc sur mon reservoir: en le refixant j'ai touvé qu'il touchait pas mal la carrosserie en haut, autant à l'arrière qu'à l'avant...
Et il est super près de l'articulation de l'essieu, genre 5mm... Impossible de le décaler plus vers l'avant même en forçant fort.
Là je regarde à nouveau le schéma du montage ci dessus, et je vois que chez moi il n'y a pas le tampon au dessus de la vis 10..
Comment c'est fixé chez vous? avec ou sans tampon?
Je pense que le tampon baisserait assez le reservoir pour qu'il ne touche rien en haut. Bon le reservoir dépasse quand même un peu de sous la voiture, alors je ne trouve pas que le baisser encore serait une bonne idée... mais quelques mm pour éviter que ça touche la ferraille peut être?
J'ai aussi refait un test sur l'alternateur et je n'y comprends vraiment rien:
donc moteur en route après un petit trajet sans coupure et aucun consommateur en route (donc pas non plus en phase de post chauffage): 14.17V à 2000T! Aucune variation en revenant au ralenti.
Comment expliquer la différence de tension entre ma mesure à 14.8V et la dernière
Evidemment le comportement du voyant égal à lui-même: s'allume après le post chauffage un petit coup, et après chaque manip sur un consommateur (klaxon ou lève vitre) un petit coup à chaque fois. Sinon en roulant sans rien toucher: rien!
Arrivé chez moi au ralenti là ça commence à clignotter pour rien, comme d'hab.
Et depuis mon retour de "vacances" je n'ai pas eu à nouveau le clignottement entre les allumages des clignos, ça c'était vraiment très très énervant.
Peut être que l'alternateur préfère les régions humides et fraiches au sud irradié par le "grand blond"?
J'attends de recevoir une pince ampèremetrique histoire de vérifier la conso en fonctionnement, et en espérant y comprendre un truc.
Une paire de questions pour mourrir moins bête en attendant:
le fil d'excitation sur le régulateur est relié à quoi dans la voiture?
et le fil "lampe"? ce n'est quand même pas l'ampoule compteur dont il est question?
je me demande un truc sur mon reservoir: en le refixant j'ai touvé qu'il touchait pas mal la carrosserie en haut, autant à l'arrière qu'à l'avant...
Et il est super près de l'articulation de l'essieu, genre 5mm... Impossible de le décaler plus vers l'avant même en forçant fort.
Là je regarde à nouveau le schéma du montage ci dessus, et je vois que chez moi il n'y a pas le tampon au dessus de la vis 10..
Comment c'est fixé chez vous? avec ou sans tampon?
Je pense que le tampon baisserait assez le reservoir pour qu'il ne touche rien en haut. Bon le reservoir dépasse quand même un peu de sous la voiture, alors je ne trouve pas que le baisser encore serait une bonne idée... mais quelques mm pour éviter que ça touche la ferraille peut être?
J'ai aussi refait un test sur l'alternateur et je n'y comprends vraiment rien:
donc moteur en route après un petit trajet sans coupure et aucun consommateur en route (donc pas non plus en phase de post chauffage): 14.17V à 2000T! Aucune variation en revenant au ralenti.
Comment expliquer la différence de tension entre ma mesure à 14.8V et la dernière
Evidemment le comportement du voyant égal à lui-même: s'allume après le post chauffage un petit coup, et après chaque manip sur un consommateur (klaxon ou lève vitre) un petit coup à chaque fois. Sinon en roulant sans rien toucher: rien!
Arrivé chez moi au ralenti là ça commence à clignotter pour rien, comme d'hab.
Et depuis mon retour de "vacances" je n'ai pas eu à nouveau le clignottement entre les allumages des clignos, ça c'était vraiment très très énervant.
Peut être que l'alternateur préfère les régions humides et fraiches au sud irradié par le "grand blond"?
J'attends de recevoir une pince ampèremetrique histoire de vérifier la conso en fonctionnement, et en espérant y comprendre un truc.
Une paire de questions pour mourrir moins bête en attendant:
le fil d'excitation sur le régulateur est relié à quoi dans la voiture?
et le fil "lampe"? ce n'est quand même pas l'ampoule compteur dont il est question?
Renault Espace II RN J8S 1994 290000Km (le Sapin de noël), CG véhicule collection depuis le 09/2024
Peugeot 306 Berline "Symbio" 1.9D XUD9 1997 258000Km (Farce à la Rouille)
Peugeot 306 Berline "Symbio" 1.9D XUD9 1997 258000Km (Farce à la Rouille)
- Sigma
- Fou (folle) du volant

- Messages : 1661
- Enregistré le : 11 août 2022, 19:21
- : : :
- Modèle : [Espace II 2.1 TD]
- Finition : Base
- Année : 1994
- : : :
- : : :
- Localisation : en dérapage
Re: Remise en route d'un Espace II J8S 1994
Merci Par5
du coup la lampe c'est bien celle du compteur qui est commutée par le régulateur en cas de défaut, si j'ai pigé.
Alors je devrais plutot tester la continuité du fil d'excitation entre le connecteur côté alternateur et la cosse + qui arrive sur la batterie, le tout avec le neiman enclenché.
Parce que la connexion avec la "lampe" fonctionne: ça s'allume au compteur.
du coup la lampe c'est bien celle du compteur qui est commutée par le régulateur en cas de défaut, si j'ai pigé.
Alors je devrais plutot tester la continuité du fil d'excitation entre le connecteur côté alternateur et la cosse + qui arrive sur la batterie, le tout avec le neiman enclenché.
Parce que la connexion avec la "lampe" fonctionne: ça s'allume au compteur.
Renault Espace II RN J8S 1994 290000Km (le Sapin de noël), CG véhicule collection depuis le 09/2024
Peugeot 306 Berline "Symbio" 1.9D XUD9 1997 258000Km (Farce à la Rouille)
Peugeot 306 Berline "Symbio" 1.9D XUD9 1997 258000Km (Farce à la Rouille)
Re: Remise en route d'un Espace II J8S 1994
Si la lampe s'allume c'est que la tension en D+ ou B+ est inférieure à la tension batterie
Il peut y avoir des mauvais contacts en D+ ou B+
Il peut y avoir des mauvais contacts en D+ ou B+
espace II 2.1td 95 limited 530000km
- EAime
- Fou (folle) du volant

- Messages : 20273
- Enregistré le : 14 mars 2008, 14:07
- : : :
- Modèle : [N'a plus d'Espace]
- Finition : TXE
- Année : 1989
- : : :
- 2ème modèle : [N'a plus d'Espace]
- finition : RXE
- Année : 1991
- : : :
- 3ème modèle : [Espace III V6]
- Finition : RXT
- Année : 1998
- Localisation : La Rochelle
Re: Remise en route d'un Espace II J8S 1994
Salut Régis,
Si je peux t'aider avec ton souci d'alternateur :
viewtopic.php?t=36882
Une péripétie avec le V6, soldée par le remplacement du fil d'excitation, prise à partir du boitier électronique.
Si je peux t'aider avec ton souci d'alternateur :
viewtopic.php?t=36882
Une péripétie avec le V6, soldée par le remplacement du fil d'excitation, prise à partir du boitier électronique.
Renault Vel Satis Ph2 3.5L V6 Initiale 2006 - Gris Platine - 266 000km
Renault Espace "3" RXT 3.0 V6 PRV 1998 - Gris Titane - 157 000km
Renault Espace "1" TXE 1989 - Bleu Mandchourie - 245 000km - Offerte Téléthon 2019
Renault Espace "2" 2.8L V6 RXE - 1991 - Gris Rafale - 216 000km C.G. Collection 12/2021
Renault Espace "2" 2.1Dtv - 1997 - Bleu Impérial - 124 000km
Renault Espace "4" 2.0T / 170CV Initiale 2005 - Gris Platine - 214 000km
Toyota Yaris 1.5 Hybride Lounge - 2011 - Pack VIP - 106 000km. J'adore !
BMW R850 RT - 2003 - Bleu Biarritz - 128 000km. Du bonheur !
****Je ne réponds pas aux questions techniques envoyées par MP****
_______________________________________
"Ah ! Quand elles ont la tête comme ça, rentrée dans les épaules, c'est qu'elles sont pas contentes !" (Coluche)
Renault Espace "3" RXT 3.0 V6 PRV 1998 - Gris Titane - 157 000km
Renault Espace "1" TXE 1989 - Bleu Mandchourie - 245 000km - Offerte Téléthon 2019
Renault Espace "2" 2.8L V6 RXE - 1991 - Gris Rafale - 216 000km C.G. Collection 12/2021
Renault Espace "2" 2.1Dtv - 1997 - Bleu Impérial - 124 000km
Renault Espace "4" 2.0T / 170CV Initiale 2005 - Gris Platine - 214 000km
Toyota Yaris 1.5 Hybride Lounge - 2011 - Pack VIP - 106 000km. J'adore !
BMW R850 RT - 2003 - Bleu Biarritz - 128 000km. Du bonheur !
****Je ne réponds pas aux questions techniques envoyées par MP****
_______________________________________
"Ah ! Quand elles ont la tête comme ça, rentrée dans les épaules, c'est qu'elles sont pas contentes !" (Coluche)
- botcarn
- Sur la nationale

- Messages : 254
- Enregistré le : 10 févr. 2011, 22:08
- : : :
- Modèle : [Espace II 2.1 TD]
- Finition : Cyclade
- Année : 1995
- : : :
- : : :
- Localisation : nantes bretagne historique
Re: Remise en route d'un Espace II J8S 1994
salut .
j ' ai eu aussi des fuites au réservoir , je l ' ai déposé quand il était vide , j ' ai démonté tous les tuyaux , la pompe , etc , etc , j ' en ai profiter pour refaire les " lanières " en métal qui étaient pourries , j' ai tout remonté sans rien avoir trouvé qqc de flagrant , et ça ne fuit plus ! ! !
va comprendre ! !
quant à changer un régulateur sans tomber l ' alternateur , chapeau marc06 ! !
bon courage .
j ' ai eu aussi des fuites au réservoir , je l ' ai déposé quand il était vide , j ' ai démonté tous les tuyaux , la pompe , etc , etc , j ' en ai profiter pour refaire les " lanières " en métal qui étaient pourries , j' ai tout remonté sans rien avoir trouvé qqc de flagrant , et ça ne fuit plus ! ! !
va comprendre ! !
quant à changer un régulateur sans tomber l ' alternateur , chapeau marc06 ! !
bon courage .
espace 2 T D 470000 km 1995 .localisation: nantes en bretagne historique. clim rajoutée .
- Sigma
- Fou (folle) du volant

- Messages : 1661
- Enregistré le : 11 août 2022, 19:21
- : : :
- Modèle : [Espace II 2.1 TD]
- Finition : Base
- Année : 1994
- : : :
- : : :
- Localisation : en dérapage
Re: Remise en route d'un Espace II J8S 1994
Bonjour
merci Par5 c'est très clair là.
@Eric: merci beaucoup!
Ah oui c'est intéressant de voir les symptômes d'une connexion defaillante sur ces fils Lampe et Excitation!
Une très bonne piste à creuser!
Du coup ton garage avait retiré des fils, tout simplement?
Surtout qu'en regardant la doc, je vois que le raccord (au moins sur le J8S) se trouve dans la boite à relais, sous le bocal LDA... chez moi toute cette zone était un vrai bazar, le faisceau qui passait n'importe comment, et le tout arrosé copieusement d'huile DA.
Pour le nettoyage je n'ai pas fait grand chose, aucune idée de comment virer l'huile DA avec un produit qui n'attaquera pas les gaines des fils... donc essuyé au max mais pas plus.
Par contre j'ai repassé le faisceau entre le boitier et la carosserie (au lieu de passer au dessus de la batterie et branler devant le boitier), et effectivement quand j'avais bidouillé par là j'avais eu une période exceptionnelle (et assez courte finalement) sans allumage de voyant!
Si je ne me trompe pas ces doc correspondent bien à ma voiture, en tout cas pour une fois les couleurs de fils sont ok. Donc faut déja que j'arrive à chopper ces fils sur R28...
La masse que je ne vois pas par contre, c'est M10 qui devrait être sous la "corne" d'aération le long de la custode AVG, ça aurait été pas mal de la vérifier elle aussi dans la foulée. Aucun souvenir d'avoir vu ça quand j'ai bricolé les rétros.
Ca serait pas mal que le souci vienne des connexions, ça me ferait l'économie d'un régulateur!
Je vous tiens au courant dès que j'aurais fait quelques tests (aujourd'hui trop pluvieux
)!
En espérant ne pas découvrir encore une horreur de bidouille de "pro" là dedans
merci Par5 c'est très clair là.
@Eric: merci beaucoup!
Ah oui c'est intéressant de voir les symptômes d'une connexion defaillante sur ces fils Lampe et Excitation!
Une très bonne piste à creuser!
Du coup ton garage avait retiré des fils, tout simplement?
Surtout qu'en regardant la doc, je vois que le raccord (au moins sur le J8S) se trouve dans la boite à relais, sous le bocal LDA... chez moi toute cette zone était un vrai bazar, le faisceau qui passait n'importe comment, et le tout arrosé copieusement d'huile DA.
Pour le nettoyage je n'ai pas fait grand chose, aucune idée de comment virer l'huile DA avec un produit qui n'attaquera pas les gaines des fils... donc essuyé au max mais pas plus.
Par contre j'ai repassé le faisceau entre le boitier et la carosserie (au lieu de passer au dessus de la batterie et branler devant le boitier), et effectivement quand j'avais bidouillé par là j'avais eu une période exceptionnelle (et assez courte finalement) sans allumage de voyant!
Si je ne me trompe pas ces doc correspondent bien à ma voiture, en tout cas pour une fois les couleurs de fils sont ok. Donc faut déja que j'arrive à chopper ces fils sur R28...
La masse que je ne vois pas par contre, c'est M10 qui devrait être sous la "corne" d'aération le long de la custode AVG, ça aurait été pas mal de la vérifier elle aussi dans la foulée. Aucun souvenir d'avoir vu ça quand j'ai bricolé les rétros.
Ca serait pas mal que le souci vienne des connexions, ça me ferait l'économie d'un régulateur!
Je vous tiens au courant dès que j'aurais fait quelques tests (aujourd'hui trop pluvieux
En espérant ne pas découvrir encore une horreur de bidouille de "pro" là dedans
Renault Espace II RN J8S 1994 290000Km (le Sapin de noël), CG véhicule collection depuis le 09/2024
Peugeot 306 Berline "Symbio" 1.9D XUD9 1997 258000Km (Farce à la Rouille)
Peugeot 306 Berline "Symbio" 1.9D XUD9 1997 258000Km (Farce à la Rouille)
- EAime
- Fou (folle) du volant

- Messages : 20273
- Enregistré le : 14 mars 2008, 14:07
- : : :
- Modèle : [N'a plus d'Espace]
- Finition : TXE
- Année : 1989
- : : :
- 2ème modèle : [N'a plus d'Espace]
- finition : RXE
- Année : 1991
- : : :
- 3ème modèle : [Espace III V6]
- Finition : RXT
- Année : 1998
- Localisation : La Rochelle
Re: Remise en route d'un Espace II J8S 1994
Salut Régis,
Je m'en étais tiré tout seul, en suivant les conseils de Dalton, Wutch, Par5 et botcarn, entre autres contributeurs !!!
Bien bavé, car l'electricité n'est vraiment pas ma tasse de thé, tout comme la mécanique d'ailleurs !
Je préfère travailler la carrosserie !!!
Je m'en étais tiré tout seul, en suivant les conseils de Dalton, Wutch, Par5 et botcarn, entre autres contributeurs !!!
Bien bavé, car l'electricité n'est vraiment pas ma tasse de thé, tout comme la mécanique d'ailleurs !
Je préfère travailler la carrosserie !!!
Renault Vel Satis Ph2 3.5L V6 Initiale 2006 - Gris Platine - 266 000km
Renault Espace "3" RXT 3.0 V6 PRV 1998 - Gris Titane - 157 000km
Renault Espace "1" TXE 1989 - Bleu Mandchourie - 245 000km - Offerte Téléthon 2019
Renault Espace "2" 2.8L V6 RXE - 1991 - Gris Rafale - 216 000km C.G. Collection 12/2021
Renault Espace "2" 2.1Dtv - 1997 - Bleu Impérial - 124 000km
Renault Espace "4" 2.0T / 170CV Initiale 2005 - Gris Platine - 214 000km
Toyota Yaris 1.5 Hybride Lounge - 2011 - Pack VIP - 106 000km. J'adore !
BMW R850 RT - 2003 - Bleu Biarritz - 128 000km. Du bonheur !
****Je ne réponds pas aux questions techniques envoyées par MP****
_______________________________________
"Ah ! Quand elles ont la tête comme ça, rentrée dans les épaules, c'est qu'elles sont pas contentes !" (Coluche)
Renault Espace "3" RXT 3.0 V6 PRV 1998 - Gris Titane - 157 000km
Renault Espace "1" TXE 1989 - Bleu Mandchourie - 245 000km - Offerte Téléthon 2019
Renault Espace "2" 2.8L V6 RXE - 1991 - Gris Rafale - 216 000km C.G. Collection 12/2021
Renault Espace "2" 2.1Dtv - 1997 - Bleu Impérial - 124 000km
Renault Espace "4" 2.0T / 170CV Initiale 2005 - Gris Platine - 214 000km
Toyota Yaris 1.5 Hybride Lounge - 2011 - Pack VIP - 106 000km. J'adore !
BMW R850 RT - 2003 - Bleu Biarritz - 128 000km. Du bonheur !
****Je ne réponds pas aux questions techniques envoyées par MP****
_______________________________________
"Ah ! Quand elles ont la tête comme ça, rentrée dans les épaules, c'est qu'elles sont pas contentes !" (Coluche)
- Sigma
- Fou (folle) du volant

- Messages : 1661
- Enregistré le : 11 août 2022, 19:21
- : : :
- Modèle : [Espace II 2.1 TD]
- Finition : Base
- Année : 1994
- : : :
- : : :
- Localisation : en dérapage
Re: Remise en route d'un Espace II J8S 1994
C'est rassurant de pouvoir compter sur les bons conseils des membres ici!
Bravo pour la bidouille du coup, l'éléc sur les renault c'est pas la meilleure part de la bagnole...
Y a vraiment un "truc" chez les éléctriciens auto qui me dépasse... j'ai rarement vu des cablages aussi bordéliques avec les épissures et des connecteurs planqués partout en plus d'avoir des longueurs de fils toujours trop ric-rac.
Bravo pour la bidouille du coup, l'éléc sur les renault c'est pas la meilleure part de la bagnole...
Y a vraiment un "truc" chez les éléctriciens auto qui me dépasse... j'ai rarement vu des cablages aussi bordéliques avec les épissures et des connecteurs planqués partout en plus d'avoir des longueurs de fils toujours trop ric-rac.
Renault Espace II RN J8S 1994 290000Km (le Sapin de noël), CG véhicule collection depuis le 09/2024
Peugeot 306 Berline "Symbio" 1.9D XUD9 1997 258000Km (Farce à la Rouille)
Peugeot 306 Berline "Symbio" 1.9D XUD9 1997 258000Km (Farce à la Rouille)
- Sigma
- Fou (folle) du volant

- Messages : 1661
- Enregistré le : 11 août 2022, 19:21
- : : :
- Modèle : [Espace II 2.1 TD]
- Finition : Base
- Année : 1994
- : : :
- : : :
- Localisation : en dérapage
Re: Remise en route d'un Espace II J8S 1994
Bonjour
j'ai tenté de tester ces fils de régulateur, et je ne comprends pas ce que je trouve.
Test de continuité sur les cosses du connecteur régulateur débranché.
Batterie branchée, pas de contact.
Je trouve une continuité au beeper entre les deux fils du connecteur régulateur, ça commence bien...
Ensuite je trouve une continuité entre ces fils et ces connexions:
R28a:
2/ thermistance
3/ alerte T° eau
R28b:
1/ sonde niveau huile
2/ sonde niveau huile
3/ +APC alternateur
R28C
1/ témoin charge
2/ démarreur
Un truc m'échappe là
Comment se fait-il que tous ces points soient en contact?
Pire: je trouve aussi une continuité entre la masse chassis et les fils du connecteur régulateur!
Puis pour en rajouter une couche sur le souci en action:
hier petit trajet de nuit, le voyant de batterie a commencé à s'allumer à nouveau entre chaque allumage de clignotant (après chaque coupure du relais répétiteur), et une fois garé au ralenti là c'était clignotement du voyant non-stop dès l'extinction des codes, et le temps de couper le moteur.
Tant que je n'y pige pas plus à ce bazar, je ne vois pas quoi chercher du côté de R11 sous le tdb.
J'ai rebranché le connecteur sur le régulateur histoire de pouvoir rouler mais je ne suis pas beaucoup avancé, ç'aurait été trop simple d'avoir à retirer une paire de fils jusqu'aux connexions sur les R28.
Si tout est en CC partout, comment ça se fait que ça fonctionne encore?
Ah j'ai aussi le bouchon du vase d'expansion LDR qui dégaze quand le moteur surchauffe (le temps que les ventilos abaissent la T°).
Du coup le porte filtre à air est trempé, et j'ai un doute sur la possible aspiration du LDR qui ruisselle derrière et passe à raz de l'entrée du porte filtre.
Vu que j'ai viré la grosse durit d'entrée d'air qui pompait dans le pare choc, maintenant ça pompe l'air direct sous le porte filtre.
j'ai tenté de tester ces fils de régulateur, et je ne comprends pas ce que je trouve.
Test de continuité sur les cosses du connecteur régulateur débranché.
Batterie branchée, pas de contact.
Je trouve une continuité au beeper entre les deux fils du connecteur régulateur, ça commence bien...
Ensuite je trouve une continuité entre ces fils et ces connexions:
R28a:
2/ thermistance
3/ alerte T° eau
R28b:
1/ sonde niveau huile
2/ sonde niveau huile
3/ +APC alternateur
R28C
1/ témoin charge
2/ démarreur
Un truc m'échappe là
Comment se fait-il que tous ces points soient en contact?
Pire: je trouve aussi une continuité entre la masse chassis et les fils du connecteur régulateur!
Puis pour en rajouter une couche sur le souci en action:
hier petit trajet de nuit, le voyant de batterie a commencé à s'allumer à nouveau entre chaque allumage de clignotant (après chaque coupure du relais répétiteur), et une fois garé au ralenti là c'était clignotement du voyant non-stop dès l'extinction des codes, et le temps de couper le moteur.
Tant que je n'y pige pas plus à ce bazar, je ne vois pas quoi chercher du côté de R11 sous le tdb.
J'ai rebranché le connecteur sur le régulateur histoire de pouvoir rouler mais je ne suis pas beaucoup avancé, ç'aurait été trop simple d'avoir à retirer une paire de fils jusqu'aux connexions sur les R28.
Si tout est en CC partout, comment ça se fait que ça fonctionne encore?
Ah j'ai aussi le bouchon du vase d'expansion LDR qui dégaze quand le moteur surchauffe (le temps que les ventilos abaissent la T°).
Du coup le porte filtre à air est trempé, et j'ai un doute sur la possible aspiration du LDR qui ruisselle derrière et passe à raz de l'entrée du porte filtre.
Vu que j'ai viré la grosse durit d'entrée d'air qui pompait dans le pare choc, maintenant ça pompe l'air direct sous le porte filtre.
Renault Espace II RN J8S 1994 290000Km (le Sapin de noël), CG véhicule collection depuis le 09/2024
Peugeot 306 Berline "Symbio" 1.9D XUD9 1997 258000Km (Farce à la Rouille)
Peugeot 306 Berline "Symbio" 1.9D XUD9 1997 258000Km (Farce à la Rouille)
-
grostoto
- Fou (folle) du volant

- Messages : 8835
- Enregistré le : 09 mars 2011, 14:48
- : : :
- Modèle : [Espace III 2.0 16V BVM]
- Finition : RXT
- Année : 2000
- : : :
- : : :
- Localisation : centre
Re: Remise en route d'un Espace II J8S 1994
un testeur de continuité ce n'est pas assez précis, cela peut sonner alors que tu as quelques ohms de résistance (oonc que ce n'est pas un bète fil).
- Sigma
- Fou (folle) du volant

- Messages : 1661
- Enregistré le : 11 août 2022, 19:21
- : : :
- Modèle : [Espace II 2.1 TD]
- Finition : Base
- Année : 1994
- : : :
- : : :
- Localisation : en dérapage
Re: Remise en route d'un Espace II J8S 1994
Oui tu as raison le moteur du klaxon m'avait déja eu comme ça
Je referai le même test avec l'ohmètre.
Je referai le même test avec l'ohmètre.
Renault Espace II RN J8S 1994 290000Km (le Sapin de noël), CG véhicule collection depuis le 09/2024
Peugeot 306 Berline "Symbio" 1.9D XUD9 1997 258000Km (Farce à la Rouille)
Peugeot 306 Berline "Symbio" 1.9D XUD9 1997 258000Km (Farce à la Rouille)
- Sigma
- Fou (folle) du volant

- Messages : 1661
- Enregistré le : 11 août 2022, 19:21
- : : :
- Modèle : [Espace II 2.1 TD]
- Finition : Base
- Année : 1994
- : : :
- : : :
- Localisation : en dérapage
Re: Remise en route d'un Espace II J8S 1994
Bonjour
j'ai pu faire des mesures à la pince ampèremétrique, mais je ne pige pas les valeurs.
J'ai pris les deux gros fils de masse qui arrivent sur la batterie à 20mm de la cosse, pas pu désolidariser ces fils pour tenter la mesure dans les règles.
Là moteur au ralenti, après post chauffage, ça oscillait entre -8A et +2A...
En montant dans les tours l'oscillation augmentait en fréquence mais mêmes valeurs.
Bref... incompréhensible pour moi.
Ce matin j'ai changé le régulateur avec un très gros espoir que ça soit le fautif.
Voilà la tête de celui que j'ai retiré et une vue des bagues récéptrices: Donc oui c'est bien possible de changer ce machin in situ, sans toucher à la tension de courroie pour descendre l'alternateur mais c'est sport...
Surtout que le Beru que j'ai monté est plus épais, et évidemment les vis de l'ancien régul étaient trop courtes. Pas de bol dans mes boites à vis, alors j'ai dû tronçonner des vis de chevilles Molly pour fixer le Beru. Vis de merde, empreintes "mixtes" PZ/plate déja foirées au montage, mais ça tient.
Maintenant
C'est pire!
Voyant batterie allumé tout le temps!
Malgré ça je suis allé faire un tour, des fois que les charbons aient besoin d'une sorte de rodage, et à 2000T un truc très étrange:
j'ai remonté la vitre passager et en relachant le bouton, le compte tour est descendu de 200t pendant une micro seconde! Alors que à l'oreille et au ressenti le moteur n'a pas du tout bronché.
Du coup comme depuis que je bricole cette caisse elle semble un peu suivre la mode et que dernièrement je vois pas mal de sujets concernant des alternateurs HS, je me demande si ce n'est pas tout l'alternateur qui déconne?
En tout cas vu la misère pour l'accès je ne me vois pas remplacer les bagues ou les ponts de diodes sans tout sortir. Du coup cet alternateur étant un Valéo "remanufacturé" (ça me fait marrer) ça me semble idiot de vouloir en tirer plus.
Bizarrement, les tensions sont ok en roulant et au ralenti, entre 14.2V et 14.4V.
Y a aussi une soluce possible pour que le voyant reste éteint: virer l'ampoule compteur! Mais du coup le jour où il y aura un souci je l'aurais bien dans l'os...
Merci d'avance si vous avez des idées moins bêtes que moi
j'ai pu faire des mesures à la pince ampèremétrique, mais je ne pige pas les valeurs.
J'ai pris les deux gros fils de masse qui arrivent sur la batterie à 20mm de la cosse, pas pu désolidariser ces fils pour tenter la mesure dans les règles.
Là moteur au ralenti, après post chauffage, ça oscillait entre -8A et +2A...
En montant dans les tours l'oscillation augmentait en fréquence mais mêmes valeurs.
Bref... incompréhensible pour moi.
Ce matin j'ai changé le régulateur avec un très gros espoir que ça soit le fautif.
Voilà la tête de celui que j'ai retiré et une vue des bagues récéptrices: Donc oui c'est bien possible de changer ce machin in situ, sans toucher à la tension de courroie pour descendre l'alternateur mais c'est sport...
Surtout que le Beru que j'ai monté est plus épais, et évidemment les vis de l'ancien régul étaient trop courtes. Pas de bol dans mes boites à vis, alors j'ai dû tronçonner des vis de chevilles Molly pour fixer le Beru. Vis de merde, empreintes "mixtes" PZ/plate déja foirées au montage, mais ça tient.
Maintenant
C'est pire!
Voyant batterie allumé tout le temps!
Malgré ça je suis allé faire un tour, des fois que les charbons aient besoin d'une sorte de rodage, et à 2000T un truc très étrange:
j'ai remonté la vitre passager et en relachant le bouton, le compte tour est descendu de 200t pendant une micro seconde! Alors que à l'oreille et au ressenti le moteur n'a pas du tout bronché.
Du coup comme depuis que je bricole cette caisse elle semble un peu suivre la mode et que dernièrement je vois pas mal de sujets concernant des alternateurs HS, je me demande si ce n'est pas tout l'alternateur qui déconne?
En tout cas vu la misère pour l'accès je ne me vois pas remplacer les bagues ou les ponts de diodes sans tout sortir. Du coup cet alternateur étant un Valéo "remanufacturé" (ça me fait marrer) ça me semble idiot de vouloir en tirer plus.
Bizarrement, les tensions sont ok en roulant et au ralenti, entre 14.2V et 14.4V.
Y a aussi une soluce possible pour que le voyant reste éteint: virer l'ampoule compteur! Mais du coup le jour où il y aura un souci je l'aurais bien dans l'os...
Merci d'avance si vous avez des idées moins bêtes que moi
Renault Espace II RN J8S 1994 290000Km (le Sapin de noël), CG véhicule collection depuis le 09/2024
Peugeot 306 Berline "Symbio" 1.9D XUD9 1997 258000Km (Farce à la Rouille)
Peugeot 306 Berline "Symbio" 1.9D XUD9 1997 258000Km (Farce à la Rouille)
- jlb
- Sur la nationale

- Messages : 450
- Enregistré le : 03 mai 2008, 08:50
- : : :
- Modèle : [Espace III 2.0 16V BVM]
- Finition : The Race
- Année : 2001
- : : :
- : : :
- Localisation : 52
- Contact :
Re: Remise en route d'un Espace II J8S 1994
Les tensions sont parfaites, les bagues ainsi que les "charbons" parfaits, le compte-tours fonctionne, donc il fonctionne.
La question, Voulez-vous mettre de l'argent au commerce, et du temps, pour changer l'alternateur.
Oui, pas de soucis, ça se fait assez bien si toutes les vis ne sont pas grippées (pare-chocs, calandre, décalage du coté gauche du radiateur, etc).
Non, retirer le fil d'alarme témoins de l'alternateur ou la lampe du tableau de bord et il fera encore bien des années comme ça.
Perso ce voyant ne m'a jamais indiqué la mort de l'alternateur que ce soit sur mon 2 ou sur mon 3. Ce fut toujours la baisse des lumières (phares, tableau de bord).
Voir les autres avis qui vont suivre et faire une synthèse
La question, Voulez-vous mettre de l'argent au commerce, et du temps, pour changer l'alternateur.
Oui, pas de soucis, ça se fait assez bien si toutes les vis ne sont pas grippées (pare-chocs, calandre, décalage du coté gauche du radiateur, etc).
Non, retirer le fil d'alarme témoins de l'alternateur ou la lampe du tableau de bord et il fera encore bien des années comme ça.
Perso ce voyant ne m'a jamais indiqué la mort de l'alternateur que ce soit sur mon 2 ou sur mon 3. Ce fut toujours la baisse des lumières (phares, tableau de bord).
Voir les autres avis qui vont suivre et faire une synthèse
Jean Luc
Espace 3 2001 2L 16V 140 cv 255 000 km
j'avais un Espace 2 1993 430 000 km en 2016, parti au paradis des voitures aimées
R 5 AT de 10/81 Dauphinoise de 57
Faites votre parallélisme vous-même
Espace 3 2001 2L 16V 140 cv 255 000 km
j'avais un Espace 2 1993 430 000 km en 2016, parti au paradis des voitures aimées
R 5 AT de 10/81 Dauphinoise de 57
Faites votre parallélisme vous-même
- Sigma
- Fou (folle) du volant

- Messages : 1661
- Enregistré le : 11 août 2022, 19:21
- : : :
- Modèle : [Espace II 2.1 TD]
- Finition : Base
- Année : 1994
- : : :
- : : :
- Localisation : en dérapage
Re: Remise en route d'un Espace II J8S 1994
Mais pourquoi pire avec le nouveau régul que l'ancien???
Surtout quel rapport avec le compte tour qui descend après conso du lève vitre (pas visible au ralenti mais à 2000T j'ai pu reproduire le truc 3 fois)?
Je me demandais également si je ne ferais pas mieux de remettre l'ancien régul, l'intermittence ça me chiffone moins que le voyant en permanence.
Bon, si le nouveau régul est ok, et que ça se résoud facilement en virant l'ampoule là je m'épargnerai une cession sport qui ne m'enchante pas: j'ai déja trop eu à revenir sur le boulot pour en avoir encore le goût.
Evidemment je n'ai pas de sous à gaspiller... même si tout l'avant peut se démonter sans souci (déja fait pour bricoler le klaxon et réduire la longueur des renforts derrière le pare choc). Et pas de clim... un avantage indéniable.
Renault Espace II RN J8S 1994 290000Km (le Sapin de noël), CG véhicule collection depuis le 09/2024
Peugeot 306 Berline "Symbio" 1.9D XUD9 1997 258000Km (Farce à la Rouille)
Peugeot 306 Berline "Symbio" 1.9D XUD9 1997 258000Km (Farce à la Rouille)
Re: Remise en route d'un Espace II J8S 1994
Les charbons du régulateur et leurs bagues sur l'alternateur sont en très bon état.
Le compte tour est connecté direct sur l'alternateur.
Si l'indication des tours mn baisse sans ressentir une baisse de régime moteur,
c'est le régime de l'alternateur seul qui a baissé, courroie pas assez tendue , elle glisse avec la charge.
Cela peut être suffisant pour allumer aussi la lampe rouge , alors qu'on entend le moteur
tourner normalement.
Le compte tour est connecté direct sur l'alternateur.
Si l'indication des tours mn baisse sans ressentir une baisse de régime moteur,
c'est le régime de l'alternateur seul qui a baissé, courroie pas assez tendue , elle glisse avec la charge.
Cela peut être suffisant pour allumer aussi la lampe rouge , alors qu'on entend le moteur
tourner normalement.
espace II 2.1td 95 limited 530000km
- Sigma
- Fou (folle) du volant

- Messages : 1661
- Enregistré le : 11 août 2022, 19:21
- : : :
- Modèle : [Espace II 2.1 TD]
- Finition : Base
- Année : 1994
- : : :
- : : :
- Localisation : en dérapage
Re: Remise en route d'un Espace II J8S 1994
Merci par5, cependant j'avais refait la tension de courroie il y a quelque temps et elle me parait ok, surtout je n'y ai pas touché pour cette opération sur le régulateur. Puis pour en rajouter une couche, avant de refaire la tension la courroie était vraiment trop détendue, ça oscillait franchement entre la PE et la poulie l'alternateur, et pourtant aucun souci compte tours et exactement le même comportement du voyant (clignottement juste après conso et aléatoire).
Avec ce nouveau régul si ton idée est juste, ça voudrait dire que la courroie patine à chaud à 2000T mais uniquement quand on tire sur un consommateur?
Etrange comme truc. Ca n'explique pas trop le voyant tout le temps allumé maintenant.
Bon, alors comme d'hab je fais et je défais... demain rebelotte pour remettre le vieux régul' en place, voir ce que ça donne.
Ca m'énverve ces embrouilles éléctriques!
Au pire je mettrai quelques tours de vis pour retendre, mais ce coup là sans pouvoir mesurer ce que je fais je n'aime pas trop.
Aussi comme j'avais sorti la batterie j'en ai profité pour lui bricoler une fixation, elle était absente et la batterie était posée "naturellement" un peu en avant du passage de roue comme poussée par les fils.
Là elle est bien calée à sa place mais du coup les fils (autant les + que la masse) sont un peu compressés, pas beaucoup vu que la différence de position de la batterie est environ 20mm plus vers le passage de roue qu'avant. Mais au point où j'en suis je me dis que je n'aurais pas dû y toucher et la laisser flotter, juste retenue par les fils.
A vouloir bien faire, on fait pire... je commence à imprimer la leçon!
Avec ce nouveau régul si ton idée est juste, ça voudrait dire que la courroie patine à chaud à 2000T mais uniquement quand on tire sur un consommateur?
Etrange comme truc. Ca n'explique pas trop le voyant tout le temps allumé maintenant.
Bon, alors comme d'hab je fais et je défais... demain rebelotte pour remettre le vieux régul' en place, voir ce que ça donne.
Ca m'énverve ces embrouilles éléctriques!
Au pire je mettrai quelques tours de vis pour retendre, mais ce coup là sans pouvoir mesurer ce que je fais je n'aime pas trop.
Aussi comme j'avais sorti la batterie j'en ai profité pour lui bricoler une fixation, elle était absente et la batterie était posée "naturellement" un peu en avant du passage de roue comme poussée par les fils.
Là elle est bien calée à sa place mais du coup les fils (autant les + que la masse) sont un peu compressés, pas beaucoup vu que la différence de position de la batterie est environ 20mm plus vers le passage de roue qu'avant. Mais au point où j'en suis je me dis que je n'aurais pas dû y toucher et la laisser flotter, juste retenue par les fils.
A vouloir bien faire, on fait pire... je commence à imprimer la leçon!
Renault Espace II RN J8S 1994 290000Km (le Sapin de noël), CG véhicule collection depuis le 09/2024
Peugeot 306 Berline "Symbio" 1.9D XUD9 1997 258000Km (Farce à la Rouille)
Peugeot 306 Berline "Symbio" 1.9D XUD9 1997 258000Km (Farce à la Rouille)
-
grostoto
- Fou (folle) du volant

- Messages : 8835
- Enregistré le : 09 mars 2011, 14:48
- : : :
- Modèle : [Espace III 2.0 16V BVM]
- Finition : RXT
- Année : 2000
- : : :
- : : :
- Localisation : centre
Re: Remise en route d'un Espace II J8S 1994
la courroie patine uniquement sil y a effort, et il y a effort uniquement si on consomme du courant.
le voyant allumé, c'est normalement un mauvais amorçage.
les diodes sont dans le regu, ou sur l'alternateur ?, car tu peux avoir la tension, mais peu d’ampère.. que ce passe t'il si tu actives tout les consommateurs: phares, plein phare, essuie glace, ventil à fond, dégivrage, le tout en même temps: la tension se maintient elle à sa valeur normale, ou chute anormale ?
le voyant allumé, c'est normalement un mauvais amorçage.
les diodes sont dans le regu, ou sur l'alternateur ?, car tu peux avoir la tension, mais peu d’ampère.. que ce passe t'il si tu actives tout les consommateurs: phares, plein phare, essuie glace, ventil à fond, dégivrage, le tout en même temps: la tension se maintient elle à sa valeur normale, ou chute anormale ?
- Sigma
- Fou (folle) du volant

- Messages : 1661
- Enregistré le : 11 août 2022, 19:21
- : : :
- Modèle : [Espace II 2.1 TD]
- Finition : Base
- Année : 1994
- : : :
- : : :
- Localisation : en dérapage
Re: Remise en route d'un Espace II J8S 1994
Je n'ai pas vérifié avec des gros consommateurs, je teste ça demain.
Dans ce montage les ponts de diodes sont séparés du régul, si j'ai compris ça se démonte aussi (mais peut être pas in situ pour le coup).
Qu'est-ce que tu entends par "armorçage", il y a une procédure à effectuer quand on remplace le régul ?
Dans ce montage les ponts de diodes sont séparés du régul, si j'ai compris ça se démonte aussi (mais peut être pas in situ pour le coup).
Qu'est-ce que tu entends par "armorçage", il y a une procédure à effectuer quand on remplace le régul ?
Renault Espace II RN J8S 1994 290000Km (le Sapin de noël), CG véhicule collection depuis le 09/2024
Peugeot 306 Berline "Symbio" 1.9D XUD9 1997 258000Km (Farce à la Rouille)
Peugeot 306 Berline "Symbio" 1.9D XUD9 1997 258000Km (Farce à la Rouille)
-
grostoto
- Fou (folle) du volant

- Messages : 8835
- Enregistré le : 09 mars 2011, 14:48
- : : :
- Modèle : [Espace III 2.0 16V BVM]
- Finition : RXT
- Année : 2000
- : : :
- : : :
- Localisation : centre
Re: Remise en route d'un Espace II J8S 1994
non aucune manip, c'est la présence du voyant qui amorce le régulateur.
mais s'il reste allumé, c'est qu'il y a un pb quelque part.
https://www.sebhydro.com/pages/document ... 3%A7age%20(Fig.&text=Le%20moteur%20thermique%20est%20%C3%A0,de%20tension%20et%20un%20balai.
mais s'il reste allumé, c'est qu'il y a un pb quelque part.
https://www.sebhydro.com/pages/document ... 3%A7age%20(Fig.&text=Le%20moteur%20thermique%20est%20%C3%A0,de%20tension%20et%20un%20balai.
- Sigma
- Fou (folle) du volant

- Messages : 1661
- Enregistré le : 11 août 2022, 19:21
- : : :
- Modèle : [Espace II 2.1 TD]
- Finition : Base
- Année : 1994
- : : :
- : : :
- Localisation : en dérapage
Re: Remise en route d'un Espace II J8S 1994
Merci Grostoto c'est du lourd ces infos!
Dis moi si je me trompe: est-ce qu'en amenant un +12V directement sur la borne d'excitation ça permettrait de savoir si le souci vient des connecteurs faisceau?
C'est pas évident à tester sur place mais je peux tenter en bricolant des fils avec des cosses pour déporter la prise du régulateur et pouvoir lui envoyer la sauce d'un côté, de l'autre l'ampoule doit être ok vu que ça s'allume bien.
Je me gourre?
Sinon les ponts de diodes... mais ça devrait être visible lors d'un test avec des consommateurs il me semble.
Bizarrement sur le schéma de ma voiture (voir dans un message précédent) les 3 diodes d'excitation ne sont pas représentées. Ca signifie qu'elles sont peut être directement dans le régulateur?
Dis moi si je me trompe: est-ce qu'en amenant un +12V directement sur la borne d'excitation ça permettrait de savoir si le souci vient des connecteurs faisceau?
C'est pas évident à tester sur place mais je peux tenter en bricolant des fils avec des cosses pour déporter la prise du régulateur et pouvoir lui envoyer la sauce d'un côté, de l'autre l'ampoule doit être ok vu que ça s'allume bien.
Je me gourre?
Sinon les ponts de diodes... mais ça devrait être visible lors d'un test avec des consommateurs il me semble.
Bizarrement sur le schéma de ma voiture (voir dans un message précédent) les 3 diodes d'excitation ne sont pas représentées. Ca signifie qu'elles sont peut être directement dans le régulateur?
Renault Espace II RN J8S 1994 290000Km (le Sapin de noël), CG véhicule collection depuis le 09/2024
Peugeot 306 Berline "Symbio" 1.9D XUD9 1997 258000Km (Farce à la Rouille)
Peugeot 306 Berline "Symbio" 1.9D XUD9 1997 258000Km (Farce à la Rouille)
- jlb
- Sur la nationale

- Messages : 450
- Enregistré le : 03 mai 2008, 08:50
- : : :
- Modèle : [Espace III 2.0 16V BVM]
- Finition : The Race
- Année : 2001
- : : :
- : : :
- Localisation : 52
- Contact :
Re: Remise en route d'un Espace II J8S 1994
Quelques infos sur l'alternateur de l'Espace.
Perso, j'ai installé un alternateur avec régulateur intégré (comme sur l'Espace) sur un tracteur Pony en remplacement de la dynamo. Uniquement 2 fils raccordés, le + permanent et le plus après contact sur le régulateur. Le voyant n'est pas utilisé et ça fonctionne très bien.
Perso, j'ai installé un alternateur avec régulateur intégré (comme sur l'Espace) sur un tracteur Pony en remplacement de la dynamo. Uniquement 2 fils raccordés, le + permanent et le plus après contact sur le régulateur. Le voyant n'est pas utilisé et ça fonctionne très bien.
Jean Luc
Espace 3 2001 2L 16V 140 cv 255 000 km
j'avais un Espace 2 1993 430 000 km en 2016, parti au paradis des voitures aimées
R 5 AT de 10/81 Dauphinoise de 57
Faites votre parallélisme vous-même
Espace 3 2001 2L 16V 140 cv 255 000 km
j'avais un Espace 2 1993 430 000 km en 2016, parti au paradis des voitures aimées
R 5 AT de 10/81 Dauphinoise de 57
Faites votre parallélisme vous-même
- Sigma
- Fou (folle) du volant

- Messages : 1661
- Enregistré le : 11 août 2022, 19:21
- : : :
- Modèle : [Espace II 2.1 TD]
- Finition : Base
- Année : 1994
- : : :
- : : :
- Localisation : en dérapage
Re: Remise en route d'un Espace II J8S 1994
Bonjour
merci Jean-Luc, du coup c'est bien de savoir qu'on peut leurrer le régul de cette manière!
Cela dit j'ai pu tester quelques trucs rapidos, en passant entre les gouttes (marre de la canicule
):
j'ai bien un +14.4V sur l'electrovanne de la PI, mais sur la cosse D+ du régul il n'arrive que +13.8V...
Sur la borne L j'ai environ +1.80V, donc on est pas loin d'être dans les clous par rapport à la doc transmise par Grostoto précédemment.
Au ralenti j'ai pas eu besoin d'aller bien loin pour voir un souci: juste les phares (donc H4 à LED ça tire moins que les halogènes même si je ne sais toujours pas leur conso exacte) + ventil habitacle position max >>> mon petit multimètre de controle dans l'allume cigare affiche direct une baisse de tension de 14.4V sans rien à 13.7V avec ces consommateurs.
J'ai ce petit multi allume cigare dans la voiture depuis longtemps, je sais que ce n'est pas super fiable mais il est assez cohérent par rapport à ce que je peux mesurer avec mes deux autres multis, dont un 500 000pts vraiment très précis.
Je n'avais pas cette chute de tension avec l'ancien régulateur! A aucun moment je n'ai vu cela, ni en roulant en famille avec les lèves vitres, les phares, l'autoradio etc... la tension affichée variait un poil parfois mais dans une gamme de +/-0.2V pas plus.
Alors ok j'ai aussi mesuré des tensions parfois supérieures à 14.4V avec l'ancien régul, une paire de fois même à 14.8V... est-ce que ça aurait compensé un souci de débit de l'alternateur qui devient visible avec le nouveau régul, qui est peut être plus dans les clous ?
Donc je veux bien croire qu'il y ait un petit problème de cablage sur le D+, perte de tension grace à la grande fiabilité légendaire des cablages renault, c'est fort probable. Mais j'ai quand même un doute sur ce nouveau régul'.
On avait parlé des pièces SKF rebrandées dont on ne connait pas l'origine dans un autre post... ben dans mon cas le BERU germain est "made in china".
La ref exacte est GER016...
Je ne crois pas avoir créé d'autres problèmes hier, bien que j'ai resserré quelques écrous sur l'alternateur croyant les avoir un peu libérés lors du démontage du cache, mais pas à bloc, et du côté cablage batterie bon vu les sections même si c'est un peu plus compressé suite à la fixation batterie il n'y a pas de pli franc à 90°, juste un peu de pression. Ca m'étonnerait que ça puisse briser les brins à l'intérieur aussi facilement.
Donc avant d'aller plus loin, dès que je peux bosser au sec, je vais remettre l'ancien régul en place et refaire le test en conso, histoire d'avoir les idées claires à son sujet.
Si ça chute là ok j'irai voir l'alternateur lui même...
merci Jean-Luc, du coup c'est bien de savoir qu'on peut leurrer le régul de cette manière!
Cela dit j'ai pu tester quelques trucs rapidos, en passant entre les gouttes (marre de la canicule
j'ai bien un +14.4V sur l'electrovanne de la PI, mais sur la cosse D+ du régul il n'arrive que +13.8V...
Sur la borne L j'ai environ +1.80V, donc on est pas loin d'être dans les clous par rapport à la doc transmise par Grostoto précédemment.
Au ralenti j'ai pas eu besoin d'aller bien loin pour voir un souci: juste les phares (donc H4 à LED ça tire moins que les halogènes même si je ne sais toujours pas leur conso exacte) + ventil habitacle position max >>> mon petit multimètre de controle dans l'allume cigare affiche direct une baisse de tension de 14.4V sans rien à 13.7V avec ces consommateurs.
J'ai ce petit multi allume cigare dans la voiture depuis longtemps, je sais que ce n'est pas super fiable mais il est assez cohérent par rapport à ce que je peux mesurer avec mes deux autres multis, dont un 500 000pts vraiment très précis.
Je n'avais pas cette chute de tension avec l'ancien régulateur! A aucun moment je n'ai vu cela, ni en roulant en famille avec les lèves vitres, les phares, l'autoradio etc... la tension affichée variait un poil parfois mais dans une gamme de +/-0.2V pas plus.
Alors ok j'ai aussi mesuré des tensions parfois supérieures à 14.4V avec l'ancien régul, une paire de fois même à 14.8V... est-ce que ça aurait compensé un souci de débit de l'alternateur qui devient visible avec le nouveau régul, qui est peut être plus dans les clous ?
Donc je veux bien croire qu'il y ait un petit problème de cablage sur le D+, perte de tension grace à la grande fiabilité légendaire des cablages renault, c'est fort probable. Mais j'ai quand même un doute sur ce nouveau régul'.
On avait parlé des pièces SKF rebrandées dont on ne connait pas l'origine dans un autre post... ben dans mon cas le BERU germain est "made in china".
La ref exacte est GER016...
Je ne crois pas avoir créé d'autres problèmes hier, bien que j'ai resserré quelques écrous sur l'alternateur croyant les avoir un peu libérés lors du démontage du cache, mais pas à bloc, et du côté cablage batterie bon vu les sections même si c'est un peu plus compressé suite à la fixation batterie il n'y a pas de pli franc à 90°, juste un peu de pression. Ca m'étonnerait que ça puisse briser les brins à l'intérieur aussi facilement.
Donc avant d'aller plus loin, dès que je peux bosser au sec, je vais remettre l'ancien régul en place et refaire le test en conso, histoire d'avoir les idées claires à son sujet.
Si ça chute là ok j'irai voir l'alternateur lui même...
Renault Espace II RN J8S 1994 290000Km (le Sapin de noël), CG véhicule collection depuis le 09/2024
Peugeot 306 Berline "Symbio" 1.9D XUD9 1997 258000Km (Farce à la Rouille)
Peugeot 306 Berline "Symbio" 1.9D XUD9 1997 258000Km (Farce à la Rouille)
- botcarn
- Sur la nationale

- Messages : 254
- Enregistré le : 10 févr. 2011, 22:08
- : : :
- Modèle : [Espace II 2.1 TD]
- Finition : Cyclade
- Année : 1995
- : : :
- : : :
- Localisation : nantes bretagne historique
Re: Remise en route d'un Espace II J8S 1994
effectivement , je n ' ai jamais vu les diodes d' excitation ! ! !
espace 2 T D 470000 km 1995 .localisation: nantes en bretagne historique. clim rajoutée .
