Sonde température d'eau et surconsommation

Modérateur : Equipe du site

Règles du forum
Nous sommes sur un forum d'entraide et de passionnés, assurez-vous avant de poster de respecter ceci: Image
Le bonjour est de coutume ici pour commencer ses messages ;)
Steph75
Passager(ère)
Passager(ère)
Messages : 49
Enregistré le : 02 août 2012, 00:24
: : :
Modèle : [Espace I 2.0 carburateur]
Finition : GTS
Année : 1991
: : :
: : :

Sonde température d'eau et surconsommation

Message non lu par Steph75 »

Bonjour à tous,

J'ai un Espace I Injection Essence (TXE). Achetée il y a 4 ans à 180.000kms. Aujourd'hui, elle a 245.000.

Depuis qq temps, j'ai plusieurs problèmes qui sont apparus à peu près en même temps :
*Aiguille de T°c d'eau qui reste au 2nd repère et ne monte pas plus haut
*Surconsommation (près de 12l/100)
*Le régime n'est pas stable lorsque je débraye (elle démarre bien à chaud ou à froid, tient bien le ralenti, mais si je débraye par ex à 1500 trs, le régime tombe, et elle cale).

Je pense à un problème de sonde de T°c d'eau. (celle sous le calorstat, à priori), mais je n'arrive pas à trouver la référence, et impossible de l'avoir chez les équipementiers.

Est ce que quelqu'un aurait la référence de la sonde ? Et si vous avez une autre analyse sur l'origine du problème, je suis preneur.
Merci et belle journée à tous.
Stéven
Espace 1 phase 2, Mai 1991, Essence Injection, TXE Injection, 245 000 kms
Avatar du membre
Pilou29
Site Admin
Site Admin
Messages : 13654
Enregistré le : 10 janv. 2008, 23:37
: : :
Modèle : [Espace I 2.0 carburateur]
Finition : TSE
Année : 1984
: : :
2ème modèle : [Espace III 2.0 16V BVA]
finition : Privilège
Année : 2001
: : :
3ème modèle : [Avantime V6-24 BVM]
Finition : AVANTIME :
Année : 2002

Re: Sonde température d'eau et surconsommation

Message non lu par Pilou29 »

C'est comme si tu roulais au starter sur une voiture à carburateur

Je ne peux t'en dire plus sur l'origine de ta panne, mais ce moteur est chatouilleux sur les sondes et seules les sondes d'origine Renault font bien le job.
Il existe plusieurs posts à ce sujet et comme disait notre ami Pontiac sur ce moteur : "les sondes, les sondes, toujours les sondes"
Espace I 2000 TSE (futur collector :lol: N° 2298 de septembre 1984 - le bonheur : pas d'électronique, ou presque )
Image_____Image_____Image
Espace II V6 Auto 1996 Bleu Boite HS :( (Parti à la casse !)
Espace III Privilège 2.0 16v Proactive 2001
Le petit dernier : Avantime V6 Privilège
La puce : Twingo 2001 jaune
Pépère ; Camping Car collector Ford 1988
Image
Steph75
Passager(ère)
Passager(ère)
Messages : 49
Enregistré le : 02 août 2012, 00:24
: : :
Modèle : [Espace I 2.0 carburateur]
Finition : GTS
Année : 1991
: : :
: : :

Re: Sonde température d'eau et surconsommation

Message non lu par Steph75 »

Merci pour la réponse.
Oui, c'est l'impression que ça me donne, comme si elle roulait sur starter. Première injection après des carbus, je ne suis pas habitué.
Et effectivement, ça a l'air sensible à ce niveau. J'ai testé une sonde achetée chez AD, mais déjà au démarrage, elle n'a pas aimé.
Une idée de la référence précise, et surtout où je peux trouver la bonne pièce ?
Merci d'avance.
Espace 1 phase 2, Mai 1991, Essence Injection, TXE Injection, 245 000 kms
Avatar du membre
troublouse
Fou (folle) du volant
Fou (folle) du volant
Messages : 1798
Enregistré le : 03 nov. 2013, 15:37
: : :
Modèle : [Espace I 2.0 carburateur]
Finition : TSE
Année : 1985
: : :
2ème modèle : [Espace I 2.0 injection]
finition : Connoly
Année : 1990
: : :
3ème modèle : [Espace I Quadra]
Finition : TXE injection
Année : 1989
Localisation : Tours

Re: Sonde température d'eau et surconsommation

Message non lu par troublouse »

Steph75 a écrit : 05 déc. 2024, 14:11 Merci pour la réponse.
Oui, c'est l'impression que ça me donne, comme si elle roulait sur starter. Première injection après des carbus, je ne suis pas habitué.
Et effectivement, ça a l'air sensible à ce niveau. J'ai testé une sonde achetée chez AD, mais déjà au démarrage, elle n'a pas aimé.
Une idée de la référence précise, et surtout où je peux trouver la bonne pièce ?
Merci d'avance.
Bonjour ,

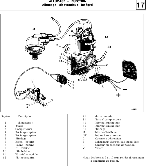
il ya 2 sondes :
77 00 771 821 rouge 1 connecteur pour l'affichage au tableau de bords
77 00 730 022 noir 2 connecteurs pour le calculateur d'injection , cette sonde est difficile à trouver car c'est une CTP ( résistance augmente quand la température augmente )
sonde Esapce1.JPG
Tu peux vérifier avec un multimètre la résistance en fonction de la température.
Vérifier le boitier papillon : gros nettoyage et pied levé , pied à fond (avec valise Can clip ou XR25 )

A+
Yves
ESPACE 1 Phase 1 2000 TSE T005741 Gris Titane de 1985 306 000 km
ESPACE 1 Phase 1 2000 GTS T001652 Gris Titane de 1985 216 000 Km ( donneur d'organes )
ESPACE 1 Phase 2 2000 GTS T050343 Ambulance SANICAR de 1990 234 000 Km
ESPACE 1 Phase 2 2.0i TXE Quadra T008896 Bleu Sidéral de 1989 452 840 Km
ESPACE 1 Phase 2 2.0i Connolly T013161 Gris Pluton de 1990 408 500 Km
ESPACE 1 Phase 2 2.0i Connolly T012899 Gris Pluton de 1991 425 000 Km
ESPACE 2 V6 PRV GPL Grand Ecran T021606 Vert Illusion de 1995 338864
ESPACE 3 V6 24 Privilège T013671 Gris Titane métallisé de 2002 140 000 Km
ESPACE 3 V6 PRV 12 GPL Lagardère T004134 Brun Toscane de 1998 19000 Km
AVANTIME V6 Privilège PE2 volcan BVA T003587 Gris Acier de 2002 245 000 Km
BMW R1100RT
Steph75
Passager(ère)
Passager(ère)
Messages : 49
Enregistré le : 02 août 2012, 00:24
: : :
Modèle : [Espace I 2.0 carburateur]
Finition : GTS
Année : 1991
: : :
: : :

Re: Sonde température d'eau et surconsommation

Message non lu par Steph75 »

Merci beaucoup pour les infos, Yves, cool !

Je ne sais pas où tu as trouvé les infos. J'ai le manuel de réparation complet, mais aucune info sur les sondes.

Je pensais que c'était la même qui envoyait les infos au calculateur et au tableau. Celle sous le calorstat, je vois. L'autre, c'est celle sur le radiateur, ou il y en a une autre ailleurs ?

Je vais déjà changer les deux, voir ce que ça donne.

Bonne soirée.
Stéven
Espace 1 phase 2, Mai 1991, Essence Injection, TXE Injection, 245 000 kms
Baccaronze
Sur l'autoroute
Sur l'autoroute
Messages : 855
Enregistré le : 14 avr. 2014, 21:19
: : :
Modèle : [Espace I 2.1 TD]
Finition : TurboD
Année : 1990
: : :
: : :

Re: Sonde température d'eau et surconsommation

Message non lu par Baccaronze »

Sur le radiateur, ca doit etre le thermocontact pour declencher le ventilateur.

Si c est comme sur le F, elle doit se situer quelque part sur le moteur ;)
Espace 1 TurboD 1990, 259.128 kms.
Avatar du membre
troublouse
Fou (folle) du volant
Fou (folle) du volant
Messages : 1798
Enregistré le : 03 nov. 2013, 15:37
: : :
Modèle : [Espace I 2.0 carburateur]
Finition : TSE
Année : 1985
: : :
2ème modèle : [Espace I 2.0 injection]
finition : Connoly
Année : 1990
: : :
3ème modèle : [Espace I Quadra]
Finition : TXE injection
Année : 1989
Localisation : Tours

Re: Sonde température d'eau et surconsommation

Message non lu par troublouse »

Steph75 a écrit : 05 déc. 2024, 23:05 Merci beaucoup pour les infos, Yves, cool !

Je ne sais pas où tu as trouvé les infos. J'ai le manuel de réparation complet, mais aucune info sur les sondes.

Je pensais que c'était la même qui envoyait les infos au calculateur et au tableau. Celle sous le calorstat, je vois. L'autre, c'est celle sur le radiateur, ou il y en a une autre ailleurs ?

Je vais déjà changer les deux, voir ce que ça donne.

Bonne soirée.
Stéven
Bonjour,
Les deux sondes sont au niveau du calorstat.
C'est sur la doc Renault ou sur Dialogys , tu peux la trouver sur internet sur http://www.catcar.info/en/
Dans ta signature tu as une GTS donc carburateur , peut tu mettre à jour ta signature.
A+ Yves
ESPACE 1 Phase 1 2000 TSE T005741 Gris Titane de 1985 306 000 km
ESPACE 1 Phase 1 2000 GTS T001652 Gris Titane de 1985 216 000 Km ( donneur d'organes )
ESPACE 1 Phase 2 2000 GTS T050343 Ambulance SANICAR de 1990 234 000 Km
ESPACE 1 Phase 2 2.0i TXE Quadra T008896 Bleu Sidéral de 1989 452 840 Km
ESPACE 1 Phase 2 2.0i Connolly T013161 Gris Pluton de 1990 408 500 Km
ESPACE 1 Phase 2 2.0i Connolly T012899 Gris Pluton de 1991 425 000 Km
ESPACE 2 V6 PRV GPL Grand Ecran T021606 Vert Illusion de 1995 338864
ESPACE 3 V6 24 Privilège T013671 Gris Titane métallisé de 2002 140 000 Km
ESPACE 3 V6 PRV 12 GPL Lagardère T004134 Brun Toscane de 1998 19000 Km
AVANTIME V6 Privilège PE2 volcan BVA T003587 Gris Acier de 2002 245 000 Km
BMW R1100RT
Steph75
Passager(ère)
Passager(ère)
Messages : 49
Enregistré le : 02 août 2012, 00:24
: : :
Modèle : [Espace I 2.0 carburateur]
Finition : GTS
Année : 1991
: : :
: : :

Re: Sonde température d'eau et surconsommation

Message non lu par Steph75 »

Bonjour,
Merci pour les infos et le lien (top!). J'ai modifié mon profil et la signature.
Je vais déjà changer les 2 sondes, je vais voir ce que ça donne.
Bon week end à tous.
Stéven
Espace 1 phase 2, Mai 1991, Essence Injection, TXE Injection, 245 000 kms
Avatar du membre
troublouse
Fou (folle) du volant
Fou (folle) du volant
Messages : 1798
Enregistré le : 03 nov. 2013, 15:37
: : :
Modèle : [Espace I 2.0 carburateur]
Finition : TSE
Année : 1985
: : :
2ème modèle : [Espace I 2.0 injection]
finition : Connoly
Année : 1990
: : :
3ème modèle : [Espace I Quadra]
Finition : TXE injection
Année : 1989
Localisation : Tours

Re: Sonde température d'eau et surconsommation

Message non lu par troublouse »

Steph75 a écrit : 06 déc. 2024, 13:24 Bonjour,
Merci pour les infos et le lien (top!). J'ai modifié mon profil et la signature.
Je vais déjà changer les 2 sondes, je vais voir ce que ça donne.
Bon week end à tous.
Stéven
As-tu trouvé les bonnes sondes ,
ESPACE 1 Phase 1 2000 TSE T005741 Gris Titane de 1985 306 000 km
ESPACE 1 Phase 1 2000 GTS T001652 Gris Titane de 1985 216 000 Km ( donneur d'organes )
ESPACE 1 Phase 2 2000 GTS T050343 Ambulance SANICAR de 1990 234 000 Km
ESPACE 1 Phase 2 2.0i TXE Quadra T008896 Bleu Sidéral de 1989 452 840 Km
ESPACE 1 Phase 2 2.0i Connolly T013161 Gris Pluton de 1990 408 500 Km
ESPACE 1 Phase 2 2.0i Connolly T012899 Gris Pluton de 1991 425 000 Km
ESPACE 2 V6 PRV GPL Grand Ecran T021606 Vert Illusion de 1995 338864
ESPACE 3 V6 24 Privilège T013671 Gris Titane métallisé de 2002 140 000 Km
ESPACE 3 V6 PRV 12 GPL Lagardère T004134 Brun Toscane de 1998 19000 Km
AVANTIME V6 Privilège PE2 volcan BVA T003587 Gris Acier de 2002 245 000 Km
BMW R1100RT
Steph75
Passager(ère)
Passager(ère)
Messages : 49
Enregistré le : 02 août 2012, 00:24
: : :
Modèle : [Espace I 2.0 carburateur]
Finition : GTS
Année : 1991
: : :
: : :

Re: Sonde température d'eau et surconsommation

Message non lu par Steph75 »

Bonjour,
J'ai trouvé la sonde 1 broche. Je commande l'autre sur Internet ce week end. Apparemment on arrive encore à la trouver, mais plus référencée chez les équipementiers.
Espace 1 phase 2, Mai 1991, Essence Injection, TXE Injection, 245 000 kms
Steph75
Passager(ère)
Passager(ère)
Messages : 49
Enregistré le : 02 août 2012, 00:24
: : :
Modèle : [Espace I 2.0 carburateur]
Finition : GTS
Année : 1991
: : :
: : :

Re: Sonde température d'eau et surconsommation

Message non lu par Steph75 »

J'ai changé la première sonde. La jauge monte un peu plus, mais reste quand même près du 2ème repère, donc trop bassse.
Je ne pense pas que les 2 sondes soient corrélées. Je vais quand même changer l'autre. Du coup, je me demande si il n'y a pas un problème ailleurs : Calorstat ou pompe à eau. Mais elle devrait chauffer, sauf si le calorstat reste ouvert. Je vais prévoir de le changer.
Si vous avez une autre idée, je suis preneur.
Bon week-end.
Stéven
Espace 1 phase 2, Mai 1991, Essence Injection, TXE Injection, 245 000 kms
Baccaronze
Sur l'autoroute
Sur l'autoroute
Messages : 855
Enregistré le : 14 avr. 2014, 21:19
: : :
Modèle : [Espace I 2.1 TD]
Finition : TurboD
Année : 1990
: : :
: : :

Re: Sonde température d'eau et surconsommation

Message non lu par Baccaronze »

En fonctionnement normal, le thermostat est fermé au départ, la grosse durite qui va au radiateur doit être froide.

Au bout d, un moment, la durite commence a chauffer, ce qui provoque une légère baisse de la température.

Vérifie déjà ca.

Sinon, quand tu parles de 2e repère, tu parles bien de celui juste après celui qui est a plat? Si oui, c est effectivement un poil bas, il devrait monter pratiquement au 3e ( par contre, il ne doit pas approcher le début du "U" orange..)
Espace 1 TurboD 1990, 259.128 kms.
Steph75
Passager(ère)
Passager(ère)
Messages : 49
Enregistré le : 02 août 2012, 00:24
: : :
Modèle : [Espace I 2.0 carburateur]
Finition : GTS
Année : 1991
: : :
: : :

Re: Sonde température d'eau et surconsommation

Message non lu par Steph75 »

Bonsoir.

Pour la jauge T°c, oui c'est bien ça. Là c'est clairement trop bas. L'aiguille montait un peu en dessous du 3ème repère (j'ai eu un espace carbu sur lequel l'aiguille restait pile entre le 2ème et le 3ème). Elle est descendu proche du 2nd repère depuis 2 mois, ce qui correspond au moment où ont commencé les pbs de surconsommation (bougies noires, trop de fumée parfois noire à l'échappement), et régime qui a du mal à se stabiliser quand je suis à un régime un peu haut et que je débraye (si je ne ralentit pas comme il faut, je cale quand je m'arrête), mais le ralenti reste ok.

Je n'ai pas eu le temps de vérifier le comportement du calorstat. Je vais essayer de le faire.

Bonne soirée.
Espace 1 phase 2, Mai 1991, Essence Injection, TXE Injection, 245 000 kms
Steph75
Passager(ère)
Passager(ère)
Messages : 49
Enregistré le : 02 août 2012, 00:24
: : :
Modèle : [Espace I 2.0 carburateur]
Finition : GTS
Année : 1991
: : :
: : :

Re: Sonde température d'eau et surconsommation

Message non lu par Steph75 »

Bonjour à tous,
Quelques nouvelles.
J'ai changé le calorstat le week end dernier. Celui qui était en place était légèrement tordu au niveau de la tête et la partie mobile était de travers, du coup. Ce qui expliquait la mauvaise température sur le tableau de bord. Après changement du calorstat, j'ai récupéré une température normale au tableau, au niveau du 3ème repère.
Par contre, toujours le même problème (surconsommation et baisse brutale de régime au brayage).

J'ai enfin reçu la sonde de température d'eau hier.
Après changement, toujours le même problème, sauf après 10 / 15 minutes, le régime redescend normalement, et le moteur ne cale pas. J'en ai profité pour tester la sonde d'origine, et elle donne bien les bonnes résistances en fonction de la température (280 20°, 400 à 90°). Donc ça ne semble pas venir de la sonde. Je n'ai pas encore vérifié la nouvelle.
Je n'ai pas réussi à vérifier si les bonnes infos arrivent bien au calculateur. Je n'ai pas trouvé l'arrivée des fils.
Il me reste à nettoyer le boitier papillon.
Est ce que quelqu'un aurait une autre idée du problème ? Calculateur qui déconne ?
Bonne journée à tous.
Stéven
Espace 1 phase 2, Mai 1991, Essence Injection, TXE Injection, 245 000 kms
Avatar du membre
Sigma
Fou (folle) du volant
Fou (folle) du volant
Messages : 1661
Enregistré le : 11 août 2022, 19:21
: : :
Modèle : [Espace II 2.1 TD]
Finition : Base
Année : 1994
: : :
: : :
Localisation : en dérapage

Re: Sonde température d'eau et surconsommation

Message non lu par Sigma »

Salut
sur ton moteur il y a d'autres éléments qui peuvent mettre le fonctionnement en carafe.
Sonde lambda, capteur de pression... etc... y a du monde dans ce système!

Regarde un peu ça:
Capture d’écran_2024-12-19_21-04-03.png
Capture d’écran_2024-12-19_21-04-25.png
Capture d’écran_2024-12-19_21-04-47.png
Capture d’écran_2024-12-19_21-05-13.png
Capture d’écran_2024-12-19_21-06-41.png
Et note aussi qu'un souci peut arriver en raison de mauvaises connexions ( :roll: les masses ? ):
Capture d’écran_2024-12-19_21-10-54.png
Capture d’écran_2024-12-19_21-11-33.png
Capture d’écran_2024-12-19_21-12-54.png
Renault Espace II RN J8S 1994 290000Km (le Sapin de noël), CG véhicule collection depuis le 09/2024 :mrgreen:
Peugeot 306 Berline "Symbio" 1.9D XUD9 1997 258000Km (Farce à la Rouille)
Steph75
Passager(ère)
Passager(ère)
Messages : 49
Enregistré le : 02 août 2012, 00:24
: : :
Modèle : [Espace I 2.0 carburateur]
Finition : GTS
Année : 1991
: : :
: : :

Re: Sonde température d'eau et surconsommation

Message non lu par Steph75 »

Bonjour,

Merci Sigma pour les infos et docs. Je vais checker les différentes sondes.

Quelqu'un aurait la référence pour la sonde à oxygène ? Et une idée si on peut encore la trouver ? Pour les autres ça a l'air jouable.
Espace 1 phase 2, Mai 1991, Essence Injection, TXE Injection, 245 000 kms
Avatar du membre
troublouse
Fou (folle) du volant
Fou (folle) du volant
Messages : 1798
Enregistré le : 03 nov. 2013, 15:37
: : :
Modèle : [Espace I 2.0 carburateur]
Finition : TSE
Année : 1985
: : :
2ème modèle : [Espace I 2.0 injection]
finition : Connoly
Année : 1990
: : :
3ème modèle : [Espace I Quadra]
Finition : TXE injection
Année : 1989
Localisation : Tours

Re: Sonde température d'eau et surconsommation

Message non lu par troublouse »

Steph75 a écrit : 21 déc. 2024, 10:11 Bonjour,

Merci Sigma pour les infos et docs. Je vais checker les différentes sondes.

Quelqu'un aurait la référence pour la sonde à oxygène ? Et une idée si on peut encore la trouver ? Pour les autres ça a l'air jouable.
Bonjour ,

La sonde lambda n'est que sur les J7T moteur 2.2l ,si tu as un J7R
Moteur 2l il n'y a pas de sonde lambda.
A+ Yves
ESPACE 1 Phase 1 2000 TSE T005741 Gris Titane de 1985 306 000 km
ESPACE 1 Phase 1 2000 GTS T001652 Gris Titane de 1985 216 000 Km ( donneur d'organes )
ESPACE 1 Phase 2 2000 GTS T050343 Ambulance SANICAR de 1990 234 000 Km
ESPACE 1 Phase 2 2.0i TXE Quadra T008896 Bleu Sidéral de 1989 452 840 Km
ESPACE 1 Phase 2 2.0i Connolly T013161 Gris Pluton de 1990 408 500 Km
ESPACE 1 Phase 2 2.0i Connolly T012899 Gris Pluton de 1991 425 000 Km
ESPACE 2 V6 PRV GPL Grand Ecran T021606 Vert Illusion de 1995 338864
ESPACE 3 V6 24 Privilège T013671 Gris Titane métallisé de 2002 140 000 Km
ESPACE 3 V6 PRV 12 GPL Lagardère T004134 Brun Toscane de 1998 19000 Km
AVANTIME V6 Privilège PE2 volcan BVA T003587 Gris Acier de 2002 245 000 Km
BMW R1100RT
Steph75
Passager(ère)
Passager(ère)
Messages : 49
Enregistré le : 02 août 2012, 00:24
: : :
Modèle : [Espace I 2.0 carburateur]
Finition : GTS
Année : 1991
: : :
: : :

Re: Sonde température d'eau et surconsommation

Message non lu par Steph75 »

Bonjour,
Merci pour l'info, Yves. Ca me rassure. Je n'arrivais pas la trouver sur le moteur ! Et apparemment c'est chaud pour en trouver une nouvelle.

J'ai peut être un début de réponse. J'ai démonté le capteur pmh. Il était blindé d'huile. J'ai changé le bouchon de remplissage d'huile il y a 2 semaines. Ca avait dégorgée de partout (tête delko, capteur, bas moteur, boîte de vitesse). Nettoyage du capteur, remontage. Au démarrage, ça semble pas mal (le régime à froid semblait un peu plus haut). Reste à voir en roulant.

Par contre, j'avais commandé un capteur chez AD, mais c'est un 2 pôles. L'original est un 3 pôles. Une idée d'où je peux trouver le bon capteur. Ou est ce que je peux brancher un capteur 2 pôles à la place de l'original. Avec câblage ?

Bonne fin de journée.
Stéven
Espace 1 phase 2, Mai 1991, Essence Injection, TXE Injection, 245 000 kms
Steph75
Passager(ère)
Passager(ère)
Messages : 49
Enregistré le : 02 août 2012, 00:24
: : :
Modèle : [Espace I 2.0 carburateur]
Finition : GTS
Année : 1991
: : :
: : :

Re: Sonde température d'eau et surconsommation

Message non lu par Steph75 »

J'ai trouvé une discussion sur le capteur. Pour info, le moteur est un J7R E 760. En suivant le lien proposé par Baccaronze, j'ai trouvé cette réf. https://www.oscaro.com/palpeur-de-regim ... HokLearbd5
Ca collerait ?
Espace 1 phase 2, Mai 1991, Essence Injection, TXE Injection, 245 000 kms
Baccaronze
Sur l'autoroute
Sur l'autoroute
Messages : 855
Enregistré le : 14 avr. 2014, 21:19
: : :
Modèle : [Espace I 2.1 TD]
Finition : TurboD
Année : 1990
: : :
: : :

Re: Sonde température d'eau et surconsommation

Message non lu par Baccaronze »

C'est du 3 prises comme le tien, donc c est bon, vérifie quand même la longueur :mrgreen:
Espace 1 TurboD 1990, 259.128 kms.
Steph75
Passager(ère)
Passager(ère)
Messages : 49
Enregistré le : 02 août 2012, 00:24
: : :
Modèle : [Espace I 2.0 carburateur]
Finition : GTS
Année : 1991
: : :
: : :

Re: Sonde température d'eau et surconsommation

Message non lu par Steph75 »

Bonjour à tous.

Je vous souhaite une très belle année, à vous et à vos mécaniques.

Suite et fin... Finalement, c'était la durite qui va au capteur de pression absolue ! (Fendue sur 1/3, au niveau de l'emmanchement sur le capteur) Pas vu la première fois quand j'ai cherché s'il y avait des prises d'air. En même temps, je n'avais pas plus cherché sur celle-là. J'ai du la faire travailler, en changeant tête de delko et bougies.
J'ai retrouvé régime et conso normaux.
Je m'étais concentré sur les sondes, vu les problèmes de T°c au tableau, mais non. En même temps, ça m'a permis de faire le tour de la bête (capteur pmH changé, et, surtout gros nettoyage, c'était blindé d'huile; calorstat changé, qui avait un pet, d'où la mauvaise T°c au tableau; et en démontant le collecteur d'admission, j'ai vu que le joint de la coiffe était mort - j'ai d'abord pensé que le problème venait de là, mais après changement du joint, toujours pareil; changement du bouchon pour les fuites d'huile).

Merci à tous pour vos conseils et infos (vraiment top, le site catcar !).
Stéven
Espace 1 phase 2, Mai 1991, Essence Injection, TXE Injection, 245 000 kms
Avatar du membre
cactus69
Sur l'autoroute
Sur l'autoroute
Messages : 913
Enregistré le : 06 oct. 2014, 14:00
: : :
Modèle : [Espace I 2.0 carburateur]
Finition : GTS
Année : 1987
: : :
: : :
Localisation : rhône

Re: Sonde température d'eau et surconsommation

Message non lu par cactus69 »

j'avais aussi pensé aussi à une prise d'air, mais avec les différents symptômes, ce n'était pas évident. C'est le problème quand on a plusieurs points défectueux en même temps: ça fausse l'analyse.
J'ai rencontré sur un chantier une femme qui travaillait à la restauration des peintures dans une église où je refaisais l'électricité. Elle avait une 505 TI, je crois, qui ne tenait plus le ralenti. Il fallait qu'elle accélère pour que le moteur ne cale pas et elle consommait énormément.
Dans un premier temps, je lui ai augmenté le ralenti et je pensais à un problème d'allumage: le faisceau et la tête d'allumeur étaient fatigué. Ceci remplacé, le problème subsistait, même s'il y avait une amélioration.
En cherchant quoi d'autre n'allait pas, je me suis appuyé sur la durite d'alimentation d'air et le moteur a calé aussitôt!
En regardant de plus près, je me suis rendu compte que la durite était déboitée, mais touchait encore le tube sur lequel elle est branchée normalement. C'est pour ça qu'on ne s'en était pas rendu compte.
Je l'ai remmanchée et ... plus de défaut!
_Espace 1 Ph 1 GTS d' octobre 87 couleur ivoire Bamako.
_Clio S de 93.
Répondre